Search found 158 matches
- Mon Apr 27, 2026 12:56 pm
- Forum: Vehicle Control (VCU)
- Topic: Chademo with Leaf PDM on Zombi VCU
- Replies: 17
- Views: 6445
Re: Chademo with Leaf PDM on Zombi VCU
I confirmed today that the quick charge contactors are not closing when I power pin 2 with 12 volts and earth pin 10.
What is required to close the contactors in the PDM? I suppose I could brute force it by wiring directly to the contactors but I'd rather not.
PXL_20260427_103059255.MP.jpg
I'm ...
- Tue Apr 14, 2026 7:40 pm
- Forum: General
- Topic: Sound generator possibilities of implementation
- Replies: 43
- Views: 29205
Re: Sound generator possibilities of implementation
As promised, an update once I got around to look at this :)
https://youtu.be/twevChUd3yw
BMW F30 shifter and Kona VESS are both on CAN2. Neither has a termination resistor, so that is needed for communication to work in this setup.
Drive and Reverse sounds work
Next need to test together with ...
https://youtu.be/twevChUd3yw
BMW F30 shifter and Kona VESS are both on CAN2. Neither has a termination resistor, so that is needed for communication to work in this setup.
Drive and Reverse sounds work
Next need to test together with ...
- Mon Apr 13, 2026 6:51 am
- Forum: Nissan
- Topic: Ariya AM67 motor
- Replies: 4
- Views: 188
Re: Ariya AM67 motor
From what I have read, Ariya is based on Renault-Nissans CMF -EV platform . So there is a good probability that these are used as is in several models across the alliance, which would be a great thing for upcoming years when these start to become better available at wreckers too.
Also, I found ...
Also, I found ...
- Wed Apr 08, 2026 9:20 am
- Forum: Projects
- Topic: [DRIVING] Project Rising Sun: Suzuki SJ410k meets Leaf full stack
- Replies: 83
- Views: 61242
Re: [DRIVING] Project Rising Sun: Suzuki SJ410k meets Leaf full stack
The other Weekend went off road again. This time survived without any breakage :D
Can't be happier how the upgrades turned out and now I have a vibration free driving experience. The longitudinal support also helps mitigate the intermediate driveshaft angle fluctuation due to drivestack rocking ...
Can't be happier how the upgrades turned out and now I have a vibration free driving experience. The longitudinal support also helps mitigate the intermediate driveshaft angle fluctuation due to drivestack rocking ...
- Wed Mar 18, 2026 8:04 pm
- Forum: Projects
- Topic: [DRIVING] Project Rising Sun: Suzuki SJ410k meets Leaf full stack
- Replies: 83
- Views: 61242
Re: [DRIVING] Project Rising Sun: Suzuki SJ410k meets Leaf full stack
The rear end repair sort of expanded slightly as some of the tray mounts were kinda off too.
Rear_suspension (6).jpg
Some fresh square tubing to sort out that problem
Rear_suspension (4).jpg
Old spring mounts out of the way
Rear_suspension (12).jpg
Made myseld an alignment jig for welding ...
Rear_suspension (6).jpg
Some fresh square tubing to sort out that problem
Rear_suspension (4).jpg
Old spring mounts out of the way
Rear_suspension (12).jpg
Made myseld an alignment jig for welding ...
- Wed Mar 18, 2026 7:54 pm
- Forum: Projects
- Topic: [DRIVING] Project Rising Sun: Suzuki SJ410k meets Leaf full stack
- Replies: 83
- Views: 61242
Re: [DRIVING] Project Rising Sun: Suzuki SJ410k meets Leaf full stack
To avoid double posting
All the details on park actuator contoller here
https://youtu.be/1uGUYJ7aifw
Finished the longitudinal support
Longitudinal_support (1).jpg
Mounts almost too nicely at original transmission support mounting location
Longitudinal_support (2).jpg
After modifying the ...
All the details on park actuator contoller here
https://youtu.be/1uGUYJ7aifw
Finished the longitudinal support
Longitudinal_support (1).jpg
Mounts almost too nicely at original transmission support mounting location
Longitudinal_support (2).jpg
After modifying the ...
- Wed Mar 18, 2026 7:24 pm
- Forum: Nissan
- Topic: Nissan Leaf park actuator motor and SRM motor control
- Replies: 8
- Views: 3827
HW and SW for park actuator controller
The SRM contoller is now available for anyone who wants to make one for themselves :)
Hardware has the following:
Arduino nano is used as controller
Three configurable control inputs, meaning they can be used switching high or switching low depending on your application
Two inputs for hall ...
Hardware has the following:
Arduino nano is used as controller
Three configurable control inputs, meaning they can be used switching high or switching low depending on your application
Two inputs for hall ...
- Wed Mar 11, 2026 7:21 am
- Forum: ZombieVerter VCU
- Topic: Nissan Leaf and Zombieverter minimum components need?
- Replies: 81
- Views: 18768
Re: Nissan Leaf and Zombieverter minimum components need?
You have on your list parts from modules: power supply, Can3, RS232, LIN bus, Digital outputs and some others.
At least if you don't have any of those power supply related components you listed, you can't use the board at all.
https://github.com/damienmaguire/Stm32-vcu/blob/master/Hardware/Zombie ...
At least if you don't have any of those power supply related components you listed, you can't use the board at all.
https://github.com/damienmaguire/Stm32-vcu/blob/master/Hardware/Zombie ...
- Mon Mar 02, 2026 12:41 pm
- Forum: General
- Topic: Help with service plug and contactors
- Replies: 8
- Views: 233
Re: Help with service plug and contactors
After rereading the question I may have an understanding on what you are asking, but then again may have misunderstood.
The service disconnect should be in the middle of the battery cell series as the intended function (in addition to cut the circuit) is to split the voltage down to a safer level ...
The service disconnect should be in the middle of the battery cell series as the intended function (in addition to cut the circuit) is to split the voltage down to a safer level ...
- Tue Feb 24, 2026 11:52 am
- Forum: Nissan
- Topic: Pin out help
- Replies: 3
- Views: 121
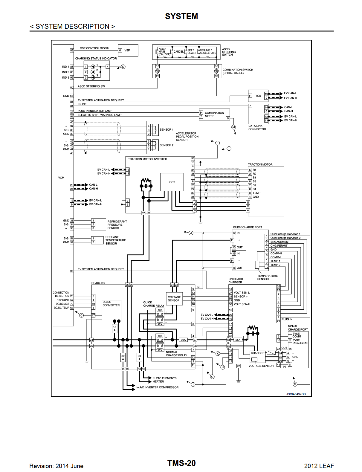
Re: Pin out help
You have in hand the engine room harness side connector, correct?
I was also scratching my head on this
Here's the Engine room harness connector E8 pinout from 2019 Leaf manual. Don't look at the wire population as they won't match to 2017, just lets use the terminal numbering as the 2017 has the ...
I was also scratching my head on this
Here's the Engine room harness connector E8 pinout from 2019 Leaf manual. Don't look at the wire population as they won't match to 2017, just lets use the terminal numbering as the 2017 has the ...
- Thu Feb 12, 2026 9:33 am
- Forum: Nissan
- Topic: Nissan Leaf OBC Gen 2 DC-DC output voltage command?
- Replies: 3
- Views: 122
Re: Nissan Leaf OBC Gen 2 DC-DC output voltage command?
Like Dala states in his repo readme
Browse database file with an editor like Kvaeser database editor 3
The information you need should be there (row 10) :)
This snip is from EV-can_AZE0.dbc
image.png
image.png
In current Zombieverter implementation, there is a fixed value 0xAC for byte 3.
I ...
Browse database file with an editor like Kvaeser database editor 3
The information you need should be there (row 10) :)
This snip is from EV-can_AZE0.dbc
image.png
image.png
In current Zombieverter implementation, there is a fixed value 0xAC for byte 3.
I ...
- Thu Oct 30, 2025 2:04 pm
- Forum: Getting Started
- Topic: Splicing EV 12v into ICE 12v
- Replies: 2
- Views: 1564
Re: Splicing EV 12v into ICE 12v
Just ground everything to same reference (preferrably body/chassis). A gross oversimplification, but if the housing is conductive, it is meant to be grounded and keeping it isolated if propably impossible.
Youll risk having weird ground loop issues and such phenomena, if you try to have different ...
Youll risk having weird ground loop issues and such phenomena, if you try to have different ...
- Wed Oct 29, 2025 7:35 am
- Forum: ZombieVerter VCU
- Topic: Nissan Leaf and Zombieverter minimum components need?
- Replies: 81
- Views: 18768
Re: Nissan Leaf and Zombieverter minimum components need?
Zip, rar or 7zip are supported file formats for attachments, so maybe you could share them in a compressed file?
The phase swap is not uncommon thing to do, so the dxf would help
The phase swap is not uncommon thing to do, so the dxf would help
- Tue Oct 28, 2025 6:32 pm
- Forum: Projects
- Topic: [DRIVING] Project Rising Sun: Suzuki SJ410k meets Leaf full stack
- Replies: 83
- Views: 61242
Re: [DRIVING] Project Rising Sun: Suzuki SJ410k meets Leaf full stack
Case business coming to an end second time around...
Added a connector for breather line
Leaf_case (4).jpg
Eventually figured out that the bearing size matches Suzuki differential pinion seal OD on the other end of the motor intput shaft, so ended up boring out the whole end
Leaf_case (6).jpg ...
Added a connector for breather line
Leaf_case (4).jpg
Eventually figured out that the bearing size matches Suzuki differential pinion seal OD on the other end of the motor intput shaft, so ended up boring out the whole end
Leaf_case (6).jpg ...
- Sun Oct 19, 2025 7:28 pm
- Forum: Projects
- Topic: [DRIVING] Project Rising Sun: Suzuki SJ410k meets Leaf full stack
- Replies: 83
- Views: 61242
Re: [DRIVING] Project Rising Sun: Suzuki SJ410k meets Leaf full stack
nice work. looks like you still have provisions to interface to the intermediate gear if you wanted to.
i have a case cut roughly the same, but planning on welding a splined shaft of the intermediate shaft to direct drive the rear diff in a truck. when welding up the case, did you assemble the 2 ...
- Sun Oct 19, 2025 6:15 pm
- Forum: Projects
- Topic: [DRIVING] Project Rising Sun: Suzuki SJ410k meets Leaf full stack
- Replies: 83
- Views: 61242
Re: [DRIVING] Project Rising Sun: Suzuki SJ410k meets Leaf full stack
Some things that have happened in the meantime:
I was going to replace the broken axle shaft with an original spare, but something happened and I ended up with Longfield axle shafts. Now the fusible driveline part shall be something else than the axle shafts :D
Longfield.jpg
My 1.0 version of ...
I was going to replace the broken axle shaft with an original spare, but something happened and I ended up with Longfield axle shafts. Now the fusible driveline part shall be something else than the axle shafts :D
Longfield.jpg
My 1.0 version of ...
- Fri Oct 10, 2025 6:31 am
- Forum: Projects
- Topic: VW Country Buggy - Leaf Motor Conversion
- Replies: 13
- Views: 2615
Re: VW Country Buggy - Leaf Motor Conversion
Why you want to use Resolve EV instead of Zombieverter?
Zombieverter does pretty much all the same stuff but actually lets you configure your setup :)
Using less modules means that probably you need another BMS too, that you'd have to check (or maybe someone can confirm whether you can use Leaf BMS ...
Zombieverter does pretty much all the same stuff but actually lets you configure your setup :)
Using less modules means that probably you need another BMS too, that you'd have to check (or maybe someone can confirm whether you can use Leaf BMS ...
- Thu Sep 18, 2025 2:00 pm
- Forum: ZombieVerter VCU
- Topic: Nissan Leaf and Zombieverter minimum components need?
- Replies: 81
- Views: 18768
Re: Nissan Leaf and Zombieverter minimum components need?
Hello all. I bought 16 x LG Chem 6s2p modules. Now i need to repack battery correctly.
As always have some questions:
UnderFuse.jpg in attachments. What is this black box with orange wire marked in blue ?
Contactors.jpg: For what wires marked in yellow ?
Its interlock marked in green ?
For what ...
- Wed Sep 17, 2025 5:36 am
- Forum: Drive trains (motors and inverters)
- Topic: YA-HI (Yet Another Honda Inverter)
- Replies: 43
- Views: 8833
Re: YA-HI (Yet Another Honda Inverter)
I've been reading on ways to convert Mentor PADS projects to KiCAD. Turns out most promising method is to use Altium as it can import the PADS projects when they are firs exported in ASCII format. KiCAD can read Altium project natively.
A colleague at work showed me quick how nicely KiCAD opens a ...
A colleague at work showed me quick how nicely KiCAD opens a ...
- Mon Sep 15, 2025 11:20 am
- Forum: Nissan
- Topic: Gen1 Leaf and ZV spin up issues [SOLVED]
- Replies: 70
- Views: 12576
Re: Gen1 Leaf and ZV spin up issues [SOLVED]
Have you checked your 12V supply as one of the fault codes is related to that?
Figuring out the reason for P0A8D should be high on the priority list as it is mentioned in the Nissan FSM to have first priority in diagnosis before diagnosing several other codes.
Also it could help if you read and ...
Figuring out the reason for P0A8D should be high on the priority list as it is mentioned in the Nissan FSM to have first priority in diagnosis before diagnosing several other codes.
Also it could help if you read and ...
- Sat Sep 13, 2025 8:53 am
- Forum: Nissan
- Topic: Gen1 Leaf and ZV spin up issues [SOLVED]
- Replies: 70
- Views: 12576
Re: Gen1 Leaf and ZV spin up issues [SOLVED]
Looked these up for y'all
Nissan FSM lists these on a priority in which they should be checked
1. P0A8D 14VOLT POWER VOLTAGE
P0C79 DRIVE MOTOR A INVERTER VOLTAGE
P318E CAN ERROR
P3193 CAN ERROR
P3197 CAN ERROR
U1000 CAN COMM CIRCUIT
2. P0A1B DRIVE MOTOR A CONTROL MODULE
3. P324F DRIVE ...
Nissan FSM lists these on a priority in which they should be checked
1. P0A8D 14VOLT POWER VOLTAGE
P0C79 DRIVE MOTOR A INVERTER VOLTAGE
P318E CAN ERROR
P3193 CAN ERROR
P3197 CAN ERROR
U1000 CAN COMM CIRCUIT
2. P0A1B DRIVE MOTOR A CONTROL MODULE
3. P324F DRIVE ...
- Fri Sep 12, 2025 10:11 am
- Forum: Nissan
- Topic: Gen1 Leaf and ZV spin up issues [SOLVED]
- Replies: 70
- Views: 12576
Re: Gen1 Leaf and ZV spin up issues [SOLVED]
beeetown,
Other than the picture of the inverter connector in your presentation seems to be mirrored, the wires which can be distinguished where they go, don't see a wire that wouldn't match the motor control harness pinout.
For example the resolver wire colors seem to match the connector. This ...
Other than the picture of the inverter connector in your presentation seems to be mirrored, the wires which can be distinguished where they go, don't see a wire that wouldn't match the motor control harness pinout.
For example the resolver wire colors seem to match the connector. This ...
- Wed Sep 10, 2025 5:53 pm
- Forum: Nissan
- Topic: Gen1 Leaf and ZV spin up issues [SOLVED]
- Replies: 70
- Views: 12576
Re: Gen1 Leaf and ZV spin up issues [SOLVED]
My experience is limited to Gen2 Leaf parts. Leafspy can read any single module PDM, Inverter and LBC separate or together, you just have to change the mode in Leafspy settings.
I have Leafspy pro and at least that can read and reset the dtcs.
Totally worth the 15ish€ it costs an really is peanuts ...
I have Leafspy pro and at least that can read and reset the dtcs.
Totally worth the 15ish€ it costs an really is peanuts ...
- Mon Sep 08, 2025 6:29 am
- Forum: Drive trains (motors and inverters)
- Topic: Deleted
- Replies: 4
- Views: 2990
Re: Gen 1 Leaf / EM61 Resolver wiring
Oh no, you don't use the numbers on the connector 🤠
From FSM, use only the order explicitly expressed to be the connector you are looking at.
The Nissan connectors pinmapping seems to be typically harness side view.
To me, it seems that there are several connectors where the numbers embossed on ...
From FSM, use only the order explicitly expressed to be the connector you are looking at.
The Nissan connectors pinmapping seems to be typically harness side view.
To me, it seems that there are several connectors where the numbers embossed on ...
- Sun Sep 07, 2025 8:45 am
- Forum: Drive trains (motors and inverters)
- Topic: Deleted
- Replies: 4
- Views: 2990
Re: Gen 1 Leaf / EM61 Resolver wiring
For reference, at least you can use this to check that the resolver is OK, if you haven't already.