Chademo with Leaf PDM on Zombi VCU
Chademo with Leaf PDM on Zombi VCU
Can the Zombi VCU control Chademo when the Leaf PDM is enabled which allows the use of the Leaf charger.
As soon as Chademo is selected on "Interface", the HV contactors close unless "Chargemodes" is selected to Ext_Digi.
Normally for Leaf PDM control it is set to Leaf_PDM.
I can use the Orion BMS for Chademo control but will need to trigger the HV contactors and assume that the HV request pin 51 is used to be triggered by the BMS.
As soon as Chademo is selected on "Interface", the HV contactors close unless "Chargemodes" is selected to Ext_Digi.
Normally for Leaf PDM control it is set to Leaf_PDM.
I can use the Orion BMS for Chademo control but will need to trigger the HV contactors and assume that the HV request pin 51 is used to be triggered by the BMS.
- tom91
- Posts: 2962
- Joined: Fri Mar 01, 2019 9:15 pm
- Location: Bicester, Oxfordshire
- Has thanked: 328 times
- Been thanked: 847 times
Re: Chademo with Leaf PDM on Zombi VCU
I believe the Nissan PDM as the Chademo gateway is not implemented.
Gen 1 and 2 are in the PDM, Gen 3 is via the VCU.
Gen 1 and 2 are in the PDM, Gen 3 is via the VCU.
Re: Chademo with Leaf PDM on Zombi VCU
I have HVreqFunc set to HVrequest but pin 51 doesn't work when connected to 12v high or ground.
Is this inhibited by any other input/setting and is high or low for on.
Is this inhibited by any other input/setting and is high or low for on.
- tom91
- Posts: 2962
- Joined: Fri Mar 01, 2019 9:15 pm
- Location: Bicester, Oxfordshire
- Has thanked: 328 times
- Been thanked: 847 times
Re: Chademo with Leaf PDM on Zombi VCU
Okay pin function HVrequest is a dead end in code.
Use DCFCRequest with the Chademo DCFC set, it should enable properly on and off.
Use DCFCRequest with the Chademo DCFC set, it should enable properly on and off.
Re: Chademo with Leaf PDM on Zombi VCU
DCFCRequest not enabling HV contactors on pin 51 when set.
Tried using DCFCRequest on pin 50 GP12VINFunc but nothing.
Tried using DCFCRequest on pin 50 GP12VINFunc but nothing.
- tom91
- Posts: 2962
- Joined: Fri Mar 01, 2019 9:15 pm
- Location: Bicester, Oxfordshire
- Has thanked: 328 times
- Been thanked: 847 times
Re: Chademo with Leaf PDM on Zombi VCU
I have never used it and have no experience with Chademo on the Zombie, so other will need to chime in.
- tom91
- Posts: 2962
- Joined: Fri Mar 01, 2019 9:15 pm
- Location: Bicester, Oxfordshire
- Has thanked: 328 times
- Been thanked: 847 times
Re: Chademo with Leaf PDM on Zombi VCU
Setting up my bench test zombie.
Toggle Charge Mode on and off.
No need for input it goes to AC charging, not good. Will need to review, Chademo needs to be reviewed as the different charger interfaces work slight different.
Chademo is not correctly setup to allow chargers do its own thing right now as its a dedicated DC interfaces and needs another way to do the AC charging.
All this is on the list of things to overhaul and clean up.
Code: Select all
Interface: Chademo
Charger: None
Pin Function DCFCRequest on pin 51 HvrequestCode: Select all
Interface: Chademo
Charger: Leaf PDM
Pin Function DCFCRequest on pin 51 HvrequestChademo is not correctly setup to allow chargers do its own thing right now as its a dedicated DC interfaces and needs another way to do the AC charging.
All this is on the list of things to overhaul and clean up.
Re: Chademo with Leaf PDM on Zombi VCU
Yes I found that selecting Chademo on Interface with Charger set to Leaf PDM brings in the HV immediately as Chademo requires Ext_Digi.
I am not using the Zombi VCU for Chademo so only require the HVRequest input to pull in the HV contactors. The Orion will do the rest with possibly more control than the Zombi VCU offers.
From my perspective, I only require the Leaf PDM AC charging to detect 16A as well as 32A plugs (0x390 byte_5 0x84 and 0x88), HVRequest to pull in the HV contactors and some way of reducing the power drain on the 12v battery supply to the Leaf inverter and PDM as it is almost an amp in total.
Would be happy to beta test any changes.
I am not using the Zombi VCU for Chademo so only require the HVRequest input to pull in the HV contactors. The Orion will do the rest with possibly more control than the Zombi VCU offers.
From my perspective, I only require the Leaf PDM AC charging to detect 16A as well as 32A plugs (0x390 byte_5 0x84 and 0x88), HVRequest to pull in the HV contactors and some way of reducing the power drain on the 12v battery supply to the Leaf inverter and PDM as it is almost an amp in total.
Would be happy to beta test any changes.
- tom91
- Posts: 2962
- Joined: Fri Mar 01, 2019 9:15 pm
- Location: Bicester, Oxfordshire
- Has thanked: 328 times
- Been thanked: 847 times
Re: Chademo with Leaf PDM on Zombi VCU
Where you find this info or share this testing?
Sleep is coming with the updated Leaf CAN message generation.
Will look into this, needs working out properly and not just for your specific situation.
Re: Chademo with Leaf PDM on Zombi VCU
tom91 wrote: ↑Wed Feb 12, 2025 3:41 pm Where you find this info or share this testing?
On an earlier thread last reply viewtopic.php?t=6027
Sleep is coming with the updated Leaf CAN message generation.
I assume it will also rectify the requirement for a power reset of the VCU after each charge session viewtopic.php?t=6088
Will look into this, needs working out properly and not just for your specific situation.
Understood but just needs to enable the HV contactor sequence when the Leaf PDM is selected and HVreqFunc is set to HVrequest and pin 51 enabled.
- tom91
- Posts: 2962
- Joined: Fri Mar 01, 2019 9:15 pm
- Location: Bicester, Oxfordshire
- Has thanked: 328 times
- Been thanked: 847 times
Re: Chademo with Leaf PDM on Zombi VCU
Can you measure the Proximity to ground resistance of the two plugs used to produce this please.
- J0hannes
- Posts: 158
- Joined: Sat Nov 11, 2023 10:29 am
- Location: Finland
- Has thanked: 21 times
- Been thanked: 182 times
Re: Chademo with Leaf PDM on Zombi VCU
Nissan PDM related, do you have PDM pin 9 energized when trying to have DCFC contactors controlled?
It's and additional layer of safety Nissan has implemented Also, I don't know if this has been noted earlier, but the PDM has a plug in signal for indicator lamp. Pin 10 is pulled down when PDM thinks it has a charging plug. I'll be using this for a dash light as it's in Leaf.
It's and additional layer of safety Nissan has implemented Also, I don't know if this has been noted earlier, but the PDM has a plug in signal for indicator lamp. Pin 10 is pulled down when PDM thinks it has a charging plug. I'll be using this for a dash light as it's in Leaf.
Re: Chademo with Leaf PDM on Zombi VCU
Will try the charge lamp signal from the PDM as the 106 Electrique dash has one.J0hannes wrote: ↑Thu Feb 13, 2025 8:18 am Nissan PDM related, do you have PDM pin 9 energized when trying to have DCFC contactors controlled?
It's and additional layer of safety Nissan has implemented
Also, I don't know if this has been noted earlier, but the PDM has a plug in signal for indicator lamp. Pin 10 is pulled down when PDM thinks it has a charging plug. I'll be using this for a dash light as it's in Leaf.
My AC charger is working so not sure if I will need the PDM pin 9 utilised.
CHAdeMO will be controlled solely by the Orion as long as I can enable the HV contactor sequence.
- GregFordyce
- Posts: 46
- Joined: Sun May 23, 2021 5:58 pm
- Has thanked: 43 times
- Been thanked: 28 times
Re: Chademo with Leaf PDM on Zombi VCU
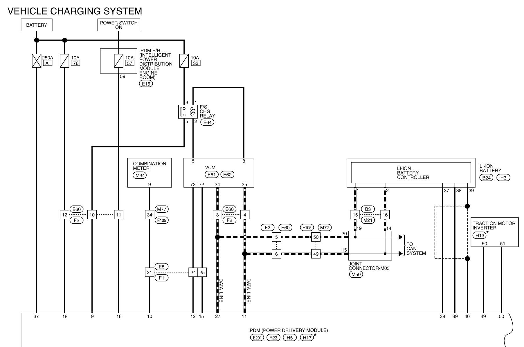
I know this is an old thread but the topic is relevant to my situation. I'm trying to get Chademo working on my van. I'm using a full Leaf stack from a 30kWh AZE0. The wiring is shown below.
When I try and DCFC the station shows vehicle detected, communication established but fails on the final safety checks. My van goes into charging mode when I power pin 2 and earth pin 10 on the Chademo plug as well as when connecting to the charging station.
I'm not sure about some of my wiring, specifically Pin 2 Chademo -> pin 20 PDM?. Maybe it should be going to pin 22 PDM?
Also pin 7 Chademo currently isn't connected, but the diagram shows it connected to a 12v pullup resistor.
Should I connect it?
What value resistor should I use?
Should the 12v be constant or from the enable relay?
Once I get this working I'll add the info to the wiki.
My params file is below and I'm on 2.30.A
When I try and DCFC the station shows vehicle detected, communication established but fails on the final safety checks. My van goes into charging mode when I power pin 2 and earth pin 10 on the Chademo plug as well as when connecting to the charging station.
I'm not sure about some of my wiring, specifically Pin 2 Chademo -> pin 20 PDM?. Maybe it should be going to pin 22 PDM?
Also pin 7 Chademo currently isn't connected, but the diagram shows it connected to a 12v pullup resistor.
Should I connect it?
What value resistor should I use?
Should the 12v be constant or from the enable relay?
Once I get this working I'll add the info to the wiki.
My params file is below and I'm on 2.30.A
- Attachments
-
- params (3).json
- (2.14 KiB) Downloaded 1 time
Peugeot Expert LWB 2009
Zombieverter - Full 80kW Leaf stack
24kWh & 30kWh Leaf batteries in custom battery box under van
Zombieverter - Full 80kW Leaf stack
24kWh & 30kWh Leaf batteries in custom battery box under van
- GregFordyce
- Posts: 46
- Joined: Sun May 23, 2021 5:58 pm
- Has thanked: 43 times
- Been thanked: 28 times
Re: Chademo with Leaf PDM on Zombi VCU
I looked again at how the Leaf PDM is wired to the Chademo socket and changed around PDM pins 20-22 as per this diagram.
Sadly still no charge. I suspect the quick charge contactors aren't closing. Can someone confirm this is how it should be wired and what is required to close the QC contactors in the PDM?
Sadly still no charge. I suspect the quick charge contactors aren't closing. Can someone confirm this is how it should be wired and what is required to close the QC contactors in the PDM?
Peugeot Expert LWB 2009
Zombieverter - Full 80kW Leaf stack
24kWh & 30kWh Leaf batteries in custom battery box under van
Zombieverter - Full 80kW Leaf stack
24kWh & 30kWh Leaf batteries in custom battery box under van
- GregFordyce
- Posts: 46
- Joined: Sun May 23, 2021 5:58 pm
- Has thanked: 43 times
- Been thanked: 28 times
Re: Chademo with Leaf PDM on Zombi VCU
I confirmed today that the quick charge contactors are not closing when I power pin 2 with 12 volts and earth pin 10.
What is required to close the contactors in the PDM? I suppose I could brute force it by wiring directly to the contactors but I'd rather not.
What is required to close the contactors in the PDM? I suppose I could brute force it by wiring directly to the contactors but I'd rather not.
Peugeot Expert LWB 2009
Zombieverter - Full 80kW Leaf stack
24kWh & 30kWh Leaf batteries in custom battery box under van
Zombieverter - Full 80kW Leaf stack
24kWh & 30kWh Leaf batteries in custom battery box under van
- J0hannes
- Posts: 158
- Joined: Sat Nov 11, 2023 10:29 am
- Location: Finland
- Has thanked: 21 times
- Been thanked: 182 times
Re: Chademo with Leaf PDM on Zombi VCU
I'm actually starting to look at getting chademo working on my 2017 Leaf stack, so interested to hear if you find a working solution.GregFordyce wrote: ↑Mon Apr 27, 2026 10:41 am I confirmed today that the quick charge contactors are not closing when I power pin 2 with 12 volts and earth pin 10.
What is required to close the contactors in the PDM? I suppose I could brute force it by wiring directly to the contactors but I'd rather not.
PXL_20260427_103059255.MP.jpg