Car inverter as a 3 phase inverter ?
-
PoloLbricolo
- Posts: 106
- Joined: Wed Apr 10, 2019 2:32 pm
- Location: France
- Has thanked: 3 times
- Been thanked: 12 times
Car inverter as a 3 phase inverter ?
Hi,
I'm wondering if using as car inverter (prius? Tesla ? others ?) as an inverter for solar stuff. My idea is that you could use a complete HV battery and have a lot of power available for a house (from 10kW per phase up to a few 100 kW per phase).
This inverter could be setup for 230v or 110v AC and 50 or 60Hz.
Add a few solar panels and a high voltage MPPT and you have a lot of storage an huge power available.
Throwing ideas for now.
I'm wondering if using as car inverter (prius? Tesla ? others ?) as an inverter for solar stuff. My idea is that you could use a complete HV battery and have a lot of power available for a house (from 10kW per phase up to a few 100 kW per phase).
This inverter could be setup for 230v or 110v AC and 50 or 60Hz.
Add a few solar panels and a high voltage MPPT and you have a lot of storage an huge power available.
Throwing ideas for now.
- Bigpie
- Posts: 1884
- Joined: Wed Apr 10, 2019 8:11 pm
- Location: South Yorkshire, UK
- Has thanked: 91 times
- Been thanked: 517 times
Re: Car inverter as a 3 phase inverter ?
BMW E91 2006
ZombieVerter
GS450h
Outlander Charger DC/DC
Outlander Compressor
Renault Kangoo 36kWh battery
FOCCCI CCS
ZombieVerter
GS450h
Outlander Charger DC/DC
Outlander Compressor
Renault Kangoo 36kWh battery
FOCCCI CCS
- catphish
- Posts: 966
- Joined: Fri Oct 08, 2021 11:02 pm
- Location: Dorset, UK
- Has thanked: 99 times
- Been thanked: 197 times
Re: Car inverter as a 3 phase inverter ?
The main problem I see here is that a car inverter outputs PWM, not a sine wave. I'm not sure how problematic this would be, but I'd be hesitant to run household appliances directly from such an inverter without putting some thought into filtering it.
-
Pete9008
- Posts: 1801
- Joined: Sun Apr 03, 2022 1:57 pm
- Has thanked: 102 times
- Been thanked: 351 times
Re: Car inverter as a 3 phase inverter ?
Have thought about this too, for single phase I was wondering whether a 110-240V isolating transformer (of the type used with power tools) would provide enough inductance to convert the PWM to cleanish AC and also provide isolation?
Assume there must be equivalent transformers for three phase but not sure what to search for to find them?
Assume there must be equivalent transformers for three phase but not sure what to search for to find them?
-
arber333
- Posts: 3795
- Joined: Mon Dec 24, 2018 1:37 pm
- Location: Slovenia
- Has thanked: 166 times
- Been thanked: 411 times
- Contact:
Re: Car inverter as a 3 phase inverter ?
Well in a car you use your inverter to run a balanced load - motor with a star winding (usually). If you consider your house you would need at least 600Vdc to get 230Vac phase to N. That is your first hurdle.
All phases would be wired to the loads. Now then how to connect N? You would need to create common N. So would phases be connected to battery minus then? I dont think that would be safe.
I would recommend you to make a toroid transformer 3phase winding RST primary with 3phase secondary with common N. A star winding if you like. Then you may use this winding in a house. There are various 3phase autotransformers to be used too...
All phases would be wired to the loads. Now then how to connect N? You would need to create common N. So would phases be connected to battery minus then? I dont think that would be safe.
I would recommend you to make a toroid transformer 3phase winding RST primary with 3phase secondary with common N. A star winding if you like. Then you may use this winding in a house. There are various 3phase autotransformers to be used too...
- catphish
- Posts: 966
- Joined: Fri Oct 08, 2021 11:02 pm
- Location: Dorset, UK
- Has thanked: 99 times
- Been thanked: 197 times
Re: Car inverter as a 3 phase inverter ?
I believe ideally you want 3 transformers. This should give you both the filtering, and a 3P+N output.Pete9008 wrote: ↑Sun Oct 23, 2022 3:54 pm Have thought about this too, for single phase I was wondering whether a 110-240V isolating transformer (of the type used with power tools) would provide enough inductance to convert the PWM to cleanish AC and also provide isolation?
Assume there must be equivalent transformers for three phase but not sure what to search for to find them?
The downside is that I suspect this will be a rather large transformer.
- johu
- Site Admin
- Posts: 7182
- Joined: Thu Nov 08, 2018 10:52 pm
- Location: Kassel/Germany
- Has thanked: 552 times
- Been thanked: 1913 times
- Contact:
Re: Car inverter as a 3 phase inverter ?
with a Prius inverter you could sort of do it. Run MG1 at plain 50/50 to give you your neutral and run the 3 sine waves on MG2. Use the boost converter to generate 600V DC bus.
You definitely need filtering, I have destroyed a laptop power supply when I omitted the filter. Also transformers tend to transform the nasty spikes as well. I'd estimate the magnetics to be heavier than the inverter if you're looking for more than 10 kW.
You definitely need filtering, I have destroyed a laptop power supply when I omitted the filter. Also transformers tend to transform the nasty spikes as well. I'd estimate the magnetics to be heavier than the inverter if you're looking for more than 10 kW.
Support R/D and forum on Patreon: https://patreon.com/openinverter - Subscribe on odysee: https://odysee.com/@openinverter:9
-
Pete9008
- Posts: 1801
- Joined: Sun Apr 03, 2022 1:57 pm
- Has thanked: 102 times
- Been thanked: 351 times
Re: Car inverter as a 3 phase inverter ?
I was thinking of just singe phase which is much easier (all my 3-phase kit runs on VFDs anyway so single phase would cover everything) and the thought was that isolation transformers are available in fairly high power ratings for reasonable prices. No idea on their electrical characteristics at PWM frequencies though - probably not good enough.
Edit - this idea was just for a cheap backup supply (get a fair number of power cuts here). For anything more permanent a better quality transformer would definitely be a good idea!
Edit2 - just read the thread title properly - 3 phase inverter. Please ignore my ramblings about single phase solutions
Edit - this idea was just for a cheap backup supply (get a fair number of power cuts here). For anything more permanent a better quality transformer would definitely be a good idea!
Edit2 - just read the thread title properly - 3 phase inverter. Please ignore my ramblings about single phase solutions
-
arber333
- Posts: 3795
- Joined: Mon Dec 24, 2018 1:37 pm
- Location: Slovenia
- Has thanked: 166 times
- Been thanked: 411 times
- Contact:
Re: Car inverter as a 3 phase inverter ?
I hadnt realized that one. So rotate the field in MG1 and phase load MG2? How to connect N lines to MG1 phase outputs then? Just plain copy of the MG2 positions? Would we have to time the MG1 in respect to MG2 say via current sensors? Or would simply timing driver outputs be enough?
Possibilities...
True, my 3f autotransformer variac weighs about 50kg dry! And it supposedly has a rating of 10kW.I'd estimate the magnetics to be heavier than the inverter if you're looking for more than 10 kW.
Yes you need to consider that transformers also translate any noise on the primary line to the secondary. Filters!
Maybe this is why most "hybrid" inverters are single phase.
-
johnspark
- Posts: 264
- Joined: Fri Apr 12, 2019 10:42 pm
- Location: Adelaide, South Australia
- Has thanked: 59 times
- Been thanked: 48 times
Re: Car inverter as a 3 phase inverter ?
So I was at a 1 MW solar installation that used an SMA inverter mounted inside a shipping container. The output of the power electronics went to air cored inductors that got rid of most of the high frequencies. It was acoustically very annoying to hear the whine of the inductors. The output of the air cored inductors then went to a padmount transformer and was then connected to the township. The air cored inductors are necessary because iron core transformers only work up to 400 Hz comfortably, and at a squeeze up to 800 Hz. So this avoids the iron laminations behaving as if they don't exist (ie the iron core transformer behaves as an air cored transformer at the high harmonics), and greatly reduces eddy current loss in the iron, and hysteresis loss as well {ie reduces excessive wasteful heating}.
Yes you can have 2 three phase outputs connected to a transformer that has two input windings one delta the other star unearthed. Output of this would be a third earthed winding for connection to your load. These three winding transformers are routinely used for the old 6 phase thyristor controlled mine winder controls etc, so you may pick up one at a salvage yard. But lots to consider: winding voltages etc...
If you have a small installation single phase for example, you can use a DC/DC boost inductor out of a Prius V2 inverter for getting rid of the high frequencies and smooth them for an iron cored transformer. If you have a few microwaves lying around, pull the 2kV 1uF capacitors out of them and place on the output of the boost inductor and create a low pass filter. You can even use 1 or a few microwave transformers in parallel to get you the power output you want.
I have pulled these 1uF capacitors out of microwaves and put into boxes and plugged into power points in my house to reduce being exposed to harmonics in the house (PPS: tried motor running capacitors but they don't last long across the mains continuously).
PS: when you have a star delta transformer, the delta gets rid of the third, ninth, twelth and other 'triplen' harmonics automatically.
'LT Spice XVII' is free, and can be used to model this sort of thing (it models not just semiconductors...). I had a quick look for three phase transformer models and found nothing. But this software would be a way to simulate what you want to do, and you can get oscillograms and harmonic charts to help guide you.
On my bucket list is get off the grid, so this subject interests me.
Yes you can have 2 three phase outputs connected to a transformer that has two input windings one delta the other star unearthed. Output of this would be a third earthed winding for connection to your load. These three winding transformers are routinely used for the old 6 phase thyristor controlled mine winder controls etc, so you may pick up one at a salvage yard. But lots to consider: winding voltages etc...
If you have a small installation single phase for example, you can use a DC/DC boost inductor out of a Prius V2 inverter for getting rid of the high frequencies and smooth them for an iron cored transformer. If you have a few microwaves lying around, pull the 2kV 1uF capacitors out of them and place on the output of the boost inductor and create a low pass filter. You can even use 1 or a few microwave transformers in parallel to get you the power output you want.
I have pulled these 1uF capacitors out of microwaves and put into boxes and plugged into power points in my house to reduce being exposed to harmonics in the house (PPS: tried motor running capacitors but they don't last long across the mains continuously).
PS: when you have a star delta transformer, the delta gets rid of the third, ninth, twelth and other 'triplen' harmonics automatically.
'LT Spice XVII' is free, and can be used to model this sort of thing (it models not just semiconductors...). I had a quick look for three phase transformer models and found nothing. But this software would be a way to simulate what you want to do, and you can get oscillograms and harmonic charts to help guide you.
On my bucket list is get off the grid, so this subject interests me.
-
johnspark
- Posts: 264
- Joined: Fri Apr 12, 2019 10:42 pm
- Location: Adelaide, South Australia
- Has thanked: 59 times
- Been thanked: 48 times
Re: Car inverter as a 3 phase inverter ?
I just happened to see a paper on a full bridge single phase sinusoidal source:
from this:
here are the interesting values they use in this paper:
Current for this circuit is ~12 amps peak.
Hope this helps.
Current for this circuit is ~12 amps peak.
Hope this helps.
-
MattsAwesomeStuff
- Posts: 1079
- Joined: Fri Apr 26, 2019 5:40 pm
- Has thanked: 475 times
- Been thanked: 307 times
Re: Car inverter as a 3 phase inverter ?
I've got a few dozen microwaves I've salvaged, and a whole tray of those capacitors. You've perked my interests.johnspark wrote: ↑Sat Jan 07, 2023 2:25 amIf you have a few microwaves lying around, pull the 2kV 1uF capacitors out of them and place on the output of the boost inductor and create a low pass filter. You can even use 1 or a few microwave transformers in parallel to get you the power output you want.
Microwave oven transformers aren't capable of being run at their rated load without excessive fan cooling. They pull 7 amps with no no load.
-
johnspark
- Posts: 264
- Joined: Fri Apr 12, 2019 10:42 pm
- Location: Adelaide, South Australia
- Has thanked: 59 times
- Been thanked: 48 times
Re: Car inverter as a 3 phase inverter ?
Microwave transformers are configured to work as ferroresonant circuits with the capacitor. If you look carefully at the transformer, you will see two shunts either side of the middle to the outer sides. These shunts create a highly nonlinear circuit along with the capacitor so you can actually get a constant voltage out of these things, almost a square wave. Anyway, there are stacks of things you can do with these 
If you pull the capacitor off the transformer, I think you will find it runs cool/ cold.
If you pull the capacitor off the transformer, I think you will find it runs cool/ cold.
-
johnspark
- Posts: 264
- Joined: Fri Apr 12, 2019 10:42 pm
- Location: Adelaide, South Australia
- Has thanked: 59 times
- Been thanked: 48 times
Re: Car inverter as a 3 phase inverter ?
Silly me, you can also get motor inductors that will work perfectly between the inverter and your iron core transformer:
These are specifically designed for Variable Speed Drives, ie waveforms exactly like those out of our inverters
These are specifically designed for Variable Speed Drives, ie waveforms exactly like those out of our inverters
Re: Car inverter as a 3 phase inverter ?
I am looking to build a DIY DC to 3-phase AC inverter. What would this motor inductor mean for the BOM required to do so?
-
johnspark
- Posts: 264
- Joined: Fri Apr 12, 2019 10:42 pm
- Location: Adelaide, South Australia
- Has thanked: 59 times
- Been thanked: 48 times
Re: Car inverter as a 3 phase inverter ?
From what I can see, you specify the current, and the inductance is automatically worked out for that line reactor.
I would suggest you use LT spice XVII to model the whole system since you wish to do a DIY kit. This software is free.
Just wondering what current output you are looking at?
I would suggest you use LT spice XVII to model the whole system since you wish to do a DIY kit. This software is free.
Just wondering what current output you are looking at?
Re: Car inverter as a 3 phase inverter ?
Anything north of 3kW single phase and 10kW 3-phase AC. Edit: 16A @ 230/380VAC is a good starting point.
-
yaroslav
- Posts: 176
- Joined: Tue Aug 13, 2019 4:32 pm
- Location: Russia, Stavropol
- Has thanked: 14 times
- Been thanked: 5 times
Re: Car inverter as a 3 phase inverter ?
I can offer the board of the generator, which is specially made for the task of the inverter
https://aliexpress.ru/item/100500268781 ... 4aa60dTwYR
https://aliexpress.ru/item/100500268781 ... 4aa60dTwYR
-
yaroslav
- Posts: 176
- Joined: Tue Aug 13, 2019 4:32 pm
- Location: Russia, Stavropol
- Has thanked: 14 times
- Been thanked: 5 times
Re: Car inverter as a 3 phase inverter ?
the switching circuit, which can be recalculated for its power
-
PrecisionAnalytic
- Posts: 20
- Joined: Sun Feb 19, 2023 2:09 am
- Has thanked: 8 times
- Been thanked: 1 time
Re: Car inverter as a 3 phase inverter ?
I was under the impression the output of a Prius Gen2 and Gen3 inverter was a SPWM and am now reading might not be as clean as I was thinking. I may be thinking that way due to reading via controlling using the openinverter. Either way, filtering would be required... though less based on the SPWM algorithm if I understand correctly being optimized? Is that correct, like thinking higher frequency of pulses within the 50-60Hz cycle? I'm not an expert at any of this. Is the output more like the small engine synchronous generator outputs shown here in this video at time ~3:31?:
Is this true for both Gen2 and Gen3 Prius inverters? What is the max VDC they each can handle input?
I haven't read yet if has, though has the 100A limitation of the Gen2 and Gen3 boost converter current been overcome? Guessing that optimal control algorithm and maybe cooling requirement is documented somewhere if is or at least the latest situation might be documented?
Any references? I had wondered about taking 3 120-240VAC synchronous generators and connecting either parallel or series and then inputting.
I'm still unsure regarding the feedback loop however for adjusting for a stable inverter output based on DC input. Guessing the current sensors parameter values for the two phases output, fed back to the boost converter in some way?
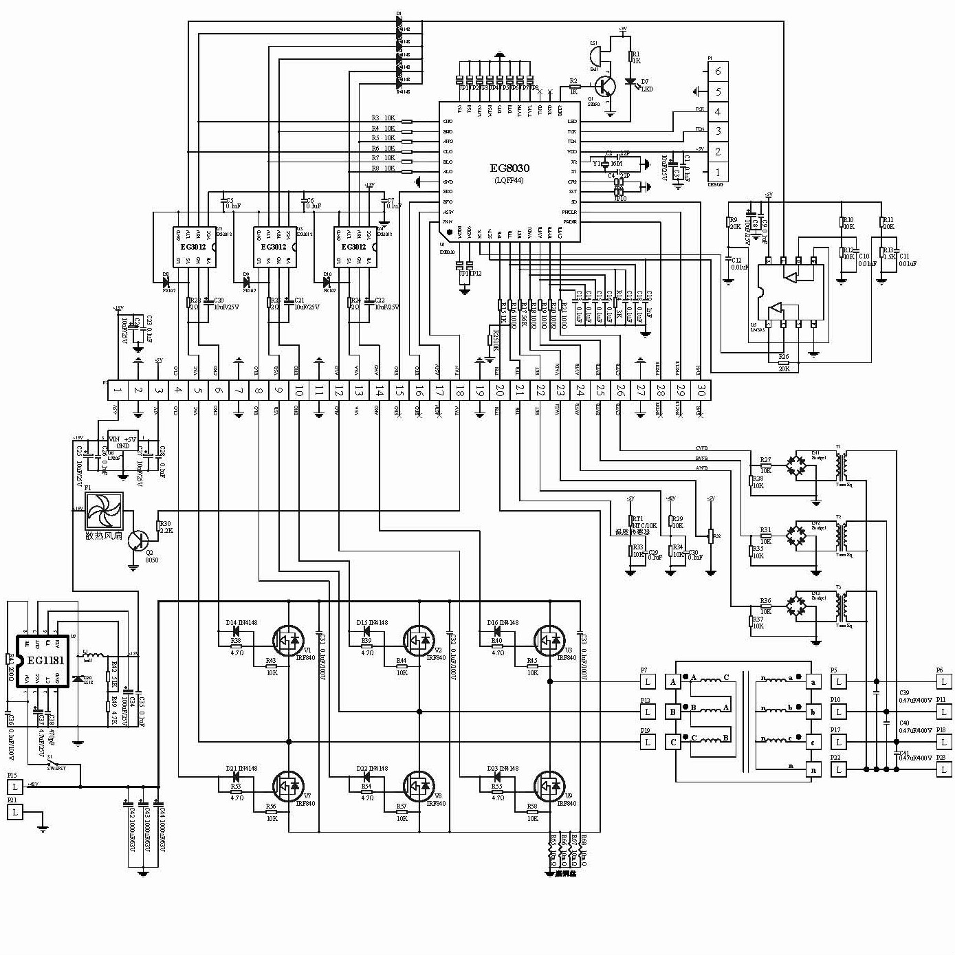
I've purchased one of these EGS032 (EG8030 + EG2132) 3PH SPWM Driver Board as decoration for now, though my thoughts were to use for the pure sine wave controller board and the Prius Gen3 inverter IGBT's and maybe some other parts. I really haven't read into the board diagram and circuit in detail. I really need to itemize the pinouts.
Originally, I was thinking the Prius Gen2 might be the better candidate inverter assembly module to use being that the parts inside the assembly are more modular from what I've seen shown in the two Weber University videos detail the HV circuit and Inverter-Converter-Controller Assembly. IGBT's definitely appears to be in their own package.
Now, with three Gen3 inverter assemblies I wound up getting, I'm trying to get up to speed in regards the "don'ts" so I don't damage anything. I need to make a list of I'm thinking what spec situations never to do and avoid without a doubt.
- catphish
- Posts: 966
- Joined: Fri Oct 08, 2021 11:02 pm
- Location: Dorset, UK
- Has thanked: 99 times
- Been thanked: 197 times
Re: Car inverter as a 3 phase inverter ?
Yes. the output frequency of a motor inverter is usually around 10kHz. So the signal you need to filter looks like this (the red signal):PrecisionAnalytic wrote: ↑Tue Feb 21, 2023 7:34 am I was under the impression the output of a Prius Gen2 and Gen3 inverter was a SPWM and am now reading might not be as clean as I was thinking. I may be thinking that way due to reading via controlling using the openinverter. Either way, filtering would be required... though less based on the SPWM algorithm if I understand correctly being optimized? Is that correct, like thinking higher frequency of pulses within the 50-60Hz cycle?

This is much better than a plain square wave, but still requires a fairly large external filter, depending on how much power you plan to run through it.
-
PrecisionAnalytic
- Posts: 20
- Joined: Sun Feb 19, 2023 2:09 am
- Has thanked: 8 times
- Been thanked: 1 time
Re: Car inverter as a 3 phase inverter ?
For the Gen3 Prius per: https://openinverter.org/wiki/Toyota_Prius_Gen3_Board
I see now for the Gen3 Prius inverter, the parameter pwmfrq is the PWM Frequency and is suggested set at 2, where PWM frequency settings are as follows:
0=17.6kHz
1=8.8kHz
2=4.4kHz
3=2.2kHz
Anyone know why suggested at 4.4kHz?
I see now also that the other muddler of the sine wave will be the Deadtime parameter deadtime suggested set to 130 where the Deadtime between highside and lowside pulse. 28=800ns, 56=1.5µs.
I'm wondering where the 130 value came from?
Looks like the High Voltage shutoff parameter udclim is set to 540 as the upper limit where the PWM is shut down. Is 600V reliable if set without causing damage or can these be pushed to 650V reliably? I read for the converter boost 500V might be reliable?
Looks like the MG1 (starter) capable of handling 250 amps, and MG2 (drive motor) capable of handling 350 amps. So paralleled capable of ~600A?
Same situation with the Gen 2 and/or Gen 3 Prius converter?
Looks like the following for the Gen 2 per https://openinverter.org/wiki/Toyota_Pr ... 2_Inverter:
"The gen 2 can only charge in buck mode. So maximum charge voltage is limited to the rectified AC input. E.G. From a 230 VAC source the inverter can only charge up to around 320VDC." Where this I assume is based on using a VDC PWM algorithm to create the output? Is there a webpage parameter with field to interface the inverter to perform this function?
Guessing there must be a way to control the PWM output on the Gen2 more than I'm finding on the Wiki so far. I last night found Johannes YT videos and will watch those more as well. Maybe the Toyota Prius Gen2 Inverter SPWM parameters values are similar stock to noted Gen3 above where 0 = 17.6kHz as I found here: https://openinverter.org/wiki/Configura ... 2_Inverter Is that correct?
Deadtime for the Gen2 per is noted in the link just above and on https://openinverter.org/wiki/Toyota_Pr ... Controller:
Do NOT program a deadtime value over 0 for the Gen2 inverter. It only uses 1 PWM per phase and the inverter itself generates a low-side and high-side signal WITH deadtime.
2 motors MG1 (starter) capable of handling 250 amps, and MG2 (drive motor) capable of handling 350 amps. Wondering now if some Wiki info was copied between Gen2 (https://openinverter.org/wiki/Toyota_Pr ... 2_Inverter) and Gen3. Will try to read into more and update the Wiki's once I confirm the specs for both unless someone replies detailing.
Per the Parameters wiki: https://openinverter.org/wiki/Parameters
The parameter ffwstart and ffweakstrt, 0 to 1000 is the frequency range (Hz) that can be controlled output stock. Perfect and well outside the range we require for mains (I guess aircraft PSU's as well), welding machine frequencies and plasma cutting machines.
On another note while I've babbled so much useless garbage out in English text:
I updated the Wiki adding LIN info since I've never heard of before. I also added two links to videos relating to the Gen3 inverter-converter-controller assembly as a video with a Gen3 hybrid demonstrator that more details the operations with the engine and MG's. If anyone wants me to update the Wiki, please don't be shy. That's the least I can do for now to support the community.
At first I was envisioning just connecting a 18HP B&S small engine to the CVT and tuning engine RPM for frequency and output was going to be interesting to adjust assuming like noted in the prior posts some big transformers or variacs as I don't want to deal with the thermal losses from wire wound or carbon pile resistors at those power levels... though at that time I had a very basic understanding of the analog system design, where now I see the requirement of the digital inverter designs to be more reasonable accommodating and safer.
Thanks everyone for your support and patience. I just committed to a gen2 Prius to pickup in a few days, so will most likely hit the local yard for a CVT and inverter-converter controller assembly to work with (or at least look at) concurrently while working on this Gen3 single and three phase mains inverter power supply goal that aligns with this post. ¯\_(ツ)_/¯
Update: I just bought the stupidest car, a 2006 Prius. Just missed one for $400, that drove off before I could get there. ¯\_(ツ)_/¯ Let me guess and yes, I found the most beat up gen 2 inverter/converter assembly for $25 to toy with along with a gen2 and gen3 throttle pedal with connector leads.
I see now for the Gen3 Prius inverter, the parameter pwmfrq is the PWM Frequency and is suggested set at 2, where PWM frequency settings are as follows:
0=17.6kHz
1=8.8kHz
2=4.4kHz
3=2.2kHz
Anyone know why suggested at 4.4kHz?
I see now also that the other muddler of the sine wave will be the Deadtime parameter deadtime suggested set to 130 where the Deadtime between highside and lowside pulse. 28=800ns, 56=1.5µs.
I'm wondering where the 130 value came from?
Looks like the High Voltage shutoff parameter udclim is set to 540 as the upper limit where the PWM is shut down. Is 600V reliable if set without causing damage or can these be pushed to 650V reliably? I read for the converter boost 500V might be reliable?
Looks like the MG1 (starter) capable of handling 250 amps, and MG2 (drive motor) capable of handling 350 amps. So paralleled capable of ~600A?
Same situation with the Gen 2 and/or Gen 3 Prius converter?
Looks like the following for the Gen 2 per https://openinverter.org/wiki/Toyota_Pr ... 2_Inverter:
"The gen 2 can only charge in buck mode. So maximum charge voltage is limited to the rectified AC input. E.G. From a 230 VAC source the inverter can only charge up to around 320VDC." Where this I assume is based on using a VDC PWM algorithm to create the output? Is there a webpage parameter with field to interface the inverter to perform this function?
Guessing there must be a way to control the PWM output on the Gen2 more than I'm finding on the Wiki so far. I last night found Johannes YT videos and will watch those more as well. Maybe the Toyota Prius Gen2 Inverter SPWM parameters values are similar stock to noted Gen3 above where 0 = 17.6kHz as I found here: https://openinverter.org/wiki/Configura ... 2_Inverter Is that correct?
Deadtime for the Gen2 per is noted in the link just above and on https://openinverter.org/wiki/Toyota_Pr ... Controller:
Do NOT program a deadtime value over 0 for the Gen2 inverter. It only uses 1 PWM per phase and the inverter itself generates a low-side and high-side signal WITH deadtime.
2 motors MG1 (starter) capable of handling 250 amps, and MG2 (drive motor) capable of handling 350 amps. Wondering now if some Wiki info was copied between Gen2 (https://openinverter.org/wiki/Toyota_Pr ... 2_Inverter) and Gen3. Will try to read into more and update the Wiki's once I confirm the specs for both unless someone replies detailing.
Per the Parameters wiki: https://openinverter.org/wiki/Parameters
The parameter ffwstart and ffweakstrt, 0 to 1000 is the frequency range (Hz) that can be controlled output stock. Perfect and well outside the range we require for mains (I guess aircraft PSU's as well), welding machine frequencies and plasma cutting machines.
On another note while I've babbled so much useless garbage out in English text:
I updated the Wiki adding LIN info since I've never heard of before. I also added two links to videos relating to the Gen3 inverter-converter-controller assembly as a video with a Gen3 hybrid demonstrator that more details the operations with the engine and MG's. If anyone wants me to update the Wiki, please don't be shy. That's the least I can do for now to support the community.
At first I was envisioning just connecting a 18HP B&S small engine to the CVT and tuning engine RPM for frequency and output was going to be interesting to adjust assuming like noted in the prior posts some big transformers or variacs as I don't want to deal with the thermal losses from wire wound or carbon pile resistors at those power levels... though at that time I had a very basic understanding of the analog system design, where now I see the requirement of the digital inverter designs to be more reasonable accommodating and safer.
Thanks everyone for your support and patience. I just committed to a gen2 Prius to pickup in a few days, so will most likely hit the local yard for a CVT and inverter-converter controller assembly to work with (or at least look at) concurrently while working on this Gen3 single and three phase mains inverter power supply goal that aligns with this post. ¯\_(ツ)_/¯
Update: I just bought the stupidest car, a 2006 Prius. Just missed one for $400, that drove off before I could get there. ¯\_(ツ)_/¯ Let me guess and yes, I found the most beat up gen 2 inverter/converter assembly for $25 to toy with along with a gen2 and gen3 throttle pedal with connector leads.
-
PrecisionAnalytic
- Posts: 20
- Joined: Sun Feb 19, 2023 2:09 am
- Has thanked: 8 times
- Been thanked: 1 time
Re: Car inverter as a 3 phase inverter ?
Is the LLC Resonant Mode Converter Design a way to go for cleaning up the signal? Appears LC network of some design... though I need to read into more as I've only worked on filters and filter simulation for RF filtering. These high power systems are another challenge with a history and not with the SPWM until more modern times.
Maybe there is a best smallest form factor modern approach?
Wondering..., though the expense will maybe be way more unless somewhere they're found common..., if there are better higher magnetic permeability inductor cores or core material (permalloy, ferrite, Mu metal, metglas, etc.) that can be found or produced to help bring the package size of the inductor(s) down? Seem the other materials are usually for higher than the 50-60Hz apps, though I don't know for certain.
Older welding machines transformer cores come to mind like the MOT cores, though is just a thought and I'm not very knowledgeable of these systems designs and calculations required... though appears very logical, clear and concise as I read around the theory for simulation work for like LC (pi & T?) and other harmonic filtering design.
Also, wondering about potting the inductors if the noise is an issue as I'm familiar with that being done for the audio and RF groups transformers... though again... another expense.
I just have to think 50-60Hz output signal. I know... though I didn't very detailed think about this application until recently.