Mitsubishi outlander charger and DC:DC
- aot93
- Posts: 212
- Joined: Mon Feb 15, 2021 5:45 pm
- Location: UK, West Sussex
- Has thanked: 8 times
- Been thanked: 49 times
Re: Mitsubishi outlander charger and DC:DC
Thanks Arber,
I will try sense directly to the 12v stud. Also I will try with a bigger battery, maybe the small motorbike battery is not what it's setup for??
I do handle AUX charging in code whilst the car is on charge, that all works well, I'm going to try adding something similar whilst the car is in drive.
HV is already on a fuse as per the OEM lay out.
I do find it interesting that the OEM setup uses two wires from the 12v stud to the battery, no joins just running parallel - so it may well be there is some kind of internal resistance measurement going on.
I will try sense directly to the 12v stud. Also I will try with a bigger battery, maybe the small motorbike battery is not what it's setup for??
I do handle AUX charging in code whilst the car is on charge, that all works well, I'm going to try adding something similar whilst the car is in drive.
HV is already on a fuse as per the OEM lay out.
I do find it interesting that the OEM setup uses two wires from the 12v stud to the battery, no joins just running parallel - so it may well be there is some kind of internal resistance measurement going on.
-
arber333
- Posts: 3660
- Joined: Mon Dec 24, 2018 1:37 pm
- Location: Slovenia
- Has thanked: 145 times
- Been thanked: 369 times
- Contact:
Re: Mitsubishi outlander charger and DC:DC
I too have to buy new aux battery. What i use now is 55Ah AGM battery which was rejected by Ampera hybrid. Evidently it changed iR sufficiently that car noticed and started to throw errors. But when i replaced it i tested it with load and it still performed really good at 1kW load.
I guess iR shows some faults before battery fails completely...
I guess iR shows some faults before battery fails completely...
- aot93
- Posts: 212
- Joined: Mon Feb 15, 2021 5:45 pm
- Location: UK, West Sussex
- Has thanked: 8 times
- Been thanked: 49 times
Re: Mitsubishi outlander charger and DC:DC
Thanks for the pointer connecting sense to output stud gets us to 14.5v
I've also added some code to my main loop, seems to work well pulling in the DC-DC only when needed. I've got a tiny AGM battery so hopefully this will extend the life a bit, and prevent any more overcharging incidents.
This runs every 30s and turns of the DC-DC if there the voltage is above 12.5v and current draw is low (as seen by the charger)
.85ish seem to be as low as it goes, interestingly at this point the charger stats making a high pitched noise.
Voltage and current is obtained from 0x377:
I've also added some code to my main loop, seems to work well pulling in the DC-DC only when needed. I've got a tiny AGM battery so hopefully this will extend the life a bit, and prevent any more overcharging incidents.
Code: Select all
if (timer30s_1.check()==1) //Check the DC-DC so we only enable when needed.
{
if (charger12vbattryVolts > 12.5) //Greater than 12.5 volts probably menas not much load let's check
{
if (charger12vCurrent < .85)
{
digitalWrite(OUT8, LOW);
}
}
else
{
digitalWrite(OUT8, HIGH);
}
}.85ish seem to be as low as it goes, interestingly at this point the charger stats making a high pitched noise.
Voltage and current is obtained from 0x377:
Code: Select all
void canRX_377(const CAN_message_t &msg)
{
charger12vbattryVolts = float(((msg.buf[0] * 256) + msg.buf[1]) * 0.01);
charger12vCurrent = float(((msg.buf[2] * 256) + msg.buf[3]) * 0.01);
chargerTemp1 = msg.buf[4] - 40;
chargerTemp2 = msg.buf[5] - 40;
chargerTemp3 = msg.buf[6] - 40;
chargerStatus = msg.buf[7];
avgChargerTemp = (chargerTemp1 + chargerTemp2 + chargerTemp3 + chargerTemp4) / 4;
}- EV_Builder
- Posts: 1205
- Joined: Tue Apr 28, 2020 3:50 pm
- Location: The Netherlands
- Has thanked: 18 times
- Been thanked: 37 times
- Contact:
Re: Mitsubishi outlander charger and DC:DC
ChargerTemp4 isn't assigned? Does that average work?
Converting an Porsche Panamera
see http://www.wdrautomatisering.nl for bespoke BMS modules.
see http://www.wdrautomatisering.nl for bespoke BMS modules.
- aot93
- Posts: 212
- Joined: Mon Feb 15, 2021 5:45 pm
- Location: UK, West Sussex
- Has thanked: 8 times
- Been thanked: 49 times
Re: Mitsubishi outlander charger and DC:DC
Charger temp 4 comes from 0x389.
Average temp is fairly useless though as the main heat sink temp is often much higher than the rest.
I have other functions that return peak temperature etc.
Average temp is fairly useless though as the main heat sink temp is often much higher than the rest.
I have other functions that return peak temperature etc.
Code: Select all
void canRX_389(const CAN_message_t &msg)
{
chargerHVbattryVolts = msg.buf[0] * 2; // Charger HV Battery Voltage
chargerACvolts = msg.buf[1];
chargerHVcurrent = msg.buf[2];
chargerTemp4 = msg.buf[4] - 40;
}-
arber333
- Posts: 3660
- Joined: Mon Dec 24, 2018 1:37 pm
- Location: Slovenia
- Has thanked: 145 times
- Been thanked: 369 times
- Contact:
Re: Mitsubishi outlander charger and DC:DC
Yes i use Charger and DCDC temp too, but with coolant inside thermal mass is sufficient for those 3minute bursts while car is not driving.
While charging i found it easier to simply turn on the pump and push the coolant through no mattery the temperature.
I experimented with charger temp commanding pump on but in really short time temp on primary would go from 20 to 80 so not much to do here...
- johu
- Site Admin
- Posts: 6969
- Joined: Thu Nov 08, 2018 10:52 pm
- Location: Kassel/Germany
- Has thanked: 455 times
- Been thanked: 1771 times
- Contact:
Re: Mitsubishi outlander charger and DC:DC
Just looked at the xls from Dilbert and in message 0x285 I see byte 4 rising from 0x7b (123 or 12.3?) to 0x8f (143 or 14.3) and then stays at 14.3. Could that be a voltage command for DC/DC? Will try tomorrow. Hard to believe that it cannot be controlled.
Support R/D and forum on Patreon: https://patreon.com/openinverter - Subscribe on odysee: https://odysee.com/@openinverter:9
- EV_Builder
- Posts: 1205
- Joined: Tue Apr 28, 2020 3:50 pm
- Location: The Netherlands
- Has thanked: 18 times
- Been thanked: 37 times
- Contact:
Re: Mitsubishi outlander charger and DC:DC
Yeah or it is the value measured at the battery?
Converting an Porsche Panamera
see http://www.wdrautomatisering.nl for bespoke BMS modules.
see http://www.wdrautomatisering.nl for bespoke BMS modules.
-
arber333
- Posts: 3660
- Joined: Mon Dec 24, 2018 1:37 pm
- Location: Slovenia
- Has thanked: 145 times
- Been thanked: 369 times
- Contact:
Re: Mitsubishi outlander charger and DC:DC
No this value is actually commanded by the battery VCU or BMS.
I must confess i set this up to transmitt by Timer4 DUE timing and thus independent from other CAN telegrams.
My byte4 is transmitting 0x91 = 145 which is almost 14.4 which i am getting from DCDC now.
Tomorrow i will setup this timer telegram for byte4 0x8C! Ill let you know...
-
arber333
- Posts: 3660
- Joined: Mon Dec 24, 2018 1:37 pm
- Location: Slovenia
- Has thanked: 145 times
- Been thanked: 369 times
- Contact:
Re: Mitsubishi outlander charger and DC:DC
I changed 0x285 byte4 to 0x8c and started the car.
For now i dont see any difference. Aux voltage is still 14.4V.
For now i dont see any difference. Aux voltage is still 14.4V.
- johu
- Site Admin
- Posts: 6969
- Joined: Thu Nov 08, 2018 10:52 pm
- Location: Kassel/Germany
- Has thanked: 455 times
- Been thanked: 1771 times
- Contact:
Re: Mitsubishi outlander charger and DC:DC
Same here... some other bytes are non-zero, will also try that.
This morning I realized that 16-bit data is big endian. That's why my aux voltage was reading all weird! I'd now confirm pin 4 being enable pin and pin 7 the sense pin
This morning I realized that 16-bit data is big endian. That's why my aux voltage was reading all weird! I'd now confirm pin 4 being enable pin and pin 7 the sense pin
Support R/D and forum on Patreon: https://patreon.com/openinverter - Subscribe on odysee: https://odysee.com/@openinverter:9
-
arber333
- Posts: 3660
- Joined: Mon Dec 24, 2018 1:37 pm
- Location: Slovenia
- Has thanked: 145 times
- Been thanked: 369 times
- Contact:
Re: Mitsubishi outlander charger and DC:DC
I have corrected wiki connections.
@dilbert can you correct your posts at the start of this thread?
Pin4 is aux voltage sense pin
Pin7 is DC SW pin to enable DCDC
@dilbert can you correct your posts at the start of this thread?
Pin4 is aux voltage sense pin
Pin7 is DC SW pin to enable DCDC
- aot93
- Posts: 212
- Joined: Mon Feb 15, 2021 5:45 pm
- Location: UK, West Sussex
- Has thanked: 8 times
- Been thanked: 49 times
Re: Mitsubishi outlander charger and DC:DC
Same here, changing b4 on 0x285 makes no difference.
On my charger Senses wire is pin 7, Green cable going to the charger,
12V IGN pin 8, Yellow cable.
Enable is on 4 - Grey Cable
On my charger Senses wire is pin 7, Green cable going to the charger,
12V IGN pin 8, Yellow cable.
Enable is on 4 - Grey Cable
-
arber333
- Posts: 3660
- Joined: Mon Dec 24, 2018 1:37 pm
- Location: Slovenia
- Has thanked: 145 times
- Been thanked: 369 times
- Contact:
Re: Mitsubishi outlander charger and DC:DC
Well what can i say... my dcdc directly responds to input from pin 7 and keeps active can connection via pin4.
Pin7 might well be OEM sense pin but for my application i use it as enable. While pin4 keeps dcdc can bus logic working so i can use its reports.
If i connect pin8 i also get charger reports.
Re: Mitsubishi outlander charger and DC:DC
Hi guys, has anyone managed to get this Mitsubishi LBC charging from AC without the use of an EVSE?
I have the unit on the bench connected to a Prius pack at 210V. Managed to get the DC to DC converter working, managed to get signals from a CAN, however sending the 0x285 and 0X286 messages doesn’t appear to work.
Does Pin 9 (Control Pilot) Require any particular input?
I have the unit on the bench connected to a Prius pack at 210V. Managed to get the DC to DC converter working, managed to get signals from a CAN, however sending the 0x285 and 0X286 messages doesn’t appear to work.
Does Pin 9 (Control Pilot) Require any particular input?
- celeron55
- Posts: 805
- Joined: Thu Jul 04, 2019 3:04 pm
- Location: Finland
- Has thanked: 38 times
- Been thanked: 136 times
- Contact:
Re: Mitsubishi outlander charger and DC:DC
You definitely need to generate a PWM input on the CP line in order for it to charge at all. Not sure how picky it is about the resistors or voltage levels. It's the normal EVSE stuff.
-
arber333
- Posts: 3660
- Joined: Mon Dec 24, 2018 1:37 pm
- Location: Slovenia
- Has thanked: 145 times
- Been thanked: 369 times
- Contact:
Re: Mitsubishi outlander charger and DC:DC
See here
https://leafdriveblog.wordpress.com/202 ... -parallel/
You need to supply 12V pwm signal of correct duty to pin 9. Charger will pull it in via its internal resistor circuit.
-
Alibro
- Posts: 1052
- Joined: Sun Feb 23, 2020 9:24 am
- Location: Northern Ireland
- Has thanked: 416 times
- Been thanked: 277 times
- Contact:
Re: Mitsubishi outlander charger and DC:DC
Have you seen Julian Iletts videos on his DIY EVSE?vin wrote: ↑Sun Sep 04, 2022 5:09 pm Hi guys, has anyone managed to get this Mitsubishi LBC charging from AC without the use of an EVSE?
I have the unit on the bench connected to a Prius pack at 210V. Managed to get the DC to DC converter working, managed to get signals from a CAN, however sending the 0x285 and 0X286 messages doesn’t appear to work.
Does Pin 9 (Control Pilot) Require any particular input?
Here is one of the series but they are all worth watching.
- Bratitude
- Posts: 1080
- Joined: Thu Jan 02, 2020 7:35 pm
- Location: Canada
- Has thanked: 222 times
- Been thanked: 413 times
- Contact:
Re: Mitsubishi outlander charger and DC:DC
just had a very close call with my 12v system, almost killed my 12v battery because of the dcdc cutting out at full pack voltage; it appears the dcdc cuts out at 397v on the HV bus.
https://bratindustries.net/ leaf motor couplers, adapter plates, custom drive train components
Re: Mitsubishi outlander charger and DC:DC
Help please,
I have an Outlander charger which I am using with a zombieverter and a GS450h. I am trying to communicate with the charger using an arduino Due. I have a moving car but my batteries are going to run down soon.
The charger was purchased a while ago before I knew that Damien was investigating VW chargers. I do not have the skills to get the Outlander charger to work. I do not want to use a leaf charger as it is to large to fit into my car. Also I am unsure as to how long the VW chargers will take to be functional.
I have read all of the info on the forum but I can't see a wiring diagram anywhere. I understand the DC/DC wiring but have not connected it in yet. I have tried to figure out the wiring from the wiki and from Arber333's github code.
I am assuming that the pins mentioned in the code are the Due pin numbers but that is as far as I can get.
Any help would be greatly appreciated.
I have an Outlander charger which I am using with a zombieverter and a GS450h. I am trying to communicate with the charger using an arduino Due. I have a moving car but my batteries are going to run down soon.
The charger was purchased a while ago before I knew that Damien was investigating VW chargers. I do not have the skills to get the Outlander charger to work. I do not want to use a leaf charger as it is to large to fit into my car. Also I am unsure as to how long the VW chargers will take to be functional.
I have read all of the info on the forum but I can't see a wiring diagram anywhere. I understand the DC/DC wiring but have not connected it in yet. I have tried to figure out the wiring from the wiki and from Arber333's github code.
I am assuming that the pins mentioned in the code are the Due pin numbers but that is as far as I can get.
Any help would be greatly appreciated.
-
m.art.y
- Posts: 672
- Joined: Sat Jun 06, 2020 6:54 pm
- Location: UK/EU
- Has thanked: 37 times
- Been thanked: 36 times
Re: Mitsubishi outlander charger and DC:DC
You just need to supply power to the charger and then connect CP (from your charge socket) and then 2 CAN lines from your Due's CAN transciever. Due does not have built in CAN transcievers so you need a shield that has them or as a bare minimum there are little boards with CAN treanscievers that you can wire to your Due very easily. And then you connect wires for DCDC.
- aot93
- Posts: 212
- Joined: Mon Feb 15, 2021 5:45 pm
- Location: UK, West Sussex
- Has thanked: 8 times
- Been thanked: 49 times
Re: Mitsubishi outlander charger and DC:DC
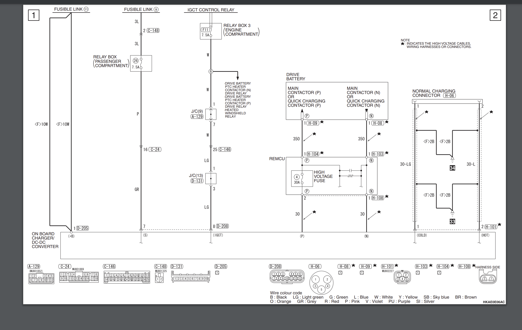
What sort of wiring diagram are you looking for?
I've posted the OEM wiring diagrams only a few posts up.
The Wiki page also has all the relevant info.
If you want to see an example of how I installed the charger in my conversion my diagrams are here:
https://oshwlab.com/aot93/mini-e-wiring
this is the relevant part:
I've posted the OEM wiring diagrams only a few posts up.
The Wiki page also has all the relevant info.
If you want to see an example of how I installed the charger in my conversion my diagrams are here:
https://oshwlab.com/aot93/mini-e-wiring
this is the relevant part:
-
arber333
- Posts: 3660
- Joined: Mon Dec 24, 2018 1:37 pm
- Location: Slovenia
- Has thanked: 145 times
- Been thanked: 369 times
- Contact:
Re: Mitsubishi outlander charger and DC:DC
I am sure you are capable enough to make it start. Considering you already put your car together...dadiowe wrote: ↑Sat Nov 26, 2022 10:09 am Help please,
I have an Outlander charger which I am using with a zombieverter and a GS450h. I am trying to communicate with the charger using an arduino Due. I have a moving car but my batteries are going to run down soon.
I have read all of the info on the forum but I can't see a wiring diagram anywhere. I understand the DC/DC wiring but have not connected it in yet. I have tried to figure out the wiring from the wiki and from Arber333's github code.
I am assuming that the pins mentioned in the code are the Due pin numbers but that is as far as I can get.
Any help would be greatly appreciated.
Outlander wiring diagram is on this thread, second post or maybe this one https://openinverter.org/forum/viewtopi ... 8566#p8566
Well the thing is DCDC and charger are one unit. They use single CAN control unit both. Also you need to connect 12V battery to DCDC for more comfortable experiments. Your 12V GND needs to be connected to charger case!
Also have HV connected to charger. I think the lower limit is 200Vdc, the upper is 400Vdc.
1. connect pin10 to GND
2. You supply wire on pin7 to 12V battery positive terminal to sense DCDC output.
3. Connect pin4 to 12V to start DCDC
This makes DCDC to turn on. No need for CAN bus
To get charger to work you need a combination of specific CAN telegrams
4. connect Pin8 to 12V to start charger logic
5. Provide a CP signal - 1kHz PWM at 25% duty - to Pin9. Normaly you just connect EVSE CP line here.
6. Provide CAN telegrams to start charger at 500kbps
a) enable telegram x285 at 30ms
b) charge request telegram 0x286 at 500ms
When integrating with DUE i use EVSE PP pin to pull down a specific pin on DUE and signal start for CAN telegrams
It is all written in this thread and on the wiki. From now on i will just refer to here...
https://openinverter.org/wiki/Mitsubish ... r_DCDC_OBC
https://leafdriveblog.wordpress.com/202 ... ger-tests/
https://leafdriveblog.wordpress.com/202 ... -parallel/
https://leafdriveblog.wordpress.com/202 ... e-control/
https://leafdriveblog.wordpress.com/202 ... l-part-ii/
Re: Mitsubishi outlander charger and DC:DC
Thank you guys for your help. I now have a basic charge system working.
Having re-read my post I can see that I did not make it clear that the pin connections I was unsure of were to the Arduino Due Shield
I will be using the Thunderstruck BMS to keep an "eye" on the charger and hope to be able to charge my 108s VW ID3 to as I understand it the maximum the charger can put out of 420v.
Having re-read my post I can see that I did not make it clear that the pin connections I was unsure of were to the Arduino Due Shield
I will be using the Thunderstruck BMS to keep an "eye" on the charger and hope to be able to charge my 108s VW ID3 to as I understand it the maximum the charger can put out of 420v.