Nissan Leaf A/C compressor 92600-3NF0A
Re: Nissan Leaf A/C compressor 92600-3NF0A
Hi DaveEV, Thanks for asking about my code. I apologize, once I finished this project, I moved on to some different projects and haven't programmed Arduino in a while. However, based on my recollection, I believe you are correct about pin 18. I don't remember exactly how pins 7 and 5 function. I'll have to find my original code, look at the arduino in my truck, and get back to you on this.
- DaveEV
- Posts: 14
- Joined: Thu Nov 10, 2022 6:15 am
- Has thanked: 16 times
- Been thanked: 5 times
- Contact:
Re: Nissan Leaf A/C compressor 92600-3NF0A
Thanks! I just setup github account at https://github.com/RERides-EV. I've made some mods to your code. Goal is to create modules based on controller/device. I can then #include modules for each component I add to a build. For this build, in addition to the Leaf AC compressor, I plan to add temp control potentiometer, instrument gauge potentiometer, VW Golf preheater element relays, and LeafCAN read. Hopefully it can be a starting place for a lot of people.
Re: Nissan Leaf A/C compressor 92600-3NF0A
Thank you, abetanco, for providing the code, and DaveEv for cleaning and restructuring it. Can it also run on the 92600-3NG0A?DaveEV wrote: ↑Mon Mar 24, 2025 11:23 pm Thanks! I just setup github account at https://github.com/RERides-EV. I've made some mods to your code. Goal is to create modules based on controller/device. I can then #include modules for each component I add to a build. For this build, in addition to the Leaf AC compressor, I plan to add temp control potentiometer, instrument gauge potentiometer, VW Golf preheater element relays, and LeafCAN read. Hopefully it can be a starting place for a lot of people.
Re: Nissan Leaf A/C compressor 92600-3NF0A
Thank you, DaveEV! Your code looks great, thanks for cleaning it up. I'll get back to you in the next couple of days with some more details on my system, for your interest. I'll try and include some photos.DaveEV wrote: ↑Mon Mar 24, 2025 11:23 pm Thanks! I just setup github account at https://github.com/RERides-EV. I've made some mods to your code. Goal is to create modules based on controller/device. I can then #include modules for each component I add to a build. For this build, in addition to the Leaf AC compressor, I plan to add temp control potentiometer, instrument gauge potentiometer, VW Golf preheater element relays, and LeafCAN read. Hopefully it can be a starting place for a lot of people.
Re: Nissan Leaf A/C compressor 92600-3NF0A
Hi DaveEV,DaveEV wrote: ↑Mon Mar 24, 2025 11:23 pm Thanks! I just setup github account at https://github.com/RERides-EV. I've made some mods to your code. Goal is to create modules based on controller/device. I can then #include modules for each component I add to a build. For this build, in addition to the Leaf AC compressor, I plan to add temp control potentiometer, instrument gauge potentiometer, VW Golf preheater element relays, and LeafCAN read. Hopefully it can be a starting place for a lot of people.
I looked into it and remembered some more information. Pin 5 is connected to the "SLP" (sleep, I believe) input on the LIN Transceiver. There are four inputs to the LIN transceiver: Rx, SLP, Tx, and GND. The Tx and Rx connect to the Rx and Tx, respectively, on the Arduino. I believe Tx on the arduino is PIN 18, which goes into the Rx on the LIN transceiver. I believe Pin 7 is the on/off switch, as you surmised. I don't remember what the SLP pin on the LIN transceiver does, but I read something about it a while back, and whatever it was made me decide to connect a +5V output from the Arduino to the SLP pin. Does anyone out there know?
I hope this helps, and sorry it's not more definite. Let me know if you have any more questions.
Also, I found my full code, which connects to a 4-position switch (Off, low, medium, and high speed for the compressor). I had to do it this way initially, since I wasn't sure which speed would be best. It turned out that "medium" (these speeds are relative - the actual potential speed range is much more broad) was best in my case, which I think corresponds to:
buf[0] = 0xb3;
buf[1] = 0x08;
cksum = 0xb7;
This project took me four months of obsessive reading, experimenting, and repeating. Hopefully it works for you! Let me know if you have any more questions, or if you would like to see my complete code for my system. I can post photos in the next couple of days, with more details, if anyone is interested.
- DaveEV
- Posts: 14
- Joined: Thu Nov 10, 2022 6:15 am
- Has thanked: 16 times
- Been thanked: 5 times
- Contact:
Re: Nissan Leaf A/C compressor 92600-3NF0A
That's really helpful! I haven't hooked anything up, but it sounds like I'll need a LIN transceiver instead of straight to the compressor. That makes much more sense and I saw a couple models earlier in the chat
@maiks, I'm not sure about any of the compressors. I imagine the code supports both. If I remember, the two compressors that I have a use slightly different mounts to the motor and alignment of HV plug. I'll check the model numbers I have and test both.
@maiks, I'm not sure about any of the compressors. I imagine the code supports both. If I remember, the two compressors that I have a use slightly different mounts to the motor and alignment of HV plug. I'll check the model numbers I have and test both.
Re: Nissan Leaf A/C compressor 92600-3NF0A
Yes, I think the purpose of the LIN transceiver is to convert the two-wire UART signal to a single-wire LIN signal. I got mine on Amazon. I think it was close to $20.DaveEV wrote: ↑Tue Mar 25, 2025 10:01 pm That's really helpful! I haven't hooked anything up, but it sounds like I'll need a LIN transceiver instead of straight to the compressor. That makes much more sense and I saw a couple models earlier in the chat
@maiks, I'm not sure about any of the compressors. I imagine the code supports both. If I remember, the two compressors that I have a use slightly different mounts to the motor and alignment of HV plug. I'll check the model numbers I have and test both.
Also, Some of the Leaf models use UART, some use LIN. I think the base models use UART. There is a great website with the manuals, I think I reference it somewhere above on the thread. The manuals cover both types of compressors.
- DaveEV
- Posts: 14
- Joined: Thu Nov 10, 2022 6:15 am
- Has thanked: 16 times
- Been thanked: 5 times
- Contact:
Re: Nissan Leaf A/C compressor 92600-3NF0A
That's really helpful. I didn't see the manual in this thread but I'll look elsewhere. I have the following models and will try to get both working. Nissan numbers are:
- 3NG0A: 4-wire (UART?) from 2014
- 5SA7B: 3-wire (LIN) from 2023
- 3NG0A: 4-wire (UART?) from 2014
- 5SA7B: 3-wire (LIN) from 2023
Re: Nissan Leaf A/C compressor 92600-3NF0A
Here is my previous post on where to find the manuals for the Nissan Leaf. Each subsystem within the vehicle has its own manual.abetanco wrote: ↑Wed Oct 30, 2024 6:12 pm Great work! I don't know, unfortunately, but I vaguely recall finding online that some similar compressors have an operating range of between 200 to 400 V DC. You could try checking out the service manuals, specifically the HA (Heater and Air Conditioning System) and HAC (Heater and Air Conditioning System Control) portions:
https://www.nicoclub.com/nissan-service-manuals
Otherwise, Mark Lines has some teardown reports that may be available free online.
-
m.art.y
- Posts: 713
- Joined: Sat Jun 06, 2020 6:54 pm
- Location: UK/EU
- Has thanked: 38 times
- Been thanked: 37 times
Re: Nissan Leaf A/C compressor 92600-3NF0A
I have lots of these aircon units for sale in UK/EU from Leafs 2017 onwards if anybody interested. Comes with some hoses as well. PM if interested. 
- PaulHeystee
- Posts: 141
- Joined: Mon Apr 12, 2021 10:26 am
- Location: Nederland
- Has thanked: 3 times
- Been thanked: 35 times
Re: Nissan Leaf A/C compressor 92600-3NF0A
I have also about 20 units here in NL, for anyone who is interested.
Re: Nissan Leaf A/C compressor 92600-3NF0A
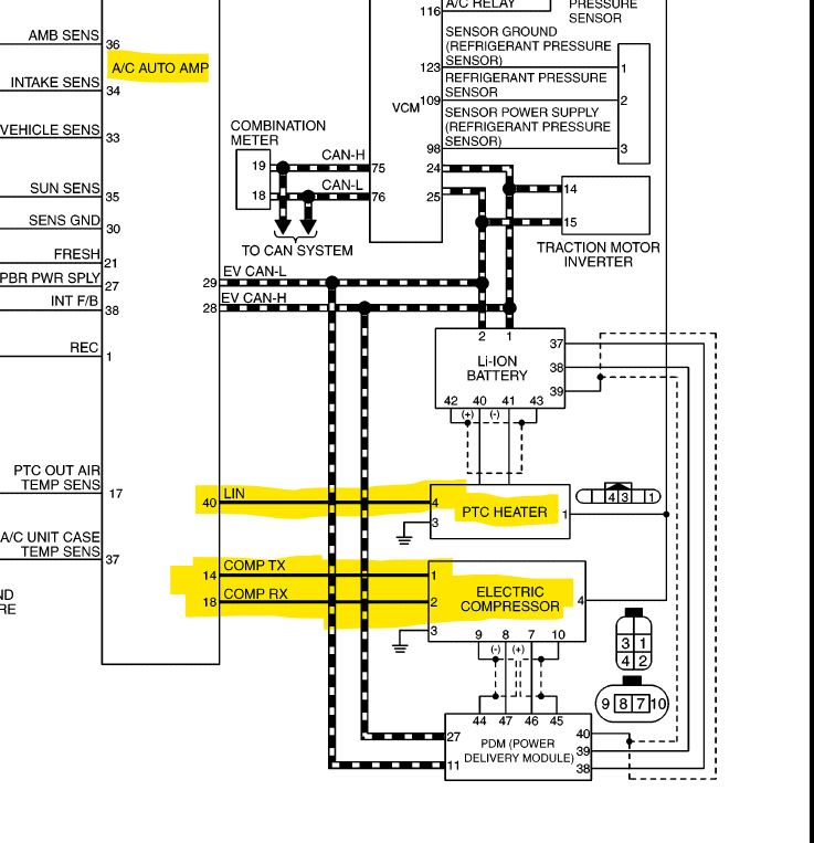
I've got a question for all on this thread. I noticed that the Nissan Leaf models without a heat pump do not have a direct LIN communication line to the compressor, but rather a "COMP_TX" and a "COMP_RX" to the compressor. These compressors are the Panasonic ones. It appears that the PTC Heater communicates directly, via LIN, to the A/C Auto Amp, which in turn communicates via two communication lines, one TX and one RX, to the compressor. So, it appears the A/C auto amp converts the LIN signal to a UART(?) signal that the compressor can understand. Does anyone know if the same LIN signals we've been discussing on this thread would work for the Panasonic Compressor? If so, how are these signals converted to the two-wire signal that the compressor understands? If not, any ideas?
-
CraziFuzzy
- Posts: 1
- Joined: Wed Apr 09, 2025 4:55 am
- Been thanked: 1 time
Re: Nissan Leaf A/C compressor 92600-3NF0A
I'm not sure there's any sort of direct translation going on here. The AC Auto Amp, I think, is doing the actual climate control job (as well as other things), so it's simply controlling the heater and/or compressor as required/desired. I don't think there is any specific corrolation between the LIN commands previously posted and what the non-lin compressors 'speak.' This is likely a call for all new 'sniffing' to be done on those Tx/Rx lines.
I'm a new lurker here... actually not ready to do a full EV conversion - but am interested in using an EV AC compressor + battery pack for a different specific project (camper).
I'm a new lurker here... actually not ready to do a full EV conversion - but am interested in using an EV AC compressor + battery pack for a different specific project (camper).
Re: Nissan Leaf A/C compressor 92600-3NF0A
I have a Nissan Leaf A/C compressor, model 92600-3NG0A, which has 4 low-voltage wires. Based on my setup and testing, I believe it's not a LIN-based compressor, but rather a UART-controlled version.CraziFuzzy wrote: ↑Wed Apr 09, 2025 5:04 am I'm not sure there's any sort of direct translation going on here. The AC Auto Amp, I think, is doing the actual climate control job (as well as other things), so it's simply controlling the heater and/or compressor as required/desired. I don't think there is any specific corrolation between the LIN commands previously posted and what the non-lin compressors 'speak.' This is likely a call for all new 'sniffing' to be done on those Tx/Rx lines.
I'm a new lurker here... actually not ready to do a full EV conversion - but am interested in using an EV AC compressor + battery pack for a different specific project (camper).
I've connected the wires as follows:
Black wire → GND
White wire → +12V
Blue wire → Compressor TX → Arduino RX (pin 19)
Yellow wire → Compressor RX → Arduino TX (pin 18)
I’ve also connected the high-voltage (HV) lines appropriately and used the following Arduino code to communicate with it. However, the compressor does not respond or operate.
Could you help identify what might be wrong with the setup or code? Any guidance would be appreciated.
#define EVAP_VOLTAGE_7_PIN 7
const int BAUD = 19200;
uint8_t buf[8];
void setup() {
pinMode(EVAP_VOLTAGE_7_PIN, INPUT_PULLUP); // Use button/sensor to control
pinMode(5, OUTPUT); // Debug LED or optional output
Serial.begin(115200); // For USB serial monitor
Serial1.begin(BAUD); // For UART communication with compressor
Serial.println("UART direct control mode started");
}
void loop() {
// Read incoming data from compressor and print it (if any)
while (Serial1.available()) {
uint8_t incoming = Serial1.read();
Serial.print("Received byte: 0x");
Serial.println(incoming, HEX);
}
// Read control input
int status = digitalRead(EVAP_VOLTAGE_7_PIN);
if (status == HIGH) {
// Command to turn ON the compressor
buf[0] = 0xB3;
buf[1] = 0x0C;
Serial.println("Compressor ON");
} else {
// Command to turn OFF the compressor
buf[0] = 0xB2;
buf[1] = 0x00;
Serial.println("Compressor OFF");
}
// Common frame structure
buf[2] = 0x00;
buf[3] = 0x90;
buf[4] = 0xFF;
buf[5] = 0x00;
buf[6] = 0x00;
buf[7] = 0x00;
// Send 8-byte command
Serial1.write(buf, 8);
// Debug: print command
Serial.print("Sent: ");
for (int i = 0; i < 8; i++) {
Serial.print("0x");
Serial.print(buf, HEX);
Serial.print(" ");
}
Serial.println();
delay(200); // Delay between command loops
}
Re: Nissan Leaf A/C compressor 92600-3NF0A
I'm not sure how the UART ones work, wish I could help more with this. Perhaps CraziFuzzy can help, or someone else on this thread. I am also confused about whether or not there is LIN to UART translation for the UART compressors. CraziFuzzy thinks that there is new sniffing that must be done for these, and I believe this may be correct.
- Proton
- Posts: 366
- Joined: Sat May 06, 2023 2:23 am
- Location: Georgia/US
- Has thanked: 227 times
- Been thanked: 57 times
Re: Nissan Leaf A/C compressor 92600-3NF0A
I am kinda on this AC step too. is this solution working?
Re: Nissan Leaf A/C compressor 92600-3NF0A
Compressor with square power connector is from non heat pump version of aze0 leaf. Named Panasonic. It speaking through uart at baud=600 with ODD parity pit and one stopbit. it sends string starting from AA and ends by CC.
40 is bit that Vin more than 128v. 11 is signed byte for rest voltage. Currently not have access to leaf for sniff.
Code: Select all
AA 00 00 00 40 11 00 00 3A 00 00 00 6B CC
Re: Nissan Leaf A/C compressor 92600-3NF0A
HELLO ALLS! Cath protocol to ZE1 nissan leaf compressor DENSO ESB27C WITH HEAT PUMP!
All it needs - read his status at MSG 0x49 with long 0 every 10ms - he answers like 00 00 B3 00 00 00 07 5E when stopped where B3 Vdc
When adding send every 100 ms message id 47 8 length with content like this - DC 05 FD FF FF FF FF FF - it starts where 05 ВС is speed(reversed byte iorde ! 02 ANY is stop and maximum i see is 0D AC! And it works!
Whet it turning - it sends to 49 like this AC 0D B3 2C 20 00 07 63 where b3 is dc voltage, 0D AC like current and 63 corresponding to temperature
in our trace at time 33,3017192 i turn AC on and at time 40,8859636 i turn it off. at time 42,7048596 - i turn on with 31.5 С climate and it turns very slow and after i lover setted temperature and at 47,5001220 i turn off climate.
All it needs - read his status at MSG 0x49 with long 0 every 10ms - he answers like 00 00 B3 00 00 00 07 5E when stopped where B3 Vdc
When adding send every 100 ms message id 47 8 length with content like this - DC 05 FD FF FF FF FF FF - it starts where 05 ВС is speed(reversed byte iorde ! 02 ANY is stop and maximum i see is 0D AC! And it works!
Whet it turning - it sends to 49 like this AC 0D B3 2C 20 00 07 63 where b3 is dc voltage, 0D AC like current and 63 corresponding to temperature
in our trace at time 33,3017192 i turn AC on and at time 40,8859636 i turn it off. at time 42,7048596 - i turn on with 31.5 С climate and it turns very slow and after i lover setted temperature and at 47,5001220 i turn off climate.
- Attachments
-
- ze1 HP AC on trace.rar
- (84.39 KiB) Downloaded 63 times
Re: Nissan Leaf A/C compressor 92600-3NF0A
Yes please for both. I’m still confused about the pin connections is it pin 5 to SLP or +5V? What pin is Rx on the Arduino? How does a 4 way switch integrate with this etc? A few photos and the full code would be very helpful. Thanks.