Leaf PDM with Zombie charge not restarting unless Zombie is power cycled

Post Reply
Rustybkts
Posts: 104
Joined: Wed Apr 24, 2024 4:00 pm
Has thanked: 17 times
Been thanked: 11 times

Leaf PDM with Zombie charge not restarting unless Zombie is power cycled

Post by Rustybkts »

Charging very stable but if unplugged, will not restart unless the Zombie is power cycled.

Water pump starts and all parameters correct with charging selected and EVSE detects the car is plugged in but no amps.

Charging starts normally after a Zombie power cycle. Does not require the PDM to be power cycled.

Tried with and without the 2.7K type 1 socket resistance.
User avatar
tom91
Posts: 2962
Joined: Fri Mar 01, 2019 9:15 pm
Location: Bicester, Oxfordshire
Has thanked: 328 times
Been thanked: 847 times

Re: Leaf PDM with Zombie charge not restarting unless Zombie is power cycled

Post by tom91 »

Logs....

Again as mentioned in all your other threads, the correct waking and shutting down of the CAN and thus the devices is being trialed. The findings are good and should help resolve issues like this.

I am surprised no one else has had this issue before or mentioned this. So there are two options:
1. Something is unique in your setup causing issues
2. Others have not reported issues if they had them

Also provide more info, which generation of Leaf PDM.
Creator of SimpBMS
Founder Volt Influx https://www.voltinflux.com/
Webstore: https://citini.com/
Rustybkts
Posts: 104
Joined: Wed Apr 24, 2024 4:00 pm
Has thanked: 17 times
Been thanked: 11 times

Re: Leaf PDM with Zombie charge not restarting unless Zombie is power cycled

Post by Rustybkts »

Gen 2 2015 PDM and inverter. Tried a second identical one which repeats the same issues.

One thing to take away is that the 2.7k socket resistor is necessary as the PDM does not sense when the plug is out and keeps the water pump etc running and stays in charge mode.
Maybe the first time a Granny or 16A lead has been used which sends 0x84 instead of 0x88.

Happy to await the update now that all is working as the car is still up in the air.
maiks
Posts: 96
Joined: Thu May 11, 2023 9:20 am
Has thanked: 7 times
Been thanked: 5 times

Re: Leaf PDM with Zombie charge not restarting unless Zombie is power cycled

Post by maiks »

Rustybkts wrote: Sun Jan 26, 2025 3:37 pm Charging very stable but if unplugged, will not restart unless the Zombie is power cycled.

Water pump starts and all parameters correct with charging selected and EVSE detects the car is plugged in but no amps.

Charging starts normally after a Zombie power cycle. Does not require the PDM to be power cycled.

Tried with and without the 2.7K type 1 socket resistance.
Mine when EVSE is connected it goes into charge mode but it doesn't charge, After checking ,l found out that the ev relay wasn't starting to power up the pdm so l connected a switch that l use to power it up during charging
Rustybkts
Posts: 104
Joined: Wed Apr 24, 2024 4:00 pm
Has thanked: 17 times
Been thanked: 11 times

Re: Leaf PDM with Zombie charge not restarting unless Zombie is power cycled

Post by Rustybkts »

Curiouser and curiouser!

That doesn't work for me and the ignition relay isn't powered up when it does charge which I assume is correct anyway.

Just power cycling the Zombie before plugging in works every time.

Will do some CAN logs of when it charges and when it doesn't.
User avatar
tom91
Posts: 2962
Joined: Fri Mar 01, 2019 9:15 pm
Location: Bicester, Oxfordshire
Has thanked: 328 times
Been thanked: 847 times

Re: Leaf PDM with Zombie charge not restarting unless Zombie is power cycled

Post by tom91 »

Rustybkts wrote: Mon Jan 27, 2025 2:54 pm ignition relay isn't powered up when it does charge
It should be if you are using a leaf inverter and having shunt type set to 0.
Creator of SimpBMS
Founder Volt Influx https://www.voltinflux.com/
Webstore: https://citini.com/
User avatar
tom91
Posts: 2962
Joined: Fri Mar 01, 2019 9:15 pm
Location: Bicester, Oxfordshire
Has thanked: 328 times
Been thanked: 847 times

Re: Leaf PDM with Zombie charge not restarting unless Zombie is power cycled

Post by tom91 »

maiks wrote: Mon Jan 27, 2025 11:58 am l found out that the ev relay wasn't starting to power up the pdm
You could have an output like HVactive control a relay if you are using a shunt.
Creator of SimpBMS
Founder Volt Influx https://www.voltinflux.com/
Webstore: https://citini.com/
maiks
Posts: 96
Joined: Thu May 11, 2023 9:20 am
Has thanked: 7 times
Been thanked: 5 times

Re: Leaf PDM with Zombie charge not restarting unless Zombie is power cycled

Post by maiks »

tom91 wrote: Mon Jan 27, 2025 3:36 pm You could have an output like HVactive control a relay if you are using a shunt.
Thank you. I don't think I fully understand. Could you please provide more details?
User avatar
tom91
Posts: 2962
Joined: Fri Mar 01, 2019 9:15 pm
Location: Bicester, Oxfordshire
Has thanked: 328 times
Been thanked: 847 times

Re: Leaf PDM with Zombie charge not restarting unless Zombie is power cycled

Post by tom91 »

maiks wrote: Mon Jan 27, 2025 3:46 pm Thank you. I don't think I fully understand. Could you please provide more details?
You can set an output to HVactive, this means the output is active when the ZombieVerter is in Run or Charge Mode
There is more explanation on the wiki: https://openinverter.org/wiki/ZombieVer ... _functions
Creator of SimpBMS
Founder Volt Influx https://www.voltinflux.com/
Webstore: https://citini.com/
maiks
Posts: 96
Joined: Thu May 11, 2023 9:20 am
Has thanked: 7 times
Been thanked: 5 times

Re: Leaf PDM with Zombie charge not restarting unless Zombie is power cycled

Post by maiks »

tom91 wrote: Mon Jan 27, 2025 3:48 pm You can set an output to HVactive, this means the output is active when the ZombieVerter is in Run or Charge Mode
There is more explanation on the wiki: https://openinverter.org/wiki/ZombieVer ... _functions
thank you . let me check it out
Rustybkts
Posts: 104
Joined: Wed Apr 24, 2024 4:00 pm
Has thanked: 17 times
Been thanked: 11 times

Re: Leaf PDM with Zombie charge not restarting unless Zombie is power cycled

Post by Rustybkts »

Attached are log files when the plug has been re-inserted after charging and doesn't re-start along with log files after the Zombie has been power cycled and charging initiates correctly.
My install has the ISA shunt so doesn't require the ignition relay to be enabled.
Also attached some stills of the messages with fixed positions which is sometimes easier to read than a log.
Attachments
Plug in No charge.txt
(353.63 KiB) Downloaded 480 times
Plug in charging.txt
(459.83 KiB) Downloaded 438 times
Plugged in and charging after Zombi power cycle
Plugged in and charging after Zombi power cycle
Plugged in but not charging
Plugged in but not charging
Before plugging in
Before plugging in
User avatar
tom91
Posts: 2962
Joined: Fri Mar 01, 2019 9:15 pm
Location: Bicester, Oxfordshire
Has thanked: 328 times
Been thanked: 847 times

Re: Leaf PDM with Zombie charge not restarting unless Zombie is power cycled

Post by tom91 »

Rustybkts wrote: Mon Jan 27, 2025 5:39 pm My install has the ISA shunt so doesn't require the ignition relay to be enabled.
It does for the charger.
Creator of SimpBMS
Founder Volt Influx https://www.voltinflux.com/
Webstore: https://citini.com/
Rustybkts
Posts: 104
Joined: Wed Apr 24, 2024 4:00 pm
Has thanked: 17 times
Been thanked: 11 times

Re: Leaf PDM with Zombie charge not restarting unless Zombie is power cycled

Post by Rustybkts »

tom91 wrote: Mon Jan 27, 2025 5:40 pm It does for the charger.
My shunt Type is set to 1
User avatar
tom91
Posts: 2962
Joined: Fri Mar 01, 2019 9:15 pm
Location: Bicester, Oxfordshire
Has thanked: 328 times
Been thanked: 847 times

Re: Leaf PDM with Zombie charge not restarting unless Zombie is power cycled

Post by tom91 »

tom91 wrote: Mon Jan 27, 2025 3:36 pm You could have an output like HVactive control a relay if you are using a shunt.
Creator of SimpBMS
Founder Volt Influx https://www.voltinflux.com/
Webstore: https://citini.com/
Rustybkts
Posts: 104
Joined: Wed Apr 24, 2024 4:00 pm
Has thanked: 17 times
Been thanked: 11 times

Re: Leaf PDM with Zombie charge not restarting unless Zombie is power cycled

Post by Rustybkts »

tom91 wrote: Mon Jan 27, 2025 5:52 pm
I don't understand.
The wiring diagram doesn't mention a HV active relay is required when using an ISA shunt and Leaf PDM.

Charging works correctly as long as the Zombie is power cycled after a charge has been initiated then stopped.
User avatar
tom91
Posts: 2962
Joined: Fri Mar 01, 2019 9:15 pm
Location: Bicester, Oxfordshire
Has thanked: 328 times
Been thanked: 847 times

Re: Leaf PDM with Zombie charge not restarting unless Zombie is power cycled

Post by tom91 »

Rustybkts wrote: Mon Jan 27, 2025 6:02 pm The wiring diagram doesn't mention a HV active relay is required when using an ISA shunt and Leaf PDM.
Is not matched to the latest release V2.20. You can now do Leaf Inverter and PDM without a shunt.

You need to switch power to the inverter and PDM, to put them to sleep properly.
However currently release does not do the CAN bus correctly, hence you needing to cycle the Zombie also to stop the CAN traffic fully.

Once the new release is done, I will assist someone in drawing up diagrams that match the firmware version.
Creator of SimpBMS
Founder Volt Influx https://www.voltinflux.com/
Webstore: https://citini.com/
User avatar
jerrykco
Posts: 183
Joined: Thu Dec 12, 2019 5:32 pm
Location: United States, Colorado
Has thanked: 252 times
Been thanked: 43 times
Contact:

Re: Leaf PDM with Zombie charge not restarting unless Zombie is power cycled

Post by jerrykco »

tom91 wrote: Mon Jan 27, 2025 3:48 pm You can set an output to HVactive, this means the output is active when the ZombieVerter is in Run or Charge Mode
There is more explanation on the wiki: https://openinverter.org/wiki/ZombieVer ... _functions
When I read through the doc above: The Enclosure Kit with Header, connector and pins link is not found. Are there enclosures available anywhere else?
Jerry Kauffman
jerryk48 at gmail dot com
User avatar
Bratitude
Posts: 1156
Joined: Thu Jan 02, 2020 7:35 pm
Location: Canada
Has thanked: 246 times
Been thanked: 469 times
Contact:

Re: Leaf PDM with Zombie charge not restarting unless Zombie is power cycled

Post by Bratitude »

jerrykco wrote: Wed May 14, 2025 7:59 pm When I read through the doc above: The Enclosure Kit with Header, connector and pins link is not found. Are there enclosures available anywhere else?

It’s a European link, so North American folks just search for the connectors in Ali express and they will show up.
https://bratindustries.net/ leaf motor couplers, adapter plates, custom drive train components
User avatar
Bratitude
Posts: 1156
Joined: Thu Jan 02, 2020 7:35 pm
Location: Canada
Has thanked: 246 times
Been thanked: 469 times
Contact:

Re: Leaf PDM with Zombie charge not restarting unless Zombie is power cycled

Post by Bratitude »

tom91 wrote: Mon Jan 27, 2025 6:13 pm Is not matched to the latest release V2.20. You can now do Leaf Inverter and PDM without a shunt.

….

Once the new release is done, I will assist someone in drawing up diagrams that match the firmware version.
https://openinverter.org/wiki/Leaf_stac ... ombiverter

Is this not correct?

I’m confused on which part needs changing/ updating
https://bratindustries.net/ leaf motor couplers, adapter plates, custom drive train components
User avatar
robertwa
Posts: 204
Joined: Tue Apr 13, 2021 3:32 am
Location: San Diego, CA
Has thanked: 145 times
Been thanked: 195 times

Re: Leaf PDM with Zombie charge not restarting unless Zombie is power cycled

Post by robertwa »

jerrykco wrote: Wed May 14, 2025 7:59 pm When I read through the doc above: The Enclosure Kit with Header, connector and pins link is not found. Are there enclosures available anywhere else?
Try this one:
https://www.aliexpress.us/item/22618000 ... ry_from%3A
Building: 1964 International Scout 80. LS600H transmission with ZombieVerter, B250e battery pack
User avatar
tom91
Posts: 2962
Joined: Fri Mar 01, 2019 9:15 pm
Location: Bicester, Oxfordshire
Has thanked: 328 times
Been thanked: 847 times

Re: Leaf PDM with Zombie charge not restarting unless Zombie is power cycled

Post by tom91 »

Bratitude wrote: Thu May 15, 2025 3:16 am Is this not correct?

I’m confused on which part needs changing/ updating
At this point who knows, there have been so many people claiming there were issues. But they all have gone quiet and there are now a few examples of people using Nissan Leaf stacks who have stopped reporting issues.
Creator of SimpBMS
Founder Volt Influx https://www.voltinflux.com/
Webstore: https://citini.com/
User avatar
J0hannes
Posts: 158
Joined: Sat Nov 11, 2023 10:29 am
Location: Finland
Has thanked: 21 times
Been thanked: 182 times

Re: Leaf PDM with Zombie charge not restarting unless Zombie is power cycled

Post by J0hannes »

I'll try to chime in sometime soon.
Getting my Suzuki MOT'd was quite a crunch for the past few weeks until the D-day, so been trying to recover and return to "normal" mode of operation :)

I have had seemingly random issues, but most of them are exactly that and I haven't taken logs or been too systematic on getting the data needed.
So not very useful to report this way without logs or params, right?

When you say switch power, do you mean all +12V to Inverter and PDM, including the permanent 12V lines?
tom91 wrote: Mon Jan 27, 2025 6:13 pm You need to switch power to the inverter and PDM, to put them to sleep properly.
However currently release does not do the CAN bus correctly, hence you needing to cycle the Zombie also to stop the CAN traffic fully.

Once the new release is done, I will assist someone in drawing up diagrams that match the firmware version.
For example, I charged the battery first time to "full", but Leaf battery seemed to top up at 97,x% and the charging became erratic/intermittent--> meaning it started, ramped up the current and dropepd to zero. For this a CAN log is exactly what would be needed to get an understanding on what's going on.

Took a video at the time, but no other context available. You can hear some relay clicking in the video, probably in the PDM?
Haven't charged to "full" again, since for now I've been charging only two-three times when I have had the possibility to check how it's going (no over night charges for this reason)


Precharge has sometimes failed or sometimes it seems that ZV mashes all contactors on, sometimes precharge fails seemingly random and sometimes only powercycling the VCU helps.
The way I have this powered up (should) be as it is on wiki with the exception that I have also Leaf battery on same CAN.
Once zombieverter cuts the Inverter on relay, a random value is left for example on inverter UDC, how this relates to starting up next time seems to matter as inverter wakes up at a different rate to the precharge sequence and I got a feeling that after charging for example, precharge fails as Inverter doesn't power up quick enough to update the garbage UDC value left in INVudc after charging. Or something like that.

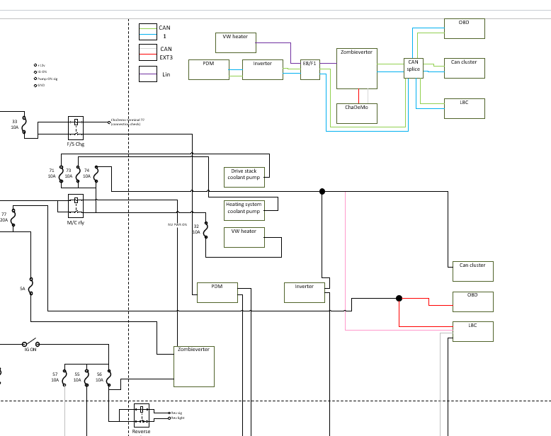
I've been also drafting a schematic for myself and one idea was to share this once I get it "right" meaning all the indicators, relays, etc work as intended. Also started to do a system level diagram, but that is more unfinished than the full blown wiring diagram. Snips intentionally blurry as these may not be correct NOR represent the reality that I currently have wired up in my setup. For this reason they should not be used for any reference at this point in time :twisted:
image.png
image.png
image.png
To sum it up, I can't say that I have a problem free setup, but chasing the issues are something that is on my list.
User avatar
tom91
Posts: 2962
Joined: Fri Mar 01, 2019 9:15 pm
Location: Bicester, Oxfordshire
Has thanked: 328 times
Been thanked: 847 times

Re: Leaf PDM with Zombie charge not restarting unless Zombie is power cycled

Post by tom91 »

Yea logs would be needed for each issues, along with params and can logs.

Then I can dive into each situation and review the unexpected behaviours.

Nice diagram, once you are happy we can add it to the Wiki as a proven example wiring diagram.
Creator of SimpBMS
Founder Volt Influx https://www.voltinflux.com/
Webstore: https://citini.com/
User avatar
jerrykco
Posts: 183
Joined: Thu Dec 12, 2019 5:32 pm
Location: United States, Colorado
Has thanked: 252 times
Been thanked: 43 times
Contact:

Re: Leaf PDM with Zombie charge not restarting unless Zombie is power cycled

Post by jerrykco »

robertwa wrote: Thu May 15, 2025 4:34 am Try this one:
https://www.aliexpress.us/item/22618000 ... ry_from%3A
Doing some searches and contacting the vendor, I found the part that is prewired.
https://www.aliexpress.us/item/2255801027254586.html
Wired ZombieVerter Box.jpg
Note the $57+ additional charge for me in the USA.
Jerry Kauffman
jerryk48 at gmail dot com
Post Reply