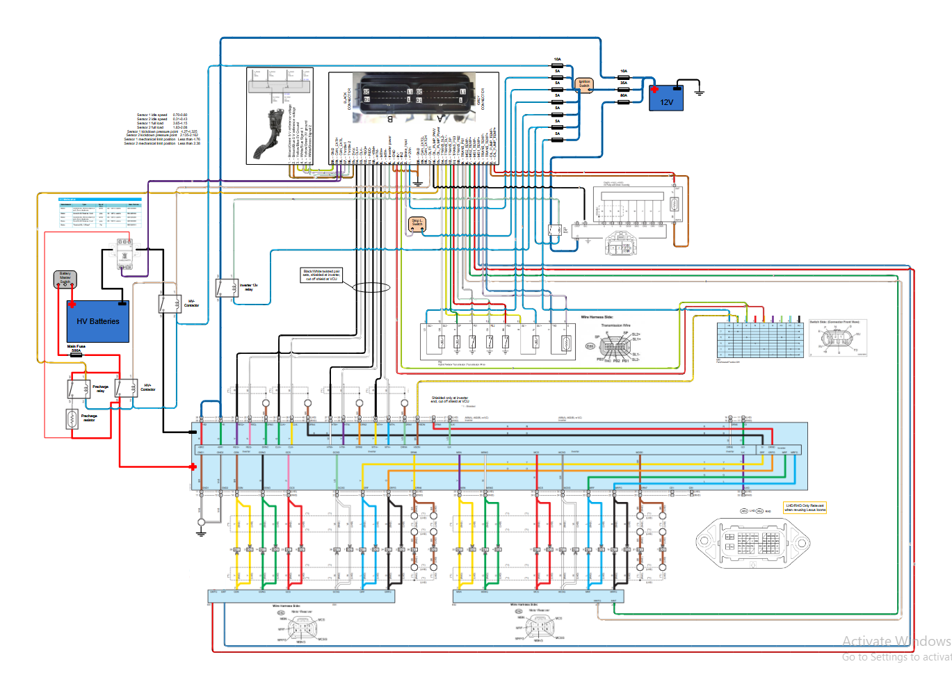
Nice! I'll go to pick n pul, see if I can get one.to play around with.PatrcioEV-ATX wrote: ↑Mon Jul 01, 2024 2:12 am Yes, this one is cable driven and I use it move the gear selector. Bonus, when I drop in L, it shifts the transmission into Low. I'm using the B position on the gear selector to power a relay that grounds SL1/2.
So you can change hi/low as you wish?
I think the zombie can be programmed to change at a certain rpm only. You find the low gear useful?
I see you are selling your car, good luck with the sale.!