Writing application for Stm32F105 @ 25 MHz

User avatar
Bigpie
Posts: 1845
Joined: Wed Apr 10, 2019 8:11 pm
Location: South Yorkshire, UK
Has thanked: 89 times
Been thanked: 481 times

Writing application for Stm32F105 @ 25 MHz

Post by Bigpie »

Will this bootloader work on a STM32F105?
Want to attempt to run one of the cheap aliexpress can bridges with the openinv ecosystem https://dangerouspayload.com/2020/03/10 ... er-device/
BMW E91 2006
ZombieVerter
GS450h
Outlander Charger DC/DC
Outlander Compressor
Renault Kangoo 36kWh battery
FOCCCI CCS
User avatar
johu
Site Admin
Posts: 6968
Joined: Thu Nov 08, 2018 10:52 pm
Location: Kassel/Germany
Has thanked: 454 times
Been thanked: 1771 times
Contact:

Re: Combined CAN and Serial boot loader

Post by johu »

Yes. Just have to pay attention to use the correct UART and CAN perhaps with the correct pin remap
Support R/D and forum on Patreon: https://patreon.com/openinverter - Subscribe on odysee: https://odysee.com/@openinverter:9
Mitchy
Posts: 139
Joined: Sun Nov 14, 2021 12:16 pm
Has thanked: 7 times
Been thanked: 84 times

Re: Combined CAN and Serial boot loader

Post by Mitchy »

Bigpie wrote: Mon Oct 07, 2024 8:42 am Will this bootloader work on a STM32F105?
Want to attempt to run one of the cheap aliexpress can bridges with the openinv ecosystem https://dangerouspayload.com/2020/03/10 ... er-device/
You may need to swap the crystal (or modify the code for 25 MHz)
Currently have a few crystals in my mouser cart, waiting until I get enough random parts cached up to qualify for free shipping :lol:

I can confirm the bootloader works with the F107 64 pin parts as well; however to get zombie code working, it seems you need to disable a call to GPIO E ports, in case you're looking to do something similar.
User avatar
johu
Site Admin
Posts: 6968
Joined: Thu Nov 08, 2018 10:52 pm
Location: Kassel/Germany
Has thanked: 454 times
Been thanked: 1771 times
Contact:

Re: Combined CAN and Serial boot loader

Post by johu »

The boot loader uses the internal oscillator
you want to write a bootloader based on template? Or your app?

The app you can of course modify to 25 MHz. It's just important that the core frequency remains at 72 MHz because CAN relies on it. But as far as I remember from the Olimex proto board that is sorted
Support R/D and forum on Patreon: https://patreon.com/openinverter - Subscribe on odysee: https://odysee.com/@openinverter:9
User avatar
Bigpie
Posts: 1845
Joined: Wed Apr 10, 2019 8:11 pm
Location: South Yorkshire, UK
Has thanked: 89 times
Been thanked: 481 times

Re: Combined CAN and Serial boot loader

Post by Bigpie »

I want to use the template to make a can gateway so that I can update it over can. I've got the bootloader running on it now. Moved to UART 4. Next up hello world with template
BMW E91 2006
ZombieVerter
GS450h
Outlander Charger DC/DC
Outlander Compressor
Renault Kangoo 36kWh battery
FOCCCI CCS
User avatar
Bigpie
Posts: 1845
Joined: Wed Apr 10, 2019 8:11 pm
Location: South Yorkshire, UK
Has thanked: 89 times
Been thanked: 481 times

Re: Combined CAN and Serial boot loader

Post by Bigpie »

Code: Select all

#define RCC_CLOCK_SETUP() rcc_clock_setup_in_hse_25mhz_out_72mhz()
I'm not all that familiar with the lower level stuff, but I guess it's needs more than this to configure.
BMW E91 2006
ZombieVerter
GS450h
Outlander Charger DC/DC
Outlander Compressor
Renault Kangoo 36kWh battery
FOCCCI CCS
royhen99
Posts: 262
Joined: Sun Feb 20, 2022 4:23 am
Location: N. Wiltshire. UK
Has thanked: 22 times
Been thanked: 133 times

Re: Combined CAN and Serial boot loader

Post by royhen99 »

That should work. I run STM32F105 with 16MHz clock and that is all that is needed, if not using the RTC.
User avatar
Bigpie
Posts: 1845
Joined: Wed Apr 10, 2019 8:11 pm
Location: South Yorkshire, UK
Has thanked: 89 times
Been thanked: 481 times

Re: Combined CAN and Serial boot loader

Post by Bigpie »

Must have messed something up then, though the bootloader is working, and can flash my app, but once it boots the uart isn't working.

I've updated the Terminal to use UART 4 and

Code: Select all

 { UART4,  DMA2, DMA_CHANNEL5, DMA_CHANNEL3, GPIOC, GPIO_UART4_TX,  GPIOC, GPIO_UART4_RX },
Probably off topic for this thread now though
BMW E91 2006
ZombieVerter
GS450h
Outlander Charger DC/DC
Outlander Compressor
Renault Kangoo 36kWh battery
FOCCCI CCS
royhen99
Posts: 262
Joined: Sun Feb 20, 2022 4:23 am
Location: N. Wiltshire. UK
Has thanked: 22 times
Been thanked: 133 times

Re: Combined CAN and Serial boot loader

Post by royhen99 »

For UART4 you also need to enable DMA2 clock in hwint.cpp

rcc_periph_clock_enable(RCC_DMA2);
User avatar
Bigpie
Posts: 1845
Joined: Wed Apr 10, 2019 8:11 pm
Location: South Yorkshire, UK
Has thanked: 89 times
Been thanked: 481 times

Re: Combined CAN and Serial boot loader

Post by Bigpie »

Got it working on the UART web interface now, thanks, that did it.
BMW E91 2006
ZombieVerter
GS450h
Outlander Charger DC/DC
Outlander Compressor
Renault Kangoo 36kWh battery
FOCCCI CCS
User avatar
Bigpie
Posts: 1845
Joined: Wed Apr 10, 2019 8:11 pm
Location: South Yorkshire, UK
Has thanked: 89 times
Been thanked: 481 times

Re: Writing application for Stm32F105 @ 25 MHz

Post by Bigpie »

Got a strange issue in that the update get stuck at 5%. Any pointers as to where to look?
Attachments
FailingUpdate.csv
(3.33 KiB) Downloaded 662 times
BMW E91 2006
ZombieVerter
GS450h
Outlander Charger DC/DC
Outlander Compressor
Renault Kangoo 36kWh battery
FOCCCI CCS
User avatar
johu
Site Admin
Posts: 6968
Joined: Thu Nov 08, 2018 10:52 pm
Location: Kassel/Germany
Has thanked: 454 times
Been thanked: 1771 times
Contact:

Re: Writing application for Stm32F105 @ 25 MHz

Post by johu »

Not quite sure, is it complaining about crc? It asks for it and afterwards something seems to go wrong. CRC clock enabled? What do you use to send the update?
Support R/D and forum on Patreon: https://patreon.com/openinverter - Subscribe on odysee: https://odysee.com/@openinverter:9
User avatar
Bigpie
Posts: 1845
Joined: Wed Apr 10, 2019 8:11 pm
Location: South Yorkshire, UK
Has thanked: 89 times
Been thanked: 481 times

Re: Writing application for Stm32F105 @ 25 MHz

Post by Bigpie »

Just using the esp32 webui can backend, that works with other nodes so should be ok.
https://github.com/jamiejones85/stm32-C ... /BlueBoard is what I've changed so far. The CRC clock is enabled
BMW E91 2006
ZombieVerter
GS450h
Outlander Charger DC/DC
Outlander Compressor
Renault Kangoo 36kWh battery
FOCCCI CCS
User avatar
johu
Site Admin
Posts: 6968
Joined: Thu Nov 08, 2018 10:52 pm
Location: Kassel/Germany
Has thanked: 454 times
Been thanked: 1771 times
Contact:

Re: Writing application for Stm32F105 @ 25 MHz

Post by johu »

Now back on my computer. Looked at the log a bit closer.

So we see a couple of hello messages in the beginning, apparently there is no valid firmware in flash. Then we see the reset command to node id 0x2D. Then another hello message, then the update trigger, request for size (0x53) which is answered with 0x14, then request for the page (0x50), answered with 8 bytes of binary data. This repeats 21 times but should repeat 128 times. So there's the problem.

Subsequently we see request for CRC (0x43) answered with some CRC and then CRC error (0x45). Now weirdly again request for CRC while really we'd want to see request for page (0x50). So something really goes wrong with the sequencing.

Maybe the CAN link is really bad and many frames are lost?
Support R/D and forum on Patreon: https://patreon.com/openinverter - Subscribe on odysee: https://odysee.com/@openinverter:9
User avatar
Bigpie
Posts: 1845
Joined: Wed Apr 10, 2019 8:11 pm
Location: South Yorkshire, UK
Has thanked: 89 times
Been thanked: 481 times

Re: Writing application for Stm32F105 @ 25 MHz

Post by Bigpie »

There's no firmware on, it boots in to firmware and gives params if I flash the bin with stlink. https://github.com/jamiejones85/stm32-CANBridge
It's pretty strange, I can use the UART to flash if there's no firmware on there, but once theres firmware it wont flash with UART, just hangs at Upload Complete, manually restarting the stm32 doesn't kick off the update.

editing out the CRC check doesn't complete the flashing either.

Code: Select all

case CRC:
      currentWord = 0;
      crc_reset();
      // if (words[0] == crc)
      // {
         numPages--;
         if (numPages == 0)
         {
            state = DONE;
         }
         else
         {
            state = PROGRAM;
         }
      // }
      // else
      // {
      //    send_byte('E');
      //    state = PAGE;
      // }
      break;
I'm wondering, given its price and source, that the STM32 might be a fake?
BMW E91 2006
ZombieVerter
GS450h
Outlander Charger DC/DC
Outlander Compressor
Renault Kangoo 36kWh battery
FOCCCI CCS
User avatar
johu
Site Admin
Posts: 6968
Joined: Thu Nov 08, 2018 10:52 pm
Location: Kassel/Germany
Has thanked: 454 times
Been thanked: 1771 times
Contact:

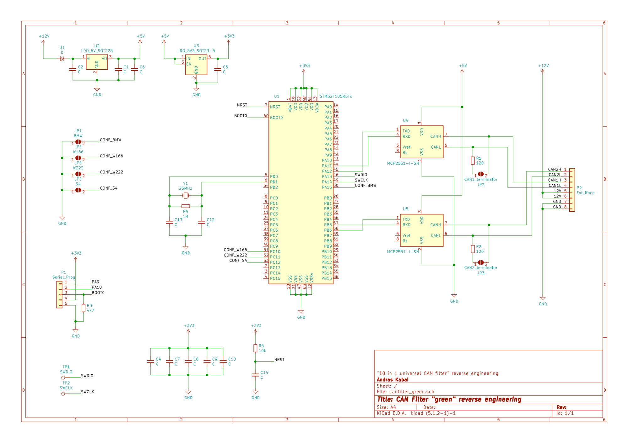
Re: Writing application for Stm32F105 @ 25 MHz

Post by johu »

It would then work pretty well for a fake... In the schematic it seems like nothing is connected to the Rs pin of the transceivers so it would essentially be disabled. Which it isn't but maybe it doesn't work well like that? Try grounding Rs (Pin 8)
grafik.png
Support R/D and forum on Patreon: https://patreon.com/openinverter - Subscribe on odysee: https://odysee.com/@openinverter:9
royhen99
Posts: 262
Joined: Sun Feb 20, 2022 4:23 am
Location: N. Wiltshire. UK
Has thanked: 22 times
Been thanked: 133 times

Re: Writing application for Stm32F105 @ 25 MHz

Post by royhen99 »

The schematic above is for the "green board" and it looks like pin 8 is actually connected to 0V. The blue board uses TJA1042, pin 8 is standby and also appears to be connected to 0V on the board.
User avatar
Bigpie
Posts: 1845
Joined: Wed Apr 10, 2019 8:11 pm
Location: South Yorkshire, UK
Has thanked: 89 times
Been thanked: 481 times

Re: Writing application for Stm32F105 @ 25 MHz

Post by Bigpie »

So using the python script when there's firmware on there:

Code: Select all

python updater.py --device /dev/tty.wchusbserial1420 --file ~/code/stm32-CANBridge/stm32_canbridge.bin 
File length is 19992 bytes/20 pages
Resetting device...
Sending number of pages...
Sending page 0... 
Sending page 0... 
Sending page 0... 
Sending page 0... 
Sending page 0... 
Sending page 0... 
Sending page 0... 
Sending page 0... 
Sending page 0... 

Do a full chip erase and put just the boot loader on

Code: Select all

File length is 19992 bytes/20 pages
Resetting device...
Version 2 bootloader, sending magic
Sending number of pages...
Sending page 0... CRC correct!
Sending page 1... CRC correct!
Sending page 2... CRC correct!
Sending page 3... CRC correct!
Sending page 4... CRC correct!
Sending page 5... CRC correct!
Sending page 6... CRC correct!
Sending page 7... CRC correct!
Sending page 8... CRC correct!
Sending page 9... CRC correct!
Sending page 10... CRC correct!
Sending page 11... CRC correct!
Sending page 12... CRC correct!
Sending page 13... CRC correct!
Sending page 14... CRC correct!
Sending page 15... CRC correct!
Sending page 16... CRC correct!
Sending page 17... CRC correct!
Sending page 18... CRC correct!
Sending page 19... CRC correct!
Update done!

Then try flashing again

Code: Select all

File length is 19992 bytes/20 pages
Resetting device...
Sending number of pages...
Sending page 0... 
Sending page 0... 
Sending page 0... 
Sending page 0... 
Sending page 0... 
Sending page 0... 
Sending page 0... 
Sending page 0... 
Sending page 0... 
Sending page 0... 
Sending page 0... 
Sending page 0... 
Sending page 0... 

"Version 2 bootloader, sending magic is" is the obvious difference, now to workout why.
I've dumped the memory for both and the bootloader remains the same, but not getting any UART output (22222...) once the firmware is on there.
Attachments
stm32_canbridge.bin
(19.52 KiB) Downloaded 680 times
stm32_canloader.bin
(3.86 KiB) Downloaded 708 times
FULLCHIP-AFTERUARTUPDATE.bin
(125 KiB) Downloaded 551 times
FULLCHIP-ONLYBOOTLOADER.bin
(125 KiB) Downloaded 600 times
BMW E91 2006
ZombieVerter
GS450h
Outlander Charger DC/DC
Outlander Compressor
Renault Kangoo 36kWh battery
FOCCCI CCS
User avatar
johu
Site Admin
Posts: 6968
Joined: Thu Nov 08, 2018 10:52 pm
Location: Kassel/Germany
Has thanked: 454 times
Been thanked: 1771 times
Contact:

Re: Writing application for Stm32F105 @ 25 MHz

Post by johu »

Maybe it's not taking the reset command.
If you open a console and send "reset" do you get the "2" output once?
Likewise if you send the reset command via CAN (just copy the 0x62D message from your log earlier)

Otherwise it's normal it stops 2222ing because once and application is on there it isn't constantly resetting
Support R/D and forum on Patreon: https://patreon.com/openinverter - Subscribe on odysee: https://odysee.com/@openinverter:9
User avatar
Bigpie
Posts: 1845
Joined: Wed Apr 10, 2019 8:11 pm
Location: South Yorkshire, UK
Has thanked: 89 times
Been thanked: 481 times

Re: Writing application for Stm32F105 @ 25 MHz

Post by Bigpie »

No, I don't get the single 2 and no response to the reset or json command. Very strange.
BMW E91 2006
ZombieVerter
GS450h
Outlander Charger DC/DC
Outlander Compressor
Renault Kangoo 36kWh battery
FOCCCI CCS
User avatar
johu
Site Admin
Posts: 6968
Joined: Thu Nov 08, 2018 10:52 pm
Location: Kassel/Germany
Has thanked: 454 times
Been thanked: 1771 times
Contact:

Re: Writing application for Stm32F105 @ 25 MHz

Post by johu »

So something is fishy with the terminal?

Just wondering, where is libopeninv in your project? Have you made any changes to it?

Also surprised you had to manually add UART4 to the terminal as it's already in there in the most recent version (and tested with Olimex STM32-P107)
Support R/D and forum on Patreon: https://patreon.com/openinverter - Subscribe on odysee: https://odysee.com/@openinverter:9
User avatar
Bigpie
Posts: 1845
Joined: Wed Apr 10, 2019 8:11 pm
Location: South Yorkshire, UK
Has thanked: 89 times
Been thanked: 481 times

Re: Writing application for Stm32F105 @ 25 MHz

Post by Bigpie »

Screenshot 2024-10-21 at 1.30.11 pm.png
Still digging at this,

So if I've got just the bootloader on using openocd/gdb to step though, everything executes as expected.

If theres any firmware, then in the bootloader hwinit.cpp in can_setup() on the line nvic_enable_irq(NVIC_USB_LP_CAN_RX0_IRQ); it seems reboots.
Screenshot 2024-10-21 at 1.31.13 pm.png
And this is without firmware
Screenshot 2024-10-21 at 1.49.09 pm.png
BMW E91 2006
ZombieVerter
GS450h
Outlander Charger DC/DC
Outlander Compressor
Renault Kangoo 36kWh battery
FOCCCI CCS
User avatar
Bigpie
Posts: 1845
Joined: Wed Apr 10, 2019 8:11 pm
Location: South Yorkshire, UK
Has thanked: 89 times
Been thanked: 481 times

Re: Writing application for Stm32F105 @ 25 MHz

Post by Bigpie »

Ok so the bootloader is too large.
Screenshot 2024-10-21 at 1.52.19 pm.png
Need to shrink it.
BMW E91 2006
ZombieVerter
GS450h
Outlander Charger DC/DC
Outlander Compressor
Renault Kangoo 36kWh battery
FOCCCI CCS
WillK
Posts: 21
Joined: Tue Aug 18, 2020 8:11 pm
Has thanked: 53 times
Been thanked: 8 times

Re: Writing application for Stm32F105 @ 25 MHz

Post by WillK »

I've been playing with the blue board too, managed to follow Jamie's work successfully

- Built the bootloader from https://github.com/jamiejones85/stm32-C ... /BlueBoard

- uploaded to blue board using an stlink v2 (a bit of faffing there, but with combination of stm32cube & blackmagic debug app got it flashed using the SWD connection)

- bootloader as built was sub 4k (3988 bytes) so didn't experience the issues above.

- built Jamies CANBridge demo app at https://github.com/jamiejones85/stm32-CANBridge (just need a couple of missing git submodules to build)

- uploaded to blueboard over CAN using the esp32 webui on lilygo (https://github.com/jamiejones85/esp32-w ... ilygo_tcan)

- success - CAN messages on each blueboard interface, persists through power cycles,

i've still a lot to learn about the OI ecosystems, and not really figured out how nodeIds are assigned yet.

Fantastic work Jamie, think this will be a really useful and very cost-effective little board for CAN bridge /filter/ MITM.
Mitchy
Posts: 139
Joined: Sun Nov 14, 2021 12:16 pm
Has thanked: 7 times
Been thanked: 84 times

Re: Writing application for Stm32F105 @ 25 MHz

Post by Mitchy »

Just want to say thanks to Jamie for pulling this together.

Confirmed the above links and instruction from WillK work to get started.
  • Compiled Bootloader from 'BlueBoard' repo - No size issues, compiled using LinuxMint
  • Flashed Bootloader, but needed to use CubeProgrammer to disable flash lock, after which could wipe chip, used windows for this.
  • Compiled the Can-Bridge code using LinuxMint - All good
  • Confirmed Web Interface operational
  • Continued to Steal Zombie and Simp code (thanks Tom & Jon Volk) to hack together a "functional" Volt/Ampera Gen1 BMS controller
Hoping to leverage this to make a interface for the VW chargers next.


One query I have is after programming/flashing, I need to fully power cycle things before SDO/CAN come back.
Likely some Init is missing, but if anyone noticed a similar issue and has a fix, would save me some time in trial and error.
Post Reply