VW electric coolant heater
-
golfdubcrazy
- Posts: 86
- Joined: Thu Jan 28, 2021 6:15 pm
- Has thanked: 1 time
- Been thanked: 11 times
VW electric coolant heater
HI,
Does anyone have the LIN control signals for the VW / Audi GTE Etron coolant heater.
Does anyone have the LIN control signals for the VW / Audi GTE Etron coolant heater.
- muehlpower
- Posts: 750
- Joined: Fri Oct 11, 2019 10:51 am
- Location: Germany Fürstenfeldbruck
- Has thanked: 17 times
- Been thanked: 168 times
Re: VW electric coolant heater
I got it working and posted my results in the VW A/C Compressor tread.
https://openinverter.org/forum/viewtopi ... 604#p26604
https://openinverter.org/forum/viewtopi ... 604#p26604
-
golfdubcrazy
- Posts: 86
- Joined: Thu Jan 28, 2021 6:15 pm
- Has thanked: 1 time
- Been thanked: 11 times
Re: VW electric coolant heater
Thanks @muehlpower sorry i miss that message. i will add it to the wiki 
-
arber333
- Posts: 3660
- Joined: Mon Dec 24, 2018 1:37 pm
- Location: Slovenia
- Has thanked: 145 times
- Been thanked: 368 times
- Contact:
Re: VW electric coolant heater
I found the correct cable for HV is 3Q0971475 or 5Q0971475. The point is to use the side with a single indent, the other side i intend to cut and fit solar connectors.
LV connector looks like it is Webasto 1J0973714 8P type? Anyone has more data?
LV connector looks like it is Webasto 1J0973714 8P type? Anyone has more data?
-
arber333
- Posts: 3660
- Joined: Mon Dec 24, 2018 1:37 pm
- Location: Slovenia
- Has thanked: 145 times
- Been thanked: 368 times
- Contact:
Re: VW electric coolant heater
I put basic data to Wiki under heaters.muehlpower wrote: ↑Sat Jan 22, 2022 7:39 pm I got it working and posted my results in the VW A/C Compressor tread.
https://openinverter.org/forum/viewtopi ... 604#p26604
https://openinverter.org/wiki/Heaters
Also i found a video explanation about LIN bus
https://www.csselectronics.com/pages/li ... tro-basics
Is there a way to sense temperature from LIN bus? I would like to read LIN bus for temperature and reduce power at 50deg and shutoff power for 55deg.
-
arber333
- Posts: 3660
- Joined: Mon Dec 24, 2018 1:37 pm
- Location: Slovenia
- Has thanked: 145 times
- Been thanked: 368 times
- Contact:
Re: VW electric coolant heater
@muehlpowermuehlpower wrote: ↑Sat Jan 22, 2022 7:39 pm I got it working and posted my results in the VW A/C Compressor tread.
Can you post here what speed and period did you use with your LIN protocol for the VW heater?
I have tried to get LIN data from the heater but i couldnt get response from it. I am using Microchip LIN Serial Analyzer.
It is true i havent yet connected heater to HV because i need to connect water hoses and pump to have a cooled system.
-
m.art.y
- Posts: 672
- Joined: Sat Jun 06, 2020 6:54 pm
- Location: UK/EU
- Has thanked: 37 times
- Been thanked: 36 times
Re: VW electric coolant heater
Hi, does anybody know if this heater works above 400v? ~425-430V would be ideal 
- muehlpower
- Posts: 750
- Joined: Fri Oct 11, 2019 10:51 am
- Location: Germany Fürstenfeldbruck
- Has thanked: 17 times
- Been thanked: 168 times
Re: VW electric coolant heater
This is the manufacturer. On the picture it looks a bit different than the VW part, but the voltage is given as 450V
http://datasheets.dbk-worldwide.com/EN/ ... er_eng.pdf
-
m.art.y
- Posts: 672
- Joined: Sat Jun 06, 2020 6:54 pm
- Location: UK/EU
- Has thanked: 37 times
- Been thanked: 36 times
Re: VW electric coolant heater
Thanks, there are no part numbers listed anywhere. Would this heater from VW e-UP/e-Golf would be from the same family and work with the same code? Thanks againmuehlpower wrote: ↑Sun Jun 18, 2023 2:02 pm This is the manufacturer. On the picture it looks a bit different than the VW part, but the voltage is given as 450V
http://datasheets.dbk-worldwide.com/EN/ ... er_eng.pdf
- muehlpower
- Posts: 750
- Joined: Fri Oct 11, 2019 10:51 am
- Location: Germany Fürstenfeldbruck
- Has thanked: 17 times
- Been thanked: 168 times
Re: VW electric coolant heater
The Eberspächer heater is installed in my e-Golf. The LV plug is 8 pin. Pin 1 = Red/White, Pin 2 = Brown, Pin 4 = Violet/Yellow, Pin 5 = Green/Violet, Pin 7 = Black/Green. The rest is unoccupied.
The connector appears to be the same as the DBK, but the pinout is definitely different.
The connector appears to be the same as the DBK, but the pinout is definitely different.
-
m.art.y
- Posts: 672
- Joined: Sat Jun 06, 2020 6:54 pm
- Location: UK/EU
- Has thanked: 37 times
- Been thanked: 36 times
Re: VW electric coolant heater
Hi, I have a DBK and Ebersprächer heaters side by side here and the pin locations and pin count is the same - both have 5 pins on the LV connector. Did your DBK only had 3 pins or the rest are not used?muehlpower wrote: ↑Tue Jul 04, 2023 2:52 pm The Eberspächer heater is installed in my e-Golf. The LV plug is 8 pin. Pin 1 = Red/White, Pin 2 = Brown, Pin 4 = Violet/Yellow, Pin 5 = Green/Violet, Pin 7 = Black/Green. The rest is unoccupied.
The connector appears to be the same as the DBK, but the pinout is definitely different.
- muehlpower
- Posts: 750
- Joined: Fri Oct 11, 2019 10:51 am
- Location: Germany Fürstenfeldbruck
- Has thanked: 17 times
- Been thanked: 168 times
Re: VW electric coolant heater
VAG DBK heater Pin1 = 12V, Pin2 = GND, Pin4 = LIN
VAG AC Kompressor Pin2 = LIN, Pin5 = GND, Pin8 = 12V (same connector, different pins)
Eberspächer heater Pin 1 = Red/White, Pin 2 = Brown, Pin 4 = Violet/Yellow, (Pin 5 = Green/Violet, Pin 7 = Black/Green)
Pin2 = Brown = GND -> OK
Pin1 = Red/White = 12V -> probably
Pin4 = Violet/Yellow = LIN -> possible
my DBK also has 5 pins, only 3 are occupied.
VAG AC Kompressor Pin2 = LIN, Pin5 = GND, Pin8 = 12V (same connector, different pins)
Eberspächer heater Pin 1 = Red/White, Pin 2 = Brown, Pin 4 = Violet/Yellow, (Pin 5 = Green/Violet, Pin 7 = Black/Green)
Pin2 = Brown = GND -> OK
Pin1 = Red/White = 12V -> probably
Pin4 = Violet/Yellow = LIN -> possible
my DBK also has 5 pins, only 3 are occupied.
- tom91
- Posts: 2753
- Joined: Fri Mar 01, 2019 9:15 pm
- Location: Bristol
- Has thanked: 264 times
- Been thanked: 717 times
Re: VW electric coolant heater
muehlpower, thank you for all your work on this.
Seeing the spec of the heater being upto 5/7kW. The LIN control message only has on byte for power level request, this means we can only request 2.5kW. Has anyone been able to get more out of the heater then the 2.5kW.
Is it possible that Byte one contains more then just the on off bit to allow "boosting" of the power.
Seeing the spec of the heater being upto 5/7kW. The LIN control message only has on byte for power level request, this means we can only request 2.5kW. Has anyone been able to get more out of the heater then the 2.5kW.
Is it possible that Byte one contains more then just the on off bit to allow "boosting" of the power.
-
golfdubcrazy
- Posts: 86
- Joined: Thu Jan 28, 2021 6:15 pm
- Has thanked: 1 time
- Been thanked: 11 times
Re: VW electric coolant heater
Hi Tom,tom91 wrote: ↑Fri Mar 15, 2024 11:45 am muehlpower, thank you for all your work on this.
Seeing the spec of the heater being upto 5/7kW. The LIN control message only has on byte for power level request, this means we can only request 2.5kW. Has anyone been able to get more out of the heater then the 2.5kW.
Is it possible that Byte one contains more then just the on off bit to allow "boosting" of the power.
i think there has been an error in the wiki. meuhlpowers post says "Byte 0 is power. 13 for 770W, 26 for 1540W"
this equates to 60w per bit. so value of 100 would equal 6kw.
when i decoded the can messages from the receive side it was in amps. value of 100 = 25amps at 350v = 8.75kw
so you should be able to get full output from this. i will try run a test this weekend to confirm.
Best Regards
Mayur
- tom91
- Posts: 2753
- Joined: Fri Mar 01, 2019 9:15 pm
- Location: Bristol
- Has thanked: 264 times
- Been thanked: 717 times
Re: VW electric coolant heater
I updated this yesterday, power is in % 0-100, any value above it shuts down. I updated the Wiki.
-
golfdubcrazy
- Posts: 86
- Joined: Thu Jan 28, 2021 6:15 pm
- Has thanked: 1 time
- Been thanked: 11 times
Re: VW electric coolant heater
I'm confused. have you sent an output of 100% to your heater and only got an output of 2.5kw ? if so can i ask what voltage you where running the heater at ? as it does have a recommended power range.
- tom91
- Posts: 2753
- Joined: Fri Mar 01, 2019 9:15 pm
- Location: Bristol
- Has thanked: 264 times
- Been thanked: 717 times
Re: VW electric coolant heater
Before the wiki said it was a power request in Watts and not %.
The requested 100% resulted in 13.5A draw at +/-365V or 5kW draw. So this is good and is as per expectation.
Also confirmed the heater self regulates if it gets too hot, the test setup was not bled properly. I did not create it I just made the software to run it.
-
golfdubcrazy
- Posts: 86
- Joined: Thu Jan 28, 2021 6:15 pm
- Has thanked: 1 time
- Been thanked: 11 times
Re: VW electric coolant heater
i pulled these from the LDF files on the site.
looks like there an extra value we can transmit which is ramp rate in a unit of watts per second.
PTCe_01: 28, HCP4_uC2_1, 4 {
TME_NV_PTC_soll, 0;
TME_NV_PTC_ein, 8;
TME_NV_PTC_Rampe, 9;
}
PTCs_01: 48, PTC1, 8 {
NV_PTC_I_ist, 0;
NV_PTC_P_ist, 8;
NV_PTC_Status, 16;
NV_PTC_Status_PTC, 17;
NV_PTC_Status_UBatt, 19;
PTC_ResponseError, 21;
NV_PTC_TimeOut_Fehler, 22;
NV_PTC_HW, 24;
NV_PTC_SW, 28;
NV_PTC_UBatt, 32;
NV_PTC_Temp_PCB, 40;
}
PTCs_02: 49, PTC1, 8 {
NV_PTC_EOL_Seriennummer, 0;
NV_PTC_EOL_Wochentag, 32;
NV_PTC_EOL_Woche, 40;
NV_PTC_EOL_Jahr, 48;
}
TME_NV_PTC_ein_encoding {
logical_value, 0, "Aus";
logical_value, 1, "Ein";
}
TME_NV_PTC_Rampe_encoding {
physical_value, 0, 7, 50, 0, "Unit_WattPerSecon";
}
TME_NV_PTC_soll_encoding {
logical_value, 254, "Init";
logical_value, 255, "Fehler";
physical_value, 0, 253, 10, 0, "Unit_Watt";
}
looks like there an extra value we can transmit which is ramp rate in a unit of watts per second.
PTCe_01: 28, HCP4_uC2_1, 4 {
TME_NV_PTC_soll, 0;
TME_NV_PTC_ein, 8;
TME_NV_PTC_Rampe, 9;
}
PTCs_01: 48, PTC1, 8 {
NV_PTC_I_ist, 0;
NV_PTC_P_ist, 8;
NV_PTC_Status, 16;
NV_PTC_Status_PTC, 17;
NV_PTC_Status_UBatt, 19;
PTC_ResponseError, 21;
NV_PTC_TimeOut_Fehler, 22;
NV_PTC_HW, 24;
NV_PTC_SW, 28;
NV_PTC_UBatt, 32;
NV_PTC_Temp_PCB, 40;
}
PTCs_02: 49, PTC1, 8 {
NV_PTC_EOL_Seriennummer, 0;
NV_PTC_EOL_Wochentag, 32;
NV_PTC_EOL_Woche, 40;
NV_PTC_EOL_Jahr, 48;
}
TME_NV_PTC_ein_encoding {
logical_value, 0, "Aus";
logical_value, 1, "Ein";
}
TME_NV_PTC_Rampe_encoding {
physical_value, 0, 7, 50, 0, "Unit_WattPerSecon";
}
TME_NV_PTC_soll_encoding {
logical_value, 254, "Init";
logical_value, 255, "Fehler";
physical_value, 0, 253, 10, 0, "Unit_Watt";
}
-
golfdubcrazy
- Posts: 86
- Joined: Thu Jan 28, 2021 6:15 pm
- Has thanked: 1 time
- Been thanked: 11 times
Re: VW electric coolant heater
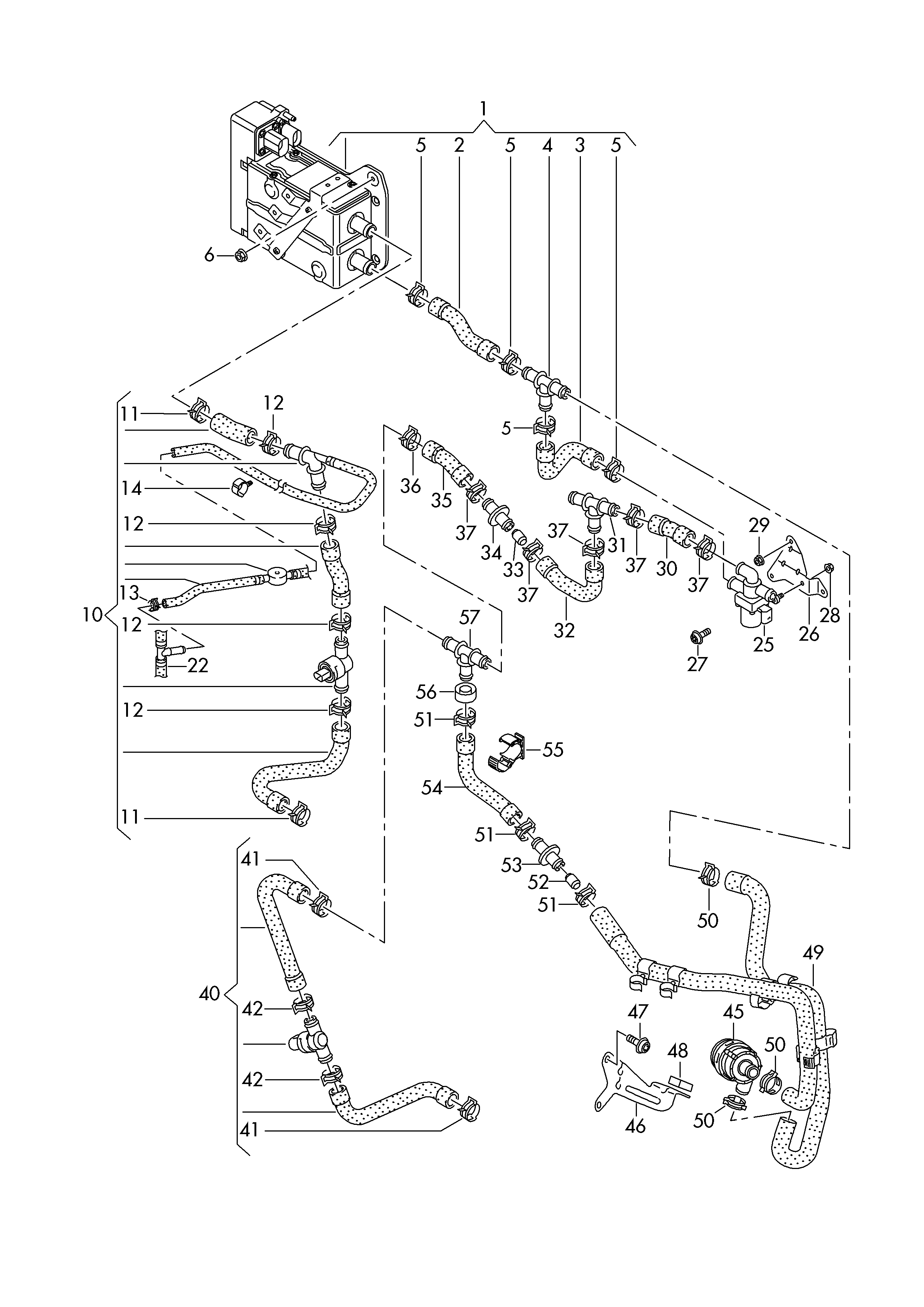
Hi, looks like the coolant to heater is the lower pipe and heater to heater matrix is normally the top, depending on which way you heater is mounted. this is the diagrams from a e-golf and golf gte
E-Golf Golf GTE
E-Golf Golf GTE
-
alexbeatle
- Posts: 289
- Joined: Sun Jan 03, 2021 6:12 am
- Has thanked: 77 times
- Been thanked: 31 times
Re: VW electric coolant heater
A crude, but an alternative approach to controlling a smart coolant heater. In this example it's VW heater.
https://www.youtube.com/watch?v=GNSf8Qj ... lyingtools
https://www.youtube.com/watch?v=GNSf8Qj ... lyingtools
-
alexbeatle
- Posts: 289
- Joined: Sun Jan 03, 2021 6:12 am
- Has thanked: 77 times
- Been thanked: 31 times
Re: VW electric coolant heater
Is anybody familiar with the vw e-caddy ptc coolant heater - 71.0301.37.0200?
Looking for the info on how to control and orientation of install. Thanks in advance.
Looking for the info on how to control and orientation of install. Thanks in advance.
-
simonkuehling
- Posts: 1
- Joined: Mon Jan 20, 2025 12:31 pm
- Been thanked: 2 times
Re: VW electric coolant heater
I got my hands on the same heater model for cheap as well - cheap enough for the risk of not being able to successfully reverse engineer the communication. Worst case I will open the electronics and see what I can find in there. So far I am pretty confident that it is an Eberspächer Titronic CHHV 50 G3 or 50 G3T, communication is via LIN 2.1 protocol from what I can find:alexbeatle wrote: ↑Sat Sep 28, 2024 5:10 pm Is anybody familiar with the vw e-caddy ptc coolant heater - 71.0301.37.0200?
Looking for the info on how to control and orientation of install. Thanks in advance.
image.png
https://www.eberspaecher-emv.com/filead ... eet_DE.pdf
https://www.eberspaecher-climate.com/fi ... 8_2022.pdf
But maybe this should be split into a new topic?
-
alexbeatle
- Posts: 289
- Joined: Sun Jan 03, 2021 6:12 am
- Has thanked: 77 times
- Been thanked: 31 times
Re: VW electric coolant heater
5kw is considered too high for the battery heating?simonkuehling wrote: ↑Wed Jan 22, 2025 10:46 am I got my hands on the same heater model for cheap as well - cheap enough for the risk of not being able to successfully reverse engineer the communication. Worst case I will open the electronics and see what I can find in there. So far I am pretty confident that it is an Eberspächer Titronic CHHV 50 G3 or 50 G3T, communication is via LIN 2.1 protocol from what I can find:
https://www.eberspaecher-emv.com/filead ... eet_DE.pdf
https://www.eberspaecher-climate.com/fi ... 8_2022.pdf
But maybe this should be split into a new topic?
-
arber333
- Posts: 3660
- Joined: Mon Dec 24, 2018 1:37 pm
- Location: Slovenia
- Has thanked: 145 times
- Been thanked: 368 times
- Contact:
Re: VW electric coolant heater
That is ok, because VW heaters could be used as cabin heaters or battery heaters or both with clever valve system...simonkuehling wrote: ↑Wed Jan 22, 2025 10:46 am I got my hands on the same heater model for cheap as well - cheap enough for the risk of not being able to successfully reverse engineer the communication. Worst case I will open the electronics and see what I can find in there. So far I am pretty confident that it is an Eberspächer Titronic CHHV 50 G3 or 50 G3T, communication is via LIN 2.1 protocol from what I can find:
https://www.eberspaecher-emv.com/filead ... eet_DE.pdf
https://www.eberspaecher-climate.com/fi ... 8_2022.pdf
But maybe this should be split into a new topic?
I have one heater from VW Golf hybrid and i just got LIN module from microchip. My head is not into this yet as i use Outlander heater with CAN bus... any day now...
-
alexbeatle
- Posts: 289
- Joined: Sun Jan 03, 2021 6:12 am
- Has thanked: 77 times
- Been thanked: 31 times
Re: VW electric coolant heater
Anybody tried uart to LIN converters to communicate with this heater?
Example..
https://a.co/d/5N3NRo1
Example..
https://a.co/d/5N3NRo1