Toyota Invertor Gen2 Problem
-
bliznakavd
- Posts: 32
- Joined: Tue Dec 13, 2022 8:13 pm
- Has thanked: 12 times
- Been thanked: 9 times
Toyota Invertor Gen2 Problem
Hi there
is about Toyota Gen 2 inverter I find cheap invertors in Ebay and need a logic board to run the Toyota Prius Gen 2 Inverter. I found all files in https://github.com/damienmaguire/Prius-Gen-2-Inverter, but when i try to make order on https://jlcpcb.com/ told me that BOM file is not correct format and missing CPT file in folder. Also some files are missing in DC_controller folder. I will use it for my Peugeot 407 with Bosch SMG 180/120 PMSM motor.
is about Toyota Gen 2 inverter I find cheap invertors in Ebay and need a logic board to run the Toyota Prius Gen 2 Inverter. I found all files in https://github.com/damienmaguire/Prius-Gen-2-Inverter, but when i try to make order on https://jlcpcb.com/ told me that BOM file is not correct format and missing CPT file in folder. Also some files are missing in DC_controller folder. I will use it for my Peugeot 407 with Bosch SMG 180/120 PMSM motor.
-
royhen99
- Posts: 265
- Joined: Sun Feb 20, 2022 4:23 am
- Location: N. Wiltshire. UK
- Has thanked: 22 times
- Been thanked: 134 times
Re: Toyota Invertor Gen2 Problem
The fact that there is no CPL file and the BOM is not in .xls format is becase this was not designed to be assembled at JLCPCB. At the time JLCPCB did not assemble leaded parts. You will either have to assemble it yourself or update the BOM with JLCPCB part numbers etc.
Alternatively buy this.
https://openinverter.org/shop/index.php ... duct_id=68
Alternatively buy this.
https://openinverter.org/shop/index.php ... duct_id=68
-
bliznakavd
- Posts: 32
- Joined: Tue Dec 13, 2022 8:13 pm
- Has thanked: 12 times
- Been thanked: 9 times
Re: Toyota Invertor Gen2 Problem
Alternatively way is better because i need it for DC motor - foc file on STM32 programer, thank you
-
MattsAwesomeStuff
- Posts: 1081
- Joined: Fri Apr 26, 2019 5:40 pm
- Has thanked: 478 times
- Been thanked: 309 times
Re: Toyota Invertor Gen2 Problem
Do not build the project as-described in Damien's DC Controller folder. It blows up inverters.
There's an explanation (not of Damien's, but maybe of why something like this happens), part way down through this page here:
https://nicjam.es/projects/derptruck/part_2/
https://nicjam.es/projects/derptruck/part_3/
And there's a thread here:
viewtopic.php?t=275&start=50
...
So, at least 2 other people have built their own designed based on modifying Damien's design, but, they haven't published their circuit.
Also, there are components in Damien's BOM that have zero inventory at every major supplier for another year or more still.
There's an explanation (not of Damien's, but maybe of why something like this happens), part way down through this page here:
https://nicjam.es/projects/derptruck/part_2/
https://nicjam.es/projects/derptruck/part_3/
And there's a thread here:
viewtopic.php?t=275&start=50
...
So, at least 2 other people have built their own designed based on modifying Damien's design, but, they haven't published their circuit.
Also, there are components in Damien's BOM that have zero inventory at every major supplier for another year or more still.
-
bliznakavd
- Posts: 32
- Joined: Tue Dec 13, 2022 8:13 pm
- Has thanked: 12 times
- Been thanked: 9 times
Re: Toyota Invertor Gen2 Problem
Thank you for information, i will buy the logic board from openinverter shop for my Toyota gen2 inverter, i will use
for Bosch SMG180/120 motor with MG1 -250A 200v battery is it possible to start the motor with toyota inverter gen2 and logic board from shop openinverter?
for Bosch SMG180/120 motor with MG1 -250A 200v battery is it possible to start the motor with toyota inverter gen2 and logic board from shop openinverter?
-
MattsAwesomeStuff
- Posts: 1081
- Joined: Fri Apr 26, 2019 5:40 pm
- Has thanked: 478 times
- Been thanked: 309 times
Re: Toyota Invertor Gen2 Problem
I'll let Johannes speak for his own product, but, no, I don't think so.bliznakavd wrote: ↑Sun Dec 18, 2022 10:43 amis it possible to start the motor with toyota inverter gen2 and logic board from shop openinverter?
Short answer is that nothing on EVBMW or OpenInverter is a DC motor speed controller.
The thing you can purchase from OpenInverter is to run the Gen2 Prius inverter as an inverter, for an AC motor.
Which, is pretty significant overkill for what it takes to run a DC motor. But if you wanted to spend the money... maybe Johannes know of, or would write a short bit of code that would spit out useful DC instead.
- johu
- Site Admin
- Posts: 7182
- Joined: Thu Nov 08, 2018 10:52 pm
- Location: Kassel/Germany
- Has thanked: 552 times
- Been thanked: 1914 times
- Contact:
Re: Toyota Invertor Gen2 Problem
The hardware would certainly be capable of running as a DC controller. But as Matt says there is not software for it. Probably not hard to create "pwmgeneration-dc.cpp" file that replaces AC by DC control but I'm not really interested in doing that as DC motors are slowly fading away.
Support R/D and forum on Patreon: https://patreon.com/openinverter - Subscribe on odysee: https://odysee.com/@openinverter:9
-
Pete9008
- Posts: 1801
- Joined: Sun Apr 03, 2022 1:57 pm
- Has thanked: 102 times
- Been thanked: 351 times
Re: Toyota Invertor Gen2 Problem
Please could you clarify?
Here:
Which type of motor is it, PMSM or DC?
Here:
and here:bliznakavd wrote: ↑Sat Dec 17, 2022 7:52 pm Hi there
is about Toyota Gen 2 inverter I find cheap invertors in Ebay and need a logic board to run the Toyota Prius Gen 2 Inverter. I found all files in https://github.com/damienmaguire/Prius-Gen-2-Inverter, but when i try to make order on https://jlcpcb.com/ told me that BOM file is not correct format and missing CPT file in folder. Also some files are missing in DC_controller folder. I will use it for my Peugeot 407 with Bosch SMG 180/120 PMSM motor.
You talk about the Bosch SMG 180/120 which I believe is a permanent magnet synchronous motor but here:bliznakavd wrote: ↑Tue Dec 13, 2022 8:23 pm Hi,
i want to make my peugeot 407 on electricity, i will use rear axle from peugeot 508 hybrid (they are the some). The rear axle from 508 is with Bosch SMG 180/120 motor with resolver. I can't find good controller on right price. I will use on 144V peak 200A (27kw), continues 80A (11 kw) that is original parameters from manufacture. I read many information but not find the correct one... I can use sensorless controller but not will be smooth machine. i need only 2500-2900 RMP. Can i use inverter from Toyota Prius Gen2 G9200 - 47121 2004-2009 and https://openinverter.org/shop/index.php ... duct_id=63 ? my battery pack is 144V not need more. Or can i install https://openinverter.org/wiki/images/d/ ... ncoder.jpg to use with normal controller?
Thank you
You talk about driving a DC motor.bliznakavd wrote: ↑Sat Dec 17, 2022 9:41 pm Alternatively way is better because i need it for DC motor - foc file on STM32 programer, thank you
Which type of motor is it, PMSM or DC?
-
bliznakavd
- Posts: 32
- Joined: Tue Dec 13, 2022 8:13 pm
- Has thanked: 12 times
- Been thanked: 9 times
-
bliznakavd
- Posts: 32
- Joined: Tue Dec 13, 2022 8:13 pm
- Has thanked: 12 times
- Been thanked: 9 times
-
Pete9008
- Posts: 1801
- Joined: Sun Apr 03, 2022 1:57 pm
- Has thanked: 102 times
- Been thanked: 351 times
Re: Toyota Invertor Gen2 Problem
Can't see any reason why an OpenInverter board couldn't drive that. Look like it's fairly high pole count so top speed may be limited but then you only want 2900rpm.
I reckon the Prius Gen3 can do up to 100kW with a 360V bus voltage so with you 144V you may only get 40kW peak? Might also be worth measuring the winding inductances, if they are more than a mH or so you may struggle to even get that.
Edit - Note that you need to be confident that the components you order will do the job. If you aren't then it's doubtful that you know enough to be able to get them to work together. Don't start ordering bits until it all makes sense to you!
I reckon the Prius Gen3 can do up to 100kW with a 360V bus voltage so with you 144V you may only get 40kW peak? Might also be worth measuring the winding inductances, if they are more than a mH or so you may struggle to even get that.
Edit - Note that you need to be confident that the components you order will do the job. If you aren't then it's doubtful that you know enough to be able to get them to work together. Don't start ordering bits until it all makes sense to you!
-
bliznakavd
- Posts: 32
- Joined: Tue Dec 13, 2022 8:13 pm
- Has thanked: 12 times
- Been thanked: 9 times
Re: Toyota Invertor Gen2 Problem
i only need 26kw on a peak and 11kw continues for my project, because is on rear axle on peugeot 508. want to use Toyota Gen2 because is cheap invertor
-
bliznakavd
- Posts: 32
- Joined: Tue Dec 13, 2022 8:13 pm
- Has thanked: 12 times
- Been thanked: 9 times
Re: Toyota Invertor Gen2 Problem
I just want to say thank you on Johansen(Johu), Pete9008 and MattsAwesomeStuff,
with their help we were able to find out what the engine is, my PMSM motor bosch SMG 180/120 i will use with inverter from Toyota GEN 2 with a logic board of openinverter.org at 144 volts, the motor is with The Resolver is from Tyco Electronics,
Multi Coil Resolver
Type: MCR605
Speed: 6-speed (so 6 pole-pairs)
Excitation_Voltage: 7Vrms
Excitation_Frequency: 10kHz
The MCR605 pin-layout (6-pin variant):
1 / green / reference
2 / brown / sine-
3 / blue / sine+
4 / white / cosine-
5 / red / cosine+
6 / yellow / supply
with their help we were able to find out what the engine is, my PMSM motor bosch SMG 180/120 i will use with inverter from Toyota GEN 2 with a logic board of openinverter.org at 144 volts, the motor is with The Resolver is from Tyco Electronics,
Multi Coil Resolver
Type: MCR605
Speed: 6-speed (so 6 pole-pairs)
Excitation_Voltage: 7Vrms
Excitation_Frequency: 10kHz
The MCR605 pin-layout (6-pin variant):
1 / green / reference
2 / brown / sine-
3 / blue / sine+
4 / white / cosine-
5 / red / cosine+
6 / yellow / supply
- johu
- Site Admin
- Posts: 7182
- Joined: Thu Nov 08, 2018 10:52 pm
- Location: Kassel/Germany
- Has thanked: 552 times
- Been thanked: 1914 times
- Contact:
Re: Toyota Invertor Gen2 Problem
Cool you converted my name to Swedish it seems
"Johannes" would be the original
Yes just connect it up, if in doubt see what voltage comes from the sin or cos coil and that the amplitude is between 1V and 3V
So far 3.5Vrms and 4.4kHz seems to work for many resolvers out there.
Yes just connect it up, if in doubt see what voltage comes from the sin or cos coil and that the amplitude is between 1V and 3V
So far 3.5Vrms and 4.4kHz seems to work for many resolvers out there.
Support R/D and forum on Patreon: https://patreon.com/openinverter - Subscribe on odysee: https://odysee.com/@openinverter:9
-
bliznakavd
- Posts: 32
- Joined: Tue Dec 13, 2022 8:13 pm
- Has thanked: 12 times
- Been thanked: 9 times
Re: Toyota Invertor Gen2 Problem
Sorry about a wrong name, thank you very much i will do it . Cheers
-
marucha79
- Posts: 36
- Joined: Wed Jul 20, 2022 6:28 am
- Location: Poland
- Has thanked: 2 times
- Been thanked: 9 times
Re: Toyota Invertor Gen2 Problem
I have the same motor. Could you confirm guys that it's correct resolver output? On Damien's film plot was more repeatable and regular, but maybe number of poles makes difference.








- johu
- Site Admin
- Posts: 7182
- Joined: Thu Nov 08, 2018 10:52 pm
- Location: Kassel/Germany
- Has thanked: 552 times
- Been thanked: 1914 times
- Contact:
Re: Toyota Invertor Gen2 Problem
Looks alright to me
Support R/D and forum on Patreon: https://patreon.com/openinverter - Subscribe on odysee: https://odysee.com/@openinverter:9
-
marucha79
- Posts: 36
- Joined: Wed Jul 20, 2022 6:28 am
- Location: Poland
- Has thanked: 2 times
- Been thanked: 9 times
Re: Toyota Invertor Gen2 Problem
Good news, so I can go further. It's my working pinout for resolver slot of Peugeot motor.

1 – Motor ground,
2 – EXC- → e.g. JP7 pin 16
3 – SIN- → JP2 pin 2
4 – SIN+ → JP2 pin 1
5 – COS- → JP2 pin 2
6 – COS+ → JP2 pin 3
7 – EXC → JP2 pin 4

1 – Motor ground,
2 – EXC- → e.g. JP7 pin 16
3 – SIN- → JP2 pin 2
4 – SIN+ → JP2 pin 1
5 – COS- → JP2 pin 2
6 – COS+ → JP2 pin 3
7 – EXC → JP2 pin 4
-
bliznakavd
- Posts: 32
- Joined: Tue Dec 13, 2022 8:13 pm
- Has thanked: 12 times
- Been thanked: 9 times
Re: Toyota Invertor Gen2 Problem
Lovely, now i try to find good condition Gen2 invertor and need to buy the invertor controller board from openinverter.org, thank you for information!!!!
-
marucha79
- Posts: 36
- Joined: Wed Jul 20, 2022 6:28 am
- Location: Poland
- Has thanked: 2 times
- Been thanked: 9 times
Re: Toyota Invertor Gen2 Problem
Do someone know what kind of temp sensor is used in this motor? There are 4 pin, in original wiring pins 1 and 4 are twisted pair (10k between them), pins 2 and 3 are shorted.
-
bliznakavd
- Posts: 32
- Joined: Tue Dec 13, 2022 8:13 pm
- Has thanked: 12 times
- Been thanked: 9 times
-
marucha79
- Posts: 36
- Joined: Wed Jul 20, 2022 6:28 am
- Location: Poland
- Has thanked: 2 times
- Been thanked: 9 times
Re: Toyota Invertor Gen2 Problem
I suppose that 1 and 4 should be connected to TEMP and TEMP- (but what polarity?). One of 2 and 3 should be powered by 12v and other connected to IN_MPROT. There is still issue what type of temp sensor should be chosen in inverter settings.
In a fact I have got bigger trouble now, because I realised, that there is big backlash between rotor and front bearing. It's really bad news for me, because I planned use normal clutch, which is quite heavy. Even if I fix it or buy other motor, problem could quickly return.
In a fact I have got bigger trouble now, because I realised, that there is big backlash between rotor and front bearing. It's really bad news for me, because I planned use normal clutch, which is quite heavy. Even if I fix it or buy other motor, problem could quickly return.
-
bliznakavd
- Posts: 32
- Joined: Tue Dec 13, 2022 8:13 pm
- Has thanked: 12 times
- Been thanked: 9 times
Re: Toyota Invertor Gen2 Problem
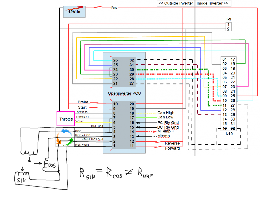
It's really bad news, if you use normal clutch the problem will return quickly, may be if you use C3 new bearings, Would someone tell me is that correct wire diagram on my Gen2 inverter? which pins are need to use for resolver
-
bliznakavd
- Posts: 32
- Joined: Tue Dec 13, 2022 8:13 pm
- Has thanked: 12 times
- Been thanked: 9 times