Junkyard Report: 2008 Lexus RX400h AWD

Topics concerning the Toyota and Lexus inverter drop in boards
Post Reply
User avatar
Gregski
Posts: 3156
Joined: Tue Sep 14, 2021 10:28 am
Location: Sacramento, California
Has thanked: 628 times
Been thanked: 1606 times
Contact:

Junkyard Report: 2008 Lexus RX400h AWD

Post by Gregski »

this is a companion thread to the Junkyard Report: 2009 Toyota Highlander AWD I don't mean to litter the forum with nonsense, and I hope you will see purpose in it being its own stand alone thread, rather than lumping it into the other one as I hope we can point out some of the similarities and differences between these two animals

what drew me to this vehicle was it's lighter/flimzier rear motor subframe, or so it seemed, also this was the only RX400h in all of the Pick N Pull junkyards in the United States so I had to take advantage

Shameless Self Promotion Time - SSPT

Yes I hope to feature whatever I yank from this car in my TOYOTA's Hybrid Synergy Drive System Cross Pollination - Say What? YouTube video series as I hope it will complete the full offering of:
  • Front Motor Front Wheel Drive - FMFWD
  • Front Motor Rear Wheel Drive - FMRWD
  • Front Motor All Wheel Drive - FMAWD
  • Rear Motor Rear Wheel Drive - RMRWD

... and yes I have no life, there I said it

(if you could be so kind and let me know if you enjoy these Junkyard Reports I would really appreciate it, otherwise I will hoard all this knowledge myself, hee hee)

IMG_5241.JPG
IMG_5243.JPG
"I don't need to understand how it works, I just need to understand how to make it work!" ~ EV Greg
User avatar
Gregski
Posts: 3156
Joined: Tue Sep 14, 2021 10:28 am
Location: Sacramento, California
Has thanked: 628 times
Been thanked: 1606 times
Contact:

Re: Junkyard Report: 2008 Lexus RX400h AWD

Post by Gregski »

let me just rate pulling the inverter out of this vehicle as the most difficult strip I have ever done did, if I'm being honest I attempted to yank the one out of that 2009 Toyota Highlander but gave up!

Fun Level: -400

here is a fun little progress timeline of the front of the car during the three hours it took from start to finish


got the hood [pronounced: "bonnet"] off of the car cause some dingleberry deleted the prop stick, and the front bumper came off
IMG_5245.JPG

modern cars have that silly windshield cowl under the windshield wipers which I swear covers a 3rd of the engine bay, so that had to go, as did the rad
IMG_5251.JPG

on these older style inverters the whole lid has to come off in order to undue the three bolts for each of the three HV motor cables
IMG_5257.JPG

and the inverter is out, but we were far from finished as I decided to go after the resolver cables next, and of course any pig tails
IMG_5277.JPG
"I don't need to understand how it works, I just need to understand how to make it work!" ~ EV Greg
User avatar
Gregski
Posts: 3156
Joined: Tue Sep 14, 2021 10:28 am
Location: Sacramento, California
Has thanked: 628 times
Been thanked: 1606 times
Contact:

Re: Junkyard Report: 2008 Lexus RX400h AWD

Post by Gregski »

so this is what we were after, and I needed another inverter like another hole in my head

IMG_5249.JPG
IMG_5247.JPG
IMG_5253.JPG
IMG_5255.JPG
"I don't need to understand how it works, I just need to understand how to make it work!" ~ EV Greg
User avatar
Gregski
Posts: 3156
Joined: Tue Sep 14, 2021 10:28 am
Location: Sacramento, California
Has thanked: 628 times
Been thanked: 1606 times
Contact:

Re: Junkyard Report: 2008 Lexus RX400h AWD

Post by Gregski »

and here's what it looks like inside, all the connections are hard wired

IMG_5259.JPG

I decided to intelligently remove/unplug all the external connections such as this Air Conditioning high voltage cable (don't ask me why)
IMG_5261.JPG

and this is the business end of the inverter
IMG_5263.JPG

THREE motors connect back here (if you want to get all their bolts out, bring a magnet on a stick, trust me)
IMG_5265.JPG
"I don't need to understand how it works, I just need to understand how to make it work!" ~ EV Greg
User avatar
Gregski
Posts: 3156
Joined: Tue Sep 14, 2021 10:28 am
Location: Sacramento, California
Has thanked: 628 times
Been thanked: 1606 times
Contact:

Re: Junkyard Report: 2008 Lexus RX400h AWD

Post by Gregski »

it took me a while to finger out how to remove the back bracket of this inverter

IMG_5267.JPG
IMG_5269.JPG

It was held on in the back, and these two bolts were not it!
IMG_5271.JPG
"I don't need to understand how it works, I just need to understand how to make it work!" ~ EV Greg
User avatar
Gregski
Posts: 3156
Joined: Tue Sep 14, 2021 10:28 am
Location: Sacramento, California
Has thanked: 628 times
Been thanked: 1606 times
Contact:

Re: Junkyard Report: 2008 Lexus RX400h AWD

Post by Gregski »

and approximately 90 joyous minutes later she was out, but we weren't done yet

IMG_5275.JPG

Note: all the external connections have been carefully and properly unplugged and removed
IMG_5273.JPG
"I don't need to understand how it works, I just need to understand how to make it work!" ~ EV Greg
User avatar
Gregski
Posts: 3156
Joined: Tue Sep 14, 2021 10:28 am
Location: Sacramento, California
Has thanked: 628 times
Been thanked: 1606 times
Contact:

Re: Junkyard Report: 2008 Lexus RX400h AWD

Post by Gregski »

I went after the MG1 and MG2 resolver cables next - you know The Greg he just has to have his OEM harnesseseses

IMG_5279.JPG
IMG_5281.JPG
"I don't need to understand how it works, I just need to understand how to make it work!" ~ EV Greg
User avatar
Gregski
Posts: 3156
Joined: Tue Sep 14, 2021 10:28 am
Location: Sacramento, California
Has thanked: 628 times
Been thanked: 1606 times
Contact:

Re: Junkyard Report: 2008 Lexus RX400h AWD

Post by Gregski »

I kept picking her to the bone and got the Sync Serial harness as well or at least a good length of it

IMG_5283.JPG
IMG_5285.JPG
IMG_5289.JPG
"I don't need to understand how it works, I just need to understand how to make it work!" ~ EV Greg
User avatar
Gregski
Posts: 3156
Joined: Tue Sep 14, 2021 10:28 am
Location: Sacramento, California
Has thanked: 628 times
Been thanked: 1606 times
Contact:

Re: Junkyard Report: 2008 Lexus RX400h AWD

Post by Gregski »

three hours later, I was dying of thirst, but we had ourselves yet another Toyota(ish) inverter

... did I mention this monster is heavy ?

IMG_5291.JPG
"I don't need to understand how it works, I just need to understand how to make it work!" ~ EV Greg
User avatar
Gregski
Posts: 3156
Joined: Tue Sep 14, 2021 10:28 am
Location: Sacramento, California
Has thanked: 628 times
Been thanked: 1606 times
Contact:

Re: Junkyard Report: 2008 Lexus RX400h AWD

Post by Gregski »

The goal here is to see if we can take a complete rear motor / subframe out of one of these animals and bolt it up or graft it in to some OEM rear engined vehicle such as the VW Beatle or the Corvair. Since the 2009 Toyota Highlander AWD seems too wide

WHAT WE KNOW

The 2006–2008 Lexus RX400h has a rear track width of 61.2 inches (1,550 mm). BINGO !!!

The rear track width of the modern Volkswagen Beetle (A5 generation, 2011–2019) is approximately 61.1 inches (1,552 mm).

as much as I would love to convert a classic Beetle or Fastback, I must follow the path of least resistance


2012-2019 Volkswagen Beetle Rear Subframe Crossmember / 61k / VB004

IMG_1919__19129.jpg
IMG_1922__49133.jpg
IMG_1923__55762.jpg
IMG_1920__49573.jpg
IMG_1921__67474.jpg
"I don't need to understand how it works, I just need to understand how to make it work!" ~ EV Greg
User avatar
Gregski
Posts: 3156
Joined: Tue Sep 14, 2021 10:28 am
Location: Sacramento, California
Has thanked: 628 times
Been thanked: 1606 times
Contact:

Re: Junkyard Report: 2008 Lexus RX400h AWD

Post by Gregski »

and just so you don't think I'm crazy I am not the first one to entertain this type of EV Conversion, here is the man himself, though he is using the 4" wider rear track Lexus RX450h subframe





"I don't need to understand how it works, I just need to understand how to make it work!" ~ EV Greg
Ghia66
Posts: 170
Joined: Wed Apr 10, 2024 6:50 pm
Location: Ireland
Has thanked: 749 times
Been thanked: 65 times

Re: Junkyard Report: 2008 Lexus RX400h AWD

Post by Ghia66 »

My vote… do a Corvair!!!
User avatar
Gregski
Posts: 3156
Joined: Tue Sep 14, 2021 10:28 am
Location: Sacramento, California
Has thanked: 628 times
Been thanked: 1606 times
Contact:

Re: Junkyard Report: 2008 Lexus RX400h AWD

Post by Gregski »

Ghia66 wrote: Sun Feb 15, 2026 6:14 pm My vote… do a Corvair!!!
looks like GM already beat me to it


"I don't need to understand how it works, I just need to understand how to make it work!" ~ EV Greg
User avatar
Gregski
Posts: 3156
Joined: Tue Sep 14, 2021 10:28 am
Location: Sacramento, California
Has thanked: 628 times
Been thanked: 1606 times
Contact:

Re: Junkyard Report: 2008 Lexus RX400h AWD

Post by Gregski »

So today I decided to go do some "modern" VW Beetle recon in the junkyard, and tell you what a complete fool I am

IMG_5616.JPG
IMG_5608.JPG
IMG_5614.JPG

What's wrong with this picture ?
IMG_5610.JPG
"I don't need to understand how it works, I just need to understand how to make it work!" ~ EV Greg
User avatar
Gregski
Posts: 3156
Joined: Tue Sep 14, 2021 10:28 am
Location: Sacramento, California
Has thanked: 628 times
Been thanked: 1606 times
Contact:

Re: Junkyard Report: 2008 Lexus RX400h AWD

Post by Gregski »

That's right, the engine is in the FRONT ? Did I know that, um no, yes I am a complete idiot! What next, four door Porsches?

so I am aborting the modern Beetle conversion and may try to convert a proper rear air cooled engine classic one, if I find one at the right price or for FREE, I am also tying to convince my Bestie to buy one and partner up with me on the conversion where he ends up keeping the car

IMG_5612.JPG
"I don't need to understand how it works, I just need to understand how to make it work!" ~ EV Greg
User avatar
Gregski
Posts: 3156
Joined: Tue Sep 14, 2021 10:28 am
Location: Sacramento, California
Has thanked: 628 times
Been thanked: 1606 times
Contact:

Re: Junkyard Report: 2008 Lexus RX400h AWD

Post by Gregski »

So with my tail tucked in between my legs I decided to revisit this RX400h and see if I can pull some of them MGR motor and inverter cables and maybe battery cables as well

here is part of the octopus pulled from the front of the vehicle and out from under, of note is that yellow section which runs to the electric power steering rack


IMG_5662.JPG
IMG_5660.JPG

and here is the battery pack cable liberated
IMG_5666.JPG
IMG_5664.JPG
IMG_5668.JPG
"I don't need to understand how it works, I just need to understand how to make it work!" ~ EV Greg
User avatar
Gregski
Posts: 3156
Joined: Tue Sep 14, 2021 10:28 am
Location: Sacramento, California
Has thanked: 628 times
Been thanked: 1606 times
Contact:

Re: Junkyard Report: 2008 Lexus RX400h AWD

Post by Gregski »

Hidden in the back of the vehicle is what I believe is the 300 volt air cooled DC-DC Converter part number G9250-48011

IMG_5670.JPG
IMG_5672.JPG
IMG_5674.JPG
IMG_5676.JPG
IMG_5678.JPG
IMG_5680.JPG
IMG_5682.JPG
IMG_5686.JPG
IMG_5684.JPG
"I don't need to understand how it works, I just need to understand how to make it work!" ~ EV Greg
User avatar
Gregski
Posts: 3156
Joined: Tue Sep 14, 2021 10:28 am
Location: Sacramento, California
Has thanked: 628 times
Been thanked: 1606 times
Contact:

Re: Junkyard Report: 2008 Lexus RX400h AWD

Post by Gregski »

I did not end up buying the DC-DC converter I just took it out for a photo shoot

IMG_5690.JPG
"I don't need to understand how it works, I just need to understand how to make it work!" ~ EV Greg
User avatar
Gregski
Posts: 3156
Joined: Tue Sep 14, 2021 10:28 am
Location: Sacramento, California
Has thanked: 628 times
Been thanked: 1606 times
Contact:

Re: Junkyard Report: 2008 Lexus RX400h AWD

Post by Gregski »

I was super happy to be able to extract the home run MGR rear motor cobles that run the length of the car from the trible inverter housing all the way to the rear diff without having to drop the motor

IMG_5692.JPG
"I don't need to understand how it works, I just need to understand how to make it work!" ~ EV Greg
User avatar
Gregski
Posts: 3156
Joined: Tue Sep 14, 2021 10:28 am
Location: Sacramento, California
Has thanked: 628 times
Been thanked: 1606 times
Contact:

Re: Junkyard Report: 2008 Lexus RX400h AWD

Post by Gregski »

so this is what I ended up buying for a total of $67 dollars, the guy charged me like $20 bucks each for what he called miscellaneous Electrical cables, don't ask me about Pick N Pull math

so Motor Cable, Battery Pack cable, Motor Temp sensor harness, Resolver harness (green)
IMG_5694.JPG
"I don't need to understand how it works, I just need to understand how to make it work!" ~ EV Greg
Scrappyjoe
Posts: 211
Joined: Fri Feb 25, 2022 3:16 pm
Has thanked: 55 times
Been thanked: 32 times

Re: Junkyard Report: 2008 Lexus RX400h AWD

Post by Scrappyjoe »

Hey Greg, do you know if there has been any work done on controlling that DCDC converter? The leas coolant pipes the better is my thinking…
User avatar
Gregski
Posts: 3156
Joined: Tue Sep 14, 2021 10:28 am
Location: Sacramento, California
Has thanked: 628 times
Been thanked: 1606 times
Contact:

Re: Junkyard Report: 2008 Lexus RX400h AWD

Post by Gregski »

Scrappyjoe wrote: Mon Feb 16, 2026 8:06 pm Hey Greg, do you know if there has been any work done on controlling that DCDC converter? The leas coolant pipes the better is my thinking…
honestly I don't know, but if that 300v spec holds true I would guess it would be highly unlikely as that is about 100 volts too low for what we run our 400v EV Conversions on

if you are not a fan of liquid cooled DC-DC converters or separate units for that matter, please consider any of the following options, most definitely not in order:

the air cooled Gen1 Chevy Volt DC-DC converter

The Two In One Mitsubishi Outlander onboard battery charger with a built in DC-DC converter

it is also common for the Inverters themselves to server as DC-DC converters, think Gen 2 Prius (and maybe Gen 3 Prius as well)

and finally keep your eyes out for this 2017-22 Prius Prime air cooled onboard battery charger / dc-dc converter soon to be reverse engineered

IMG_5439.JPG
"I don't need to understand how it works, I just need to understand how to make it work!" ~ EV Greg
Scrappyjoe
Posts: 211
Joined: Fri Feb 25, 2022 3:16 pm
Has thanked: 55 times
Been thanked: 32 times

Re: Junkyard Report: 2008 Lexus RX400h AWD

Post by Scrappyjoe »

Quick note on this:
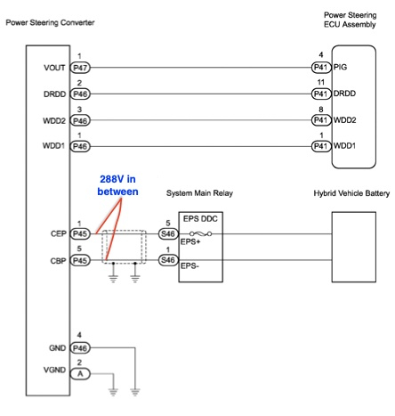
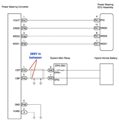
Hidden in the back of the vehicle is what I believe is the 300 volt air cooled DC-DC Converter part number G9250-48011
This unit is generally sold on eBay and the like as either a 'power steering control module' or 'power steering convertor assembly'. So I think it's a step-down converter that does not put out 12v.

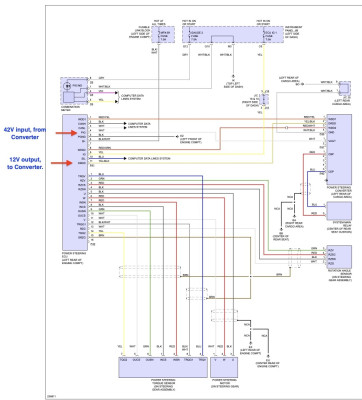
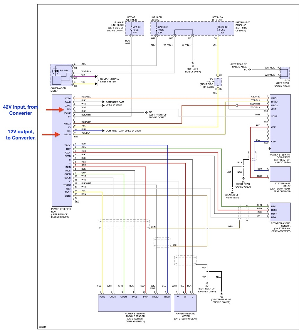
Googling the RX400h electric power steering specifications, I found one document here https://techinfo.toyota.com/techInfoPor ... rx400h.pdf which states the EPS is rated at 42v.

Another Toyota doc says 46v https://techinfo.toyota.com/techInfoPor ... 0h_erg.pdf, but most references are for 42v

The 42v comes out of the yellow cables.

This link https://www.mri-auto-diagnostics.com/c1 ... us-rx400h/ details guidelines for debugging inoperative power steering on an RX400h. It includes two handy wiring diagrams.
image.jpeg
The attachment image.jpeg is no longer available
These are the diagnostic instructions:
Testing:
- Check for 42 volts on the White wire at the Power Steering ECU connector (P47 – 1).
- If there is voltage, the converter is good. Suspect Power Steering ECU.
- If there is no voltage, disconnect Power Steering ECU connector, start the car, and apply 12V to Yellow/Black wire (P41 – 11). This is 12 volts coming from the Power Steering ECU to tell the Power Steering Converter to output the 42 volts. 42V should now appear at the White wire (P47 – 1).
- If there is no voltage, verify that between the Red wire and the Blue wire at the Power Steering Converter there is at least 288V when the ready light is on. Check fuse if there is no voltage. Fuse is replaced together with the Main Relay.
- If there is voltage, check Power Steering ECU power and grounds. If OK, replace Power Steering ECU.
- After replacing old PSU Module with the new one, it will need to be calibrated (Torque Sensor), otherwise, it won’t work.
This suggests to me that if you (1) ground the convertor (2) apply HV to the HV input cables and (3) apply 12v to the yellow/black wire, you should see 42V coming out the other end.

No idea on rated current, can't find that documented anywhere. Can't find a fuse either. Apparently it's fused on the inside of the pack.
Attachments
image.jpeg
User avatar
Gregski
Posts: 3156
Joined: Tue Sep 14, 2021 10:28 am
Location: Sacramento, California
Has thanked: 628 times
Been thanked: 1606 times
Contact:

Re: Junkyard Report: 2008 Lexus RX400h AWD

Post by Gregski »

just wanted to share where the short lived Lexus RX400h falls on the TOYOTA's Hybrid Synergy Drive System - THSDS

LEXUS RX400h on Timeline.jpg

for a three year run (2006, 2007, and 2008), Pick N Pulls sure are littered with them, hmmmm ? makes you wonder why

Pick N Pull - Lexus RX400h.jpg
"I don't need to understand how it works, I just need to understand how to make it work!" ~ EV Greg
Ghia66
Posts: 170
Joined: Wed Apr 10, 2024 6:50 pm
Location: Ireland
Has thanked: 749 times
Been thanked: 65 times

Re: Junkyard Report: 2008 Lexus RX400h AWD

Post by Ghia66 »

Gregski wrote: Mon Feb 16, 2026 8:50 pm honestly I don't know, but if that 300v spec holds true I would guess it would be highly unlikely as that is about 100 volts too low for what we run our 400v EV Conversions on

if you are not a fan of liquid cooled DC-DC converters or separate units for that matter, please consider any of the following options, most definitely not in order:

the air cooled Gen1 Chevy Volt DC-DC converter

The Two In One Mitsubishi Outlander onboard battery charger with a built in DC-DC converter

it is also common for the Inverters themselves to server as DC-DC converters, think Gen 2 Prius (and maybe Gen 3 Prius as well)

and finally keep your eyes out for this 2017-22 Prius Prime air cooled onboard battery charger / dc-dc converter soon to be reverse engineered


IMG_5439.JPG
Hey Greg, how does this compare in size to the Outlander rig?

Do you know what the kWh charging rate is?

Looks real tasty!!!
Post Reply