Hello guys
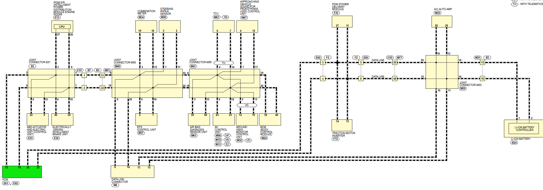
I have an unused Nissan Leaf 2017 and I attempted to run the drive system outside the car to do some tests for possible future conversions. I simply extended all wires of the drive system (HVB, PD module, and Inverter) to the inside of my garage with around 6.5m extended length.
The system does run after reset but it is in power limiting mode, and it is throwing some communication errors mainly the U1000, and then P31B3. And some other errors most of them on the PD module (P31B3, P3171, P3170, P3170, P316E).
I used unshielded twisted pairs for the CAN bus, but apparently extending the EV CAN bus wires messed up the system, and I was wondering if there's a workaround for it.
Extending Nissan Leaf EV CAN bus
-
Shamooooot
- Posts: 9
- Joined: Wed May 25, 2022 6:40 am
- Has thanked: 2 times
- tom91
- Posts: 2962
- Joined: Fri Mar 01, 2019 9:15 pm
- Location: Bicester, Oxfordshire
- Has thanked: 330 times
- Been thanked: 847 times
-
Shamooooot
- Posts: 9
- Joined: Wed May 25, 2022 6:40 am
- Has thanked: 2 times
Re: Extending Nissan Leaf EV CAN bus
My current goal is to run the drive unit outside the car on my bench with the least possible amount of wires extending..
- tom91
- Posts: 2962
- Joined: Fri Mar 01, 2019 9:15 pm
- Location: Bicester, Oxfordshire
- Has thanked: 330 times
- Been thanked: 847 times
Re: Extending Nissan Leaf EV CAN bus
Why? What are you trying to achieve.
End goal use for the drivetrain?
The inverter is not an CAN end node I believe so you cannot extend its CAN network branch by alot.
End goal use for the drivetrain?
The inverter is not an CAN end node I believe so you cannot extend its CAN network branch by alot.
-
Shamooooot
- Posts: 9
- Joined: Wed May 25, 2022 6:40 am
- Has thanked: 2 times
Re: Extending Nissan Leaf EV CAN bus
The end node is on the HVB BMS, so I believe the terminators are one on the VCM and one on the BMS..
-
Shamooooot
- Posts: 9
- Joined: Wed May 25, 2022 6:40 am
- Has thanked: 2 times


