Hi all,
My partner owns a Gen2 Clarity. Once I realized the bolt-pattern on my Gen1 Insight's ECA1 engine matched that of the iMMD transmission in her car, I was sold on the idea of getting rid of my crappy belt-driven CVT and attaching the 60S NMC battery in my Insight (see linsight.org) to the PCU instead, for that sweet pure-electric traction. (At 60S, said https://www.batemo.com/products/batemo- ... 495rt001a/ are rated for about the same burst charge current as the Clarity VCU can handle, given the lower voltage -- if it'll even operate, anyways.)
This thread is meant to record progress getting the Gen2 Honda PCU in the Clarity to turn a Gen3 Insight transmission (mechanically identical save one sensor and the output splines of the diff). I also have a Gen3 Insight PCU, but since I lack a working Gen3 Insight, I'm not going to bother with it.
Known items:
- I have no idea which module safeguards what controls. Will the PCU just "do its job" if, despite detecting that other modules have different software versions (considered a Power System fault per Honda SIS), told to move the car?
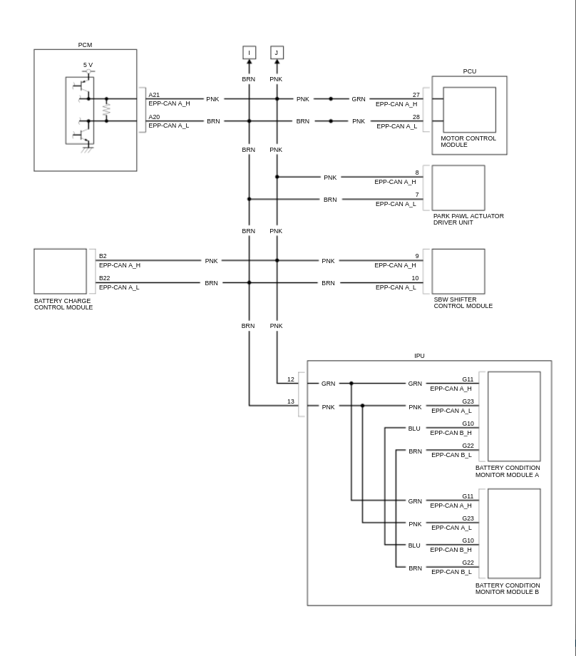
- read also as: I'm hoping to God that all I need to do is scream "MOVE, DAMN IT" to the EPP-CAN bus (AKA F-CAN D). This bus connects to the CAN gateway, the shift selector, the parking prawl actuator, and the battery ("IPU").
CAN-hacking the Gen2 Honda PCU
Re: CAN-hacking the Gen2 Honda PCU
I am assuming that the PCM is the only device with access to the accelerator pedal position sensor -- checking the wiring diagrams. ... after half a moment of thought, I realize now that this is meaningless in CAN-world, where everything knows everything without asking.
BTW, I'm not using SIS directly -- I'm instead using the Chilton Library, through this clever post: https://www.gen3insight.com/threads/201 ... post-39697
BTW, I'm not using SIS directly -- I'm instead using the Chilton Library, through this clever post: https://www.gen3insight.com/threads/201 ... post-39697
Re: CAN-hacking the Gen2 Honda PCU
The thread that originated the idea, and gives weight specs and other details: https://www.insightcentral.net/threads/ ... or.125142/
A repo giving details about Honda PCUs, in particular, copying some Keihin-written papers that describe the generations of Honda iMMD PCUs and their differences: https://git.laboratoryb.org/hurricos/ClaritySwap/
A repo giving details about Honda PCUs, in particular, copying some Keihin-written papers that describe the generations of Honda iMMD PCUs and their differences: https://git.laboratoryb.org/hurricos/ClaritySwap/