Peugeot/Citroen ibooster GEN2 Hacking
Peugeot/Citroen ibooster GEN2 Hacking
Hello. I have wired ibooster properly without any problems using ev create article https://www.evcreate.com/wiring-the-tesla-ibooster/
It works fine, makes assist but! When I do nothing motor tries to make a little spin every 10-15 seconds. What is that? Does it need a canbus to operate in fail safe mode? Here is what ibooster is sending to me.
It works fine, makes assist but! When I do nothing motor tries to make a little spin every 10-15 seconds. What is that? Does it need a canbus to operate in fail safe mode? Here is what ibooster is sending to me.
- tom91
- Posts: 2962
- Joined: Fri Mar 01, 2019 9:15 pm
- Location: Bicester, Oxfordshire
- Has thanked: 330 times
- Been thanked: 848 times
Re: I bought a Citroen ibooster GEN2 and have some questions
If you provide a pulse to the "ignition 12V in" it should "unlock" the shaft and provide assistance.
viewtopic.php?p=51532#p51532
The Gen2 Iboost I have from a Renault Zoe does the same thing. So I would suspect it looking for a Vehicle Ignition state to be broadcast over the canbus. It would be good to get a log of a Renault/Citroen with a Gen2 iBooster for review.
viewtopic.php?p=51532#p51532
The Gen2 Iboost I have from a Renault Zoe does the same thing. So I would suspect it looking for a Vehicle Ignition state to be broadcast over the canbus. It would be good to get a log of a Renault/Citroen with a Gen2 iBooster for review.
Re: I bought a Citroen ibooster GEN2 and have some questions
It would be nice to play with a can log. But where can I get it? Such hybrids are rare.tom91 wrote: ↑Sun Sep 17, 2023 2:28 pm If you provide a pulse to the "ignition 12V in" it should "unlock" the shaft and provide assistance.
viewtopic.php?p=51532#p51532
The Gen2 Iboost I have from a Renault Zoe does the same thing. So I would suspect it looking for a Vehicle Ignition state to be broadcast over the canbus. It would be good to get a log of a Renault/Citroen with a Gen2 iBooster for review.
- tom91
- Posts: 2962
- Joined: Fri Mar 01, 2019 9:15 pm
- Location: Bicester, Oxfordshire
- Has thanked: 330 times
- Been thanked: 848 times
Re: I bought a Citroen ibooster GEN2 and have some questions
https://www.diyelectriccar.com/threads/ ... st-1106001
It seems you can make the renault one work by just having the canbus working and acknowledging the can from it.
It seems you can make the renault one work by just having the canbus working and acknowledging the can from it.
- tom91
- Posts: 2962
- Joined: Fri Mar 01, 2019 9:15 pm
- Location: Bicester, Oxfordshire
- Has thanked: 330 times
- Been thanked: 848 times
Re: I bought a Citroen ibooster GEN2 and have some questions
So I just done a bench test on this.
using the info below, the YAW CAN needs to have a receiver on it and be terminated. Ignition can be switched on with you CAN receiver device and then switch off ignition and you can receiver to put it back to sleep.
using the info below, the YAW CAN needs to have a receiver on it and be terminated. Ignition can be switched on with you CAN receiver device and then switch off ignition and you can receiver to put it back to sleep.
-
MattsAwesomeStuff
- Posts: 1084
- Joined: Fri Apr 26, 2019 5:40 pm
- Has thanked: 479 times
- Been thanked: 314 times
Re: I bought a Citroen ibooster GEN2 and have some questions
One thing someone mentioned on the DIY EC forums was that different manufacturers have different settings for the iBooster, and they operate differently in different failsafe modes.
- tom91
- Posts: 2962
- Joined: Fri Mar 01, 2019 9:15 pm
- Location: Bicester, Oxfordshire
- Has thanked: 330 times
- Been thanked: 848 times
Re: I bought a Citroen ibooster GEN2 and have some questions
Yes this is why I mention that this is for the Renault one.
Tesla just needs 12V and igntion along side the position sensor. Which is the most simple.
I have yet to test others or find info on them, the VW Gen2 Ibooster is the key one I want to look into.
Tesla just needs 12V and igntion along side the position sensor. Which is the most simple.
I have yet to test others or find info on them, the VW Gen2 Ibooster is the key one I want to look into.
-
woutvanschaik
- Posts: 9
- Joined: Sat Jul 22, 2023 6:19 pm
- Has thanked: 3 times
- Been thanked: 2 times
Re: I bought a Citroen ibooster GEN2 and have some questions
I too bought a iBooster GEN2 but from a yaris. Mine does not assist at all. CAN messages are transmitted by the module and power is supplied properly (first on pin 9. after that on pin 20). Still no calibration starting either. anyone familiar with this problem?
Converting a E21 to Tesla SDU
- tom91
- Posts: 2962
- Joined: Fri Mar 01, 2019 9:15 pm
- Location: Bicester, Oxfordshire
- Has thanked: 330 times
- Been thanked: 848 times
Re: I bought a Citroen ibooster GEN2 and have some questions
What have you wired up, please show us? did you wire the 4 pin position sensor?woutvanschaik wrote: ↑Fri Dec 15, 2023 9:54 am I too bought a iBooster GEN2 but from a yaris. Mine does not assist at all. CAN messages are transmitted by the module and power is supplied properly (first on pin 9. after that on pin 20). Still no calibration starting either. anyone familiar with this problem?
-
MattsAwesomeStuff
- Posts: 1084
- Joined: Fri Apr 26, 2019 5:40 pm
- Has thanked: 479 times
- Been thanked: 314 times
Re: I bought a Citroen ibooster GEN2 and have some questions
It is frustrating that people ask questions without being thorough enough for anyone to help answer them. Especially technical troubleshooting questions.
Make it as easy and convenient for people to troubleshoot as possible.
Take pictures. Draw diagrams. Describe symptoms. You're asking other people for help, use as much of your (not valuable) time to trade off their (precious and volunteer) time.
Make it as easy and convenient for people to troubleshoot as possible.
Take pictures. Draw diagrams. Describe symptoms. You're asking other people for help, use as much of your (not valuable) time to trade off their (precious and volunteer) time.
Re: I bought a Citroen ibooster GEN2 and have some questions
With oem plugs looks better. Still searching for can bus trace of any PSA hybrid
-
MattsAwesomeStuff
- Posts: 1084
- Joined: Fri Apr 26, 2019 5:40 pm
- Has thanked: 479 times
- Been thanked: 314 times
Re: I bought a Citroen ibooster GEN2 and have some questions
After failing to find any scrapper willing to sell me the plug for less than $100, including employees saying "If he can't make 4000% markup he'd rather have it shredded, he's a moron.", I ordered most of a set from Chief Enterprises.
Got the main plug, the clip housing, and several of the more important pins for $27. Pins were like, $2 each, so I only did the big ones. Didn't get any of the plugs or seals there, they were stupidly expensive.
Grabbed the 4-pin position sensor plug off of Digikey for a couple bucks since I was ordering from there anyways.
If you wanted to go through AliX, I think the main housing is like 5x for $15. I just didn't need that many or want to wait that long.
The unused pins I'll just cap with silicone rather than use plugs.
- tom91
- Posts: 2962
- Joined: Fri Mar 01, 2019 9:15 pm
- Location: Bicester, Oxfordshire
- Has thanked: 330 times
- Been thanked: 848 times
Re: I bought a Citroen ibooster GEN2 and have some questions
Which car is this from an Citroen Hybrid? How is it behaving?
The Renault one just needs a can transceiver on the YAW can, I just used an Arduino Due doing GVRET and savvy CAN for bench testing.
Re: I bought a Citroen ibooster GEN2 and have some questions
It is from ds7. It works immediately when power is applied to the wake up pin. Makes assist and so on but every 10 sec shaft is moving a little (about 1-2 mm)
I think that ibooster is trying to self iniatlize and is searching for "zero" position of the shaft. I have already tried to play some traces for ibooster from psa can2010. I see one byte is changing when I'm sending specific message "ignition on". Also I know that ibooster works in pair with esp and it needs data about brake fluid pressure. It is like a feed back for ibooster from esp module that everything is fine.
Maybe everything what is need is just make adaptaition of ibooster via psa diag cable because in the original PSA documents it is written that: 5. "training" - initialization
When replacing the master cylinder of an electrically assisted brake system, it is necessary to
initialization.
Re: I bought a Citroen ibooster GEN2 and have some questions
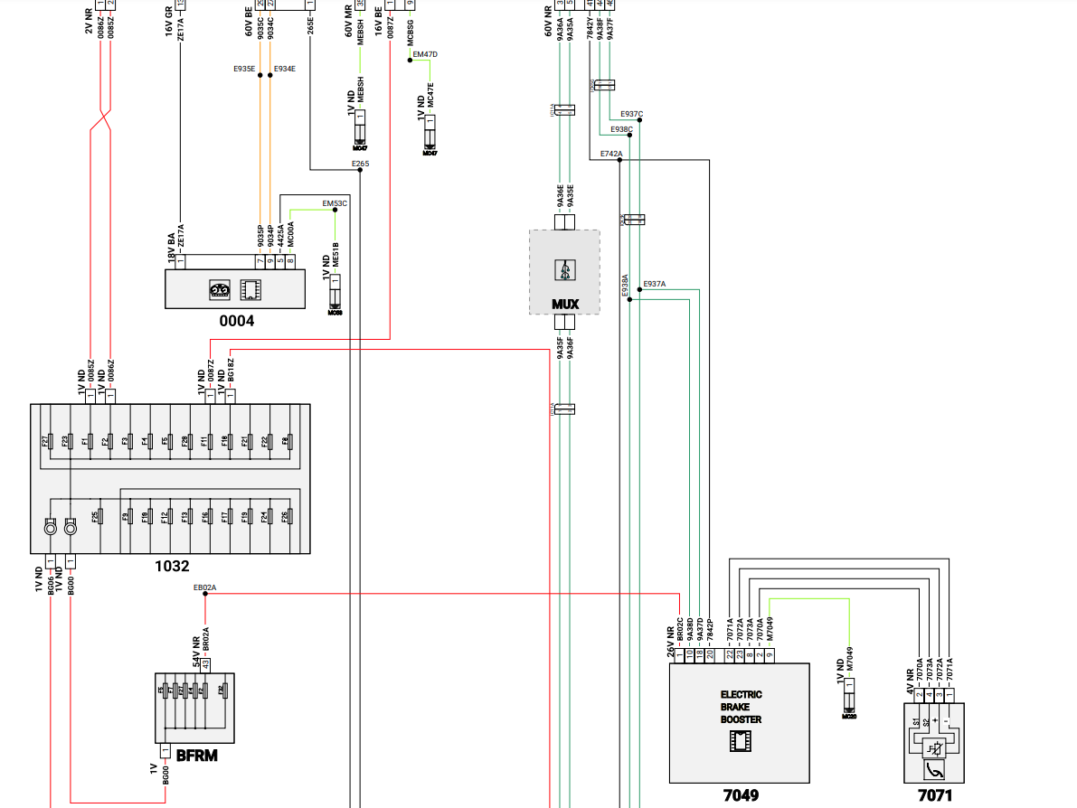
Here is wiring diagram. iboosters for peugeot/citroen does not have dual can.
Re: I bought a Citroen ibooster GEN2 and have some questions
I have bought 2 plugs with cutted loom for 20 bucks. From the tesla M3MattsAwesomeStuff wrote: ↑Thu Dec 21, 2023 8:26 pm After failing to find any scrapper willing to sell me the plug for less than $100, including employees saying "If he can't make 4000% markup he'd rather have it shredded, he's a moron.", I ordered most of a set from Chief Enterprises.
Got the main plug, the clip housing, and several of the more important pins for $27. Pins were like, $2 each, so I only did the big ones. Didn't get any of the plugs or seals there, they were stupidly expensive.
Grabbed the 4-pin position sensor plug off of Digikey for a couple bucks since I was ordering from there anyways.
If you wanted to go through AliX, I think the main housing is like 5x for $15. I just didn't need that many or want to wait that long.
The unused pins I'll just cap with silicone rather than use plugs.
Also looking for these little pins.
- tom91
- Posts: 2962
- Joined: Fri Mar 01, 2019 9:15 pm
- Location: Bicester, Oxfordshire
- Has thanked: 330 times
- Been thanked: 848 times
Re: I bought a Citroen ibooster GEN2 and have some questions
Does the Ibooster "unlock" when you give it 12V ignition Pin 20? As in you hear it move the motor and it draws more current.
Does it transmit any CAN on the CAN bus at 500kbps? Ofcourse with it terminated at 2x120 ohm.
Does it transmit any CAN on the CAN bus at 500kbps? Ofcourse with it terminated at 2x120 ohm.
- tom91
- Posts: 2962
- Joined: Fri Mar 01, 2019 9:15 pm
- Location: Bicester, Oxfordshire
- Has thanked: 330 times
- Been thanked: 848 times
Re: I bought a Citroen ibooster GEN2 and have some questions
Does it then provide assistance for a little while and then stop again, or does it not provide assistance at all and just pulses the lock/unlock of the system?
You tried pulsing the 12V line for it to unlock and then see it it "times out"?
It is possibly looking for a vehicle terminal state (KL50/KL15/KLr)
You tried pulsing the 12V line for it to unlock and then see it it "times out"?
It is possibly looking for a vehicle terminal state (KL50/KL15/KLr)
Re: I bought a Citroen ibooster GEN2 and have some questions
When +12V is present on pin 20 it provide assistance all the time. If I disconnect pin 20 canbus is shutting down after ~20 sec. Then after short time i hear that motor is "parking" and ibooster become quiet.tom91 wrote: ↑Sat Dec 23, 2023 3:00 pm Does it then provide assistance for a little while and then stop again, or does it not provide assistance at all and just pulses the lock/unlock of the system?
You tried pulsing the 12V line for it to unlock and then see it it "times out"?
It is possibly looking for a vehicle terminal state (KL50/KL15/KLr)
-
jrbe
- Posts: 766
- Joined: Mon Jul 03, 2023 3:17 pm
- Location: CT, central shoreline, USA
- Has thanked: 363 times
- Been thanked: 249 times
Re: I bought a Citroen ibooster GEN2 and have some questions
If the brake pedal position sensor is wired up it may do a check to see that the position sensor moves to check the position sensor or maybe calibrate itself. If the sensor output doesn't change when it's moving it can't calibrate or verify the sensor is good. So it may be repeatedly trying to calibrate or check the position sensor.
Re: I bought a Citroen ibooster GEN2 and have some questions
Today I tried to preload the push rod slightly by hand. And guess what? ibooster is not "clicking" now. I don't know what exact position of rod is needed but I think I'm on the right way. Is it normal when the push rod is preloaded? Idk how it is on the donor vehicle.
-
MattsAwesomeStuff
- Posts: 1084
- Joined: Fri Apr 26, 2019 5:40 pm
- Has thanked: 479 times
- Been thanked: 314 times
Re: I bought a Citroen ibooster GEN2 and have some questions
Yes!
I forget the amount, but yes. And adding that has fixed the problem for some.
There was some discussion about an "out of range" error, though I forget where that discussion took place. Oudevolvo (Lars, from EvCreates) has postulated this same error and the reason for it.
I recall there being some known amount of default displacement in the original setup (which may vary by vehicle).
Some early tests from me, doing the adjustment, showed that this might not be true. When I'd adjust, and then reset, I was still getting the shuddering at the same amount of pushrod push. Which made me perhaps conclude that on powerup, the iBooster calibrates where "start" is (wherever it currently is) and then from then forward it knows its range.
I also suspect the shuddering is actually just iBooster maxing out, and instead of killing the pump it rapidly turns the pump on and off trying to push that last little bit harder. I won't know if this is a relevant thing until I'm trying to stop my car at speed and notice whether this shuddering occurs well past wheel lockup (i.e. well past full brake pressure anyways).
On a different site of someone else who's reverse engineered the CAN protocol for the Tesla (only) iBoosters, he said when that happens you actually lose all braking pressure and so it's vital to not go out of range. I don't think that's true.
It's Christmas Eve here but bump this or bug me in the next few days and I'll see if I can go thread-hunting for you where this info might be relevant. At least the pushrod pushlength compression from stock is a number I'm sure someone has mentioned before.
There needs to be a more proper tutorial on using the iBooster. The wiki right now is an okay link list but the content is scattered over 6 websites and not all of us even agree on what's true and what's not.
-
jrbe
- Posts: 766
- Joined: Mon Jul 03, 2023 3:17 pm
- Location: CT, central shoreline, USA
- Has thanked: 363 times
- Been thanked: 249 times
Re: I bought a Citroen ibooster GEN2 and have some questions
If the ibooster is maxed out you can't push the brake pedal any further. If it's limiting brake master cylinder or pedal travel it's an obstruction and dangerous. You don't lose all braking, you lose further braking from the obstruction. Say the obstruction is after a medium braking push of the pedal but the obstruction is right after. When you try to do an emergency stop the obstruction his and you only get the medium braking level.MattsAwesomeStuff wrote: ↑Mon Dec 25, 2023 2:51 am I also suspect the shuddering is actually just iBooster maxing out, and instead of killing the pump it rapidly turns the pump on and off trying to push that last little bit harder. I won't know if this is a relevant thing until I'm trying to stop my car at speed and notice whether this shuddering occurs well past wheel lockup (i.e. well past full brake pressure anyways).
On a different site of someone else who's reverse engineered the CAN protocol for the Tesla (only) iBoosters, he said when that happens you actually lose all braking pressure and so it's vital to not go out of range. I don't think that's true.
So 2 things to check, when adding an ibooster, make sure the booster travel and brake master cylinder travel are able to swing through the complete brake pedal travel.
You also need to ensure the stack isn't pushing on the brake master cylinder when the brake pedal is all the way up. Preloading the brake master cylinder means the fluid can't get back to the reservoir and it can build up pressure as the brakes / fluid warn up. This means dragging brakes immediately or after a bit of driving.
-
MattsAwesomeStuff
- Posts: 1084
- Joined: Fri Apr 26, 2019 5:40 pm
- Has thanked: 479 times
- Been thanked: 314 times
Re: I bought a Citroen ibooster GEN2 and have some questions
This makes sense.
However...
https://sghinnovations.com/product/iboo ... oller-ecu/
He claims in the video here that 40mm travel is expected. His brake-by-wire version limits that to 20mm. I'm not sure if he's implying to use it entirely as brake-by-wire, or whether it's still located and actuated as normal but the OpenPilot braking will do light braking for you.
He says in this video towards the end...
... that if you try to push the iBooster too far, farther than it wants to, it creates too much pressure, faults out, and then doesn't provide any braking pressure, and thus recommends using a mechanical backstop. I don't know if he's claiming that's OEM operation, or a deliberate choice of his when designing his CAM control software for it. It does seem a peculiar design decision either way.
If someone has a better interpretation of that, then please pipe in.
If you read Lars' explanation on his website, (scroll to Push Rod Considerations): https://www.evcreate.com/installing-the-ibooster/You also need to ensure the stack isn't pushing on the brake master cylinder when the brake pedal is all the way up. Preloading the brake master cylinder means the fluid can't get back to the reservoir
"When the calibration fails you will hear a rattling noise from the iBooster. This tends to happen when there is no pressure on the push rod. Once there is a slight pressure on the push rod (does not need to be depressed), calibration should be successful."
So, I'm not sure how he's meaning "depressed". Fully depressed, or, does he mean, the pushrod doesn't even have to move, just have "pressure" on it?
In any case, seems like some pressure is a must:
"The noise could be a ‘sensor out of range’ issue and could perhaps also occur at the other end of the measuring range. So make sure the pedal leverage and thus maximum push rod travel matches the iBooster maximum travel."
Well, either your brake pedal maxes out before the iBooster, or after, so, you'll have to have one of the two cases occurring. Both can cause the iBooster to fail, perhaps.
I'm not sure.
Maybe that's what the vibrating/shuddering is. You plunge too far, the power cuts out and the pushrod retracts, but your foot is still on there, so it pushes back, but is too far again, so it retracts. Back and forth on the edge of the max depth travel, causing vibration.
Trouble is, when I adjusted my pushrod forward or backward by 8mm... I got the same amount of travel either way before the shuddering happened. Meaning, I think, that it must do some kind of initial-position calibration.
*shrugs*.
It irritates me how partially-discovered all this stuff is. I'm not knowledgeable enough to verify all these things and tie up all these loose ends. I hate loose ends. I want to be able to tell people "Do X and it will work. Follow this procedure" but we're not there yet with the iBooster. And, it's kinda important for, y'know... a braking system.