Bosch Accelerator Pedal pinout?

Post Reply
Swing
Posts: 76
Joined: Mon Jan 27, 2020 2:03 pm
Has thanked: 21 times
Been thanked: 15 times

Bosch Accelerator Pedal pinout?

Post by Swing »

Hi, I have this electric 2015 Sprinter (not current generation, older). It has a Bosch 0 280 755 023 accelerator pedal.

I'm trying to reuse the pedal in some sort of VCU I need to build to work with the existing Siemens drivetrain.

The concept of such a pedal is simple, but how do you guys get the pinout?

It is a 6-pin pedal and it has a PCB in there with a small IC.
Just measuring resistance over some pins and pressing the pedal doesn't get me anywhere.
The same with applying 5 Volt, I need to know how to apply it.
Aragorn
Posts: 160
Joined: Wed Jan 04, 2023 10:23 am
Has thanked: 6 times
Been thanked: 66 times

Re: Bosch Accelerator Pedal pinout?

Post by Aragorn »

Not exactly the same but potentially the same family of pedals, should be easy to compare.

I've used older bosch pedals that also use the same arrangement, its just a pair of variable resistors. The pins are jumbled about for whatever reason.
Wiring-Diagram-0280755051.jpg
Swing
Posts: 76
Joined: Mon Jan 27, 2020 2:03 pm
Has thanked: 21 times
Been thanked: 15 times

Re: Bosch Accelerator Pedal pinout?

Post by Swing »

Yes thanks I found that one also, but I dont measure resistance like that.
Only 22kOhm over 2 pins, nothing on the rest.
It really has a PCB with an IC in it, so it probably only works when powering the right pins with 5v
arber333
Posts: 3796
Joined: Mon Dec 24, 2018 1:37 pm
Location: Slovenia
Has thanked: 166 times
Been thanked: 413 times
Contact:

Re: Bosch Accelerator Pedal pinout?

Post by arber333 »

Swing wrote: Tue Mar 19, 2024 8:09 pm Yes thanks I found that one also, but I dont measure resistance like that.
Only 22kOhm over 2 pins, nothing on the rest.
It really has a PCB with an IC in it, so it probably only works when powering the right pins with 5v
Some of those pedals have partial resistance inside their casing, but the rest is located inside ECM computer. This is the reason we like hall pedal sensors more.
Age
Posts: 28
Joined: Sun Aug 02, 2020 8:53 am
Location: Southern Germany
Has thanked: 13 times
Been thanked: 4 times

Re: Bosch Accelerator Pedal pinout?

Post by Age »

Here is what I found on my smartphone:
Screenshot_20240319_230106_Firefox.jpg
Will have a look if I have more information on my desktop computer tomorrow...
Swing
Posts: 76
Joined: Mon Jan 27, 2020 2:03 pm
Has thanked: 21 times
Been thanked: 15 times

Re: Bosch Accelerator Pedal pinout?

Post by Swing »

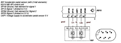
To answer my own question, here is the wiring below (note that 5 and 6 are swapped in the picture), all the coloring matched.
Schermafbeelding 2024-03-20 201754.png
Schermafbeelding 2024-03-20 201754.png (248.86 KiB) Viewed 6583 times
So I didn't get anything by measuring resistance.
Knowing the right pins to apply 5v, and I could see the voltage change with pressing it.
Age
Posts: 28
Joined: Sun Aug 02, 2020 8:53 am
Location: Southern Germany
Has thanked: 13 times
Been thanked: 4 times

Re: Bosch Accelerator Pedal pinout?

Post by Age »

You were slightly faster than I was... ;)

Here is what I found on my Computer.
Attachments
B37-3_Pinout_Sprinter
B37-3_Pinout_Sprinter
B37_Pinout_B-Klasse
B37_Pinout_B-Klasse
Swing
Posts: 76
Joined: Mon Jan 27, 2020 2:03 pm
Has thanked: 21 times
Been thanked: 15 times

Re: Bosch Accelerator Pedal pinout?

Post by Swing »

Thanks. I got it from asking a mechanic to look into some Hella software that features all kinds of cars.

Yours is some specific Mercedes info?
It might be useful, since I also need to use parking brake and regular brake pedal. Although those will be fairly straight forward.

I'm not sure if there is also such an easy to reuse hall effect sensor in the brake pedal?
I don't really need it, but I could use it.
Although it might interfere with ABS computers, best left alone.
Post Reply