Prius Gen 4 Inverter Hacking
- Jack Bauer
- Posts: 3999
- Joined: Wed Dec 12, 2018 5:24 pm
- Location: Ireland
- Has thanked: 153 times
- Been thanked: 1114 times
- Contact:
Prius Gen 4 Inverter Hacking
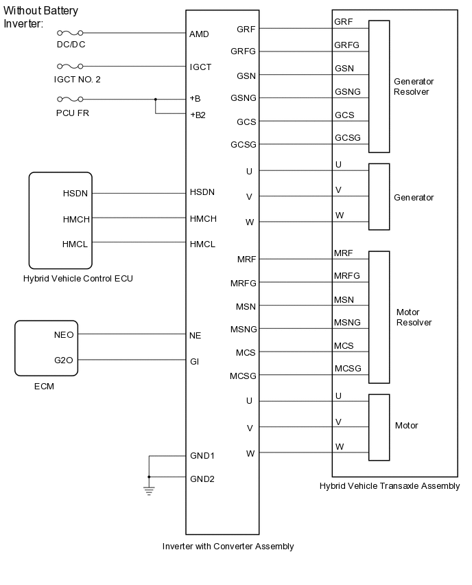
Due to a kind donation I now have a Gen 4 inverter / converter for reverse engineering / hacking. Starting a thread to document the progress.
- Attachments
-
pg4_inverter_lithium.pdf- (160.1 KiB) Downloaded 1381 times
-
pg4_inverter.pdf- (160.23 KiB) Downloaded 1355 times
-
HVS-N.pdf- (527.53 KiB) Downloaded 1577 times
-
HVS-L.pdf- (452.74 KiB) Downloaded 1222 times
I'm going to need a hacksaw
-
Alexstarex
- Posts: 28
- Joined: Mon Jan 13, 2020 1:53 pm
- Location: Russia
- ZooKeeper
- Posts: 526
- Joined: Mon Mar 30, 2020 10:23 pm
- Location: USA
- Has thanked: 8 times
- Been thanked: 5 times
Re: Prius Gen 4 Inverter Hacking
Yea! Some of us are still working on the Gen2
-
Time for ICE Melt
Huebner VCU controlling a Gen2 Prius Inverter attempting to power a Leaf EM57 motor.
"Talent is equally distributed but opportunity is not." - Leila Janah
Huebner VCU controlling a Gen2 Prius Inverter attempting to power a Leaf EM57 motor.
"Talent is equally distributed but opportunity is not." - Leila Janah
- mdrobnak
- Posts: 692
- Joined: Thu Mar 05, 2020 5:08 pm
- Location: Colorado, United States
- Has thanked: 1 time
- Been thanked: 5 times
Re: Prius Gen 4 Inverter Hacking
I have a feeling in 6 months there's going to be a wide range of solutions based upon budget, space, and power capabilities.
Super exciting!
Super exciting!
Re: Prius Gen 4 Inverter Hacking
This Prius unit is small enough to possible use on the 2 and 3 wheel EVs I'm working on. Toyota has proposed since ~2013 to produce an even smaller unit based on SiC semiconductors(like Tesla uses now). Damian, what is the part number(G9200-XXXXX) of the one you have? Is it one for a Prius Prime, the plug-in hybrid model, or the regular non plug-in hybrid? After a second look, It seems the label on the one you have has been drawn over.
It will be interesting(OK,exciting!) to see what you come up with for this hack. Keep up the good work.
It will be interesting(OK,exciting!) to see what you come up with for this hack. Keep up the good work.
- mdrobnak
- Posts: 692
- Joined: Thu Mar 05, 2020 5:08 pm
- Location: Colorado, United States
- Has thanked: 1 time
- Been thanked: 5 times
Re: Prius Gen 4 Inverter Hacking
That's an interesting IGBT setup on there. Super integrated and delicate though, geez.
- Jack Bauer
- Posts: 3999
- Joined: Wed Dec 12, 2018 5:24 pm
- Location: Ireland
- Has thanked: 153 times
- Been thanked: 1114 times
- Contact:
Re: Prius Gen 4 Inverter Hacking
Got the inverter on the bench for a first look. I love these Toyota boards. 5 minutes of visual inspection and your half way there. Very logical layout.
The two big square qfp parts have part number : r5f72azakfp
A quick search yeilded this document with some good info :
https://www.energy.gov/sites/prod/files ... 2017_o.pdf
The two big square qfp parts have part number : r5f72azakfp
A quick search yeilded this document with some good info :
https://www.energy.gov/sites/prod/files ... 2017_o.pdf
I'm going to need a hacksaw
- Jack Bauer
- Posts: 3999
- Joined: Wed Dec 12, 2018 5:24 pm
- Location: Ireland
- Has thanked: 153 times
- Been thanked: 1114 times
- Contact:
Re: Prius Gen 4 Inverter Hacking
Seemed a shame to waste my 2 hours for 6 yoyos on Toyota repair so grabbed some gen4 diagrams and info. In the first post.
I'm going to need a hacksaw
Re: Prius Gen 4 Inverter Hacking
I may be a yahoo, but definitely not a yoyo. Dr. Damian: Does the patient look like it is hackable?
- clanger9
- Posts: 205
- Joined: Mon Oct 28, 2019 7:41 am
- Location: Chester, UK
- Been thanked: 2 times
- Contact:
Prius Gen 4 inverter hacking
So, I have a cheap Chinese 'scope and a bunch of crazy ideas.
I'm going to have a go at destroying hacking a Prius Gen 4 inverter, with a view to maybe doing a Damien-style modboard.
So far, I removed the control board from the inverter. I guess the first step is to power it up with 12V and see what makes it tick...
Has anybody tried playing around with this inverter, or am I starting with the proverbial blank sheet of paper?
I'm going to have a go at destroying hacking a Prius Gen 4 inverter, with a view to maybe doing a Damien-style modboard.
So far, I removed the control board from the inverter. I guess the first step is to power it up with 12V and see what makes it tick...
Has anybody tried playing around with this inverter, or am I starting with the proverbial blank sheet of paper?
- Jack Bauer
- Posts: 3999
- Joined: Wed Dec 12, 2018 5:24 pm
- Location: Ireland
- Has thanked: 153 times
- Been thanked: 1114 times
- Contact:
Re: Prius Gen 4 Inverter Hacking
As this model has the logic and driver functions combined on a single board, would it be easier to go the plug and play separate VCU approach? As with the Lexus GS450H VCU?
- clanger9
- Posts: 205
- Joined: Mon Oct 28, 2019 7:41 am
- Location: Chester, UK
- Been thanked: 2 times
- Contact:
Re: Prius Gen 4 Inverter Hacking
I think the VCU approach would make a lot of sense for controlling a Toyota MGU.
I'm not sure it will work for my application, where I want to do something very different with the inverter hardware...
I'm not sure it will work for my application, where I want to do something very different with the inverter hardware...
- clanger9
- Posts: 205
- Joined: Mon Oct 28, 2019 7:41 am
- Location: Chester, UK
- Been thanked: 2 times
- Contact:
Re: Prius Gen 4 Inverter Hacking
Thanks to Damien's pin-out data, I was able to power the board up. Which is a nice start.
The board pulls about 8 watts. There are no blinkenlights, which is always a minor disappointment. CAN traffic appears almost immediately, which I was able to capture with SavvyCAN. I don't know what the messages mean - presumably something like "Help me; my car appears to be missing..." The inverter itself consists of 14 separately controlled IGBTs (2x 3-phase stages + 1x buck-boost stage), each with its own mystery high-side controller chip that talks to the low-side via a pair of opto-isolators (1x 9104A, 1x 9121A). One for send and one for receive?
At this point, I run out of knowledge, although a quick trace of the boards suggests the opto isolators are daisy-chained together. Is this a typical arrangement in vehicle inverters? How will the low-side comms be arranged? Some sort of SPI signalling or something else?
Any suggestions as to what I should try next? I guess my ultimate objective is to be able to control the inverter stages directly using Johannes-style software.
I will have a poke around and see if I can see any chatter on the low side...
The board pulls about 8 watts. There are no blinkenlights, which is always a minor disappointment. CAN traffic appears almost immediately, which I was able to capture with SavvyCAN. I don't know what the messages mean - presumably something like "Help me; my car appears to be missing..." The inverter itself consists of 14 separately controlled IGBTs (2x 3-phase stages + 1x buck-boost stage), each with its own mystery high-side controller chip that talks to the low-side via a pair of opto-isolators (1x 9104A, 1x 9121A). One for send and one for receive?
At this point, I run out of knowledge, although a quick trace of the boards suggests the opto isolators are daisy-chained together. Is this a typical arrangement in vehicle inverters? How will the low-side comms be arranged? Some sort of SPI signalling or something else?
Any suggestions as to what I should try next? I guess my ultimate objective is to be able to control the inverter stages directly using Johannes-style software.
I will have a poke around and see if I can see any chatter on the low side...
- jnsaff
- Posts: 179
- Joined: Fri Oct 18, 2019 7:42 am
- Location: Tallinn, Estonia
- Has thanked: 3 times
- Been thanked: 8 times
Re: Prius Gen 4 Inverter Hacking
I will get myself a new Gen4 inverter and also the RAV4 version (which looks the same except it has an addition inverter for the rear wheel drive).
My idea for starting to figure out the CAN messages would be to use the SavvyCan changes feature (can't remember what it's called) and then start changing things. Obvious things would be to change the 12V voltage and see which message changes. Then connect HV side and start playing with voltage there. Rinse, repeat, post findings here.
My idea for starting to figure out the CAN messages would be to use the SavvyCan changes feature (can't remember what it's called) and then start changing things. Obvious things would be to change the 12V voltage and see which message changes. Then connect HV side and start playing with voltage there. Rinse, repeat, post findings here.
- Jack Bauer
- Posts: 3999
- Joined: Wed Dec 12, 2018 5:24 pm
- Location: Ireland
- Has thanked: 153 times
- Been thanked: 1114 times
- Contact:
Re: Prius Gen 4 Inverter Hacking
Yeah you'll probably find some inverter to car data that way the problem will be the car to inverter stuff. What we'd really need is a capture from a gen 4 car under various driving conditions. Now my mother in law does have a 2019 chr ...... 
Then setup a gen4 translaxle and inverter and play back the data and so on. This will only work if there are no encryptions involved. Even the leaf gen 1 system uses a "security" byte between the vcu and inverter so who knows.
Then setup a gen4 translaxle and inverter and play back the data and so on. This will only work if there are no encryptions involved. Even the leaf gen 1 system uses a "security" byte between the vcu and inverter so who knows.
I'm going to need a hacksaw
- jnsaff
- Posts: 179
- Joined: Fri Oct 18, 2019 7:42 am
- Location: Tallinn, Estonia
- Has thanked: 3 times
- Been thanked: 8 times
Re: Prius Gen 4 Inverter Hacking
I could not resist when I saw a CH-R and a 4WD RAV4 Gen4 inverters available for 100 euros each.
To my surprise the RAV4 inverter is much larger than the CH-R. It has 3 inverters in it but it still looks much beefier than I could have imagined.
I will crack them open sometime and post more photos soon.
To my surprise the RAV4 inverter is much larger than the CH-R. It has 3 inverters in it but it still looks much beefier than I could have imagined.
I will crack them open sometime and post more photos soon.
- jnsaff
- Posts: 179
- Joined: Fri Oct 18, 2019 7:42 am
- Location: Tallinn, Estonia
- Has thanked: 3 times
- Been thanked: 8 times
Re: Prius Gen 4 Inverter Hacking
Why wouldn't they if even Chuck Norris Jack Bauer can't kill Toyota inverters?!
Re: Prius Gen 4 Inverter Hacking
Do you happen to know the weight of both the units?
jnsaff wrote: ↑Fri Feb 19, 2021 6:03 pm I could not resist when I saw a CH-R and a 4WD RAV4 Gen4 inverters available for 100 euros each.
To my surprise the RAV4 inverter is much larger than the CH-R. It has 3 inverters in it but it still looks much beefier than I could have imagined.
I will crack them open sometime and post more photos soon.
IMG_3695.jpgIMG_3697.jpgIMG_3698.jpg
Re: Prius Gen 4 Inverter Hacking
Has any one made any progress on the Gen4?
Also I would be interested in knowing the advantages of the Gen4 over Gen3 if any one knows? We have projects that I think the Toyota inverters would work well in, but want to make sure we choose the best Gen for our application which requires very lightweight components.
Thanks
Also I would be interested in knowing the advantages of the Gen4 over Gen3 if any one knows? We have projects that I think the Toyota inverters would work well in, but want to make sure we choose the best Gen for our application which requires very lightweight components.
Thanks
Jack Bauer wrote: ↑Wed Jan 27, 2021 6:01 pm Yeah you'll probably find some inverter to car data that way the problem will be the car to inverter stuff. What we'd really need is a capture from a gen 4 car under various driving conditions. Now my mother in law does have a 2019 chr ......
Then setup a gen4 translaxle and inverter and play back the data and so on. This will only work if there are no encryptions involved. Even the leaf gen 1 system uses a "security" byte between the vcu and inverter so who knows.
Re: Prius Gen 4 Inverter Hacking
I understand that the Gen4 inverter is controlled via CAN. Has anyone figured out this communication?
- tom91
- Posts: 2962
- Joined: Fri Mar 01, 2019 9:15 pm
- Location: Bicester, Oxfordshire
- Has thanked: 328 times
- Been thanked: 847 times
Re: Prius Gen 4 Inverter Hacking
Not as far as we are aware of, best to get a vehicle or full setup for reverse engineering.
-
CaptainSlow
- Posts: 1
- Joined: Sat Jan 10, 2026 5:05 am
Re: Prius Gen 4 Inverter Hacking
I have access to a family member’s 2016 Prius, along with the front-impacted wreckage of another 2016 that has a seemingly intact inverter I’d like to use.
I don’t have the skills to figure it out myself, but I’m happy to do some data logging if someone can help me through the process.
I don’t have the skills to figure it out myself, but I’m happy to do some data logging if someone can help me through the process.