Hi,
Has anyone used the 12v DCDC from a GS450h?
Stepping down a high voltage to 12v with the main DCDC is too much, but I think stepping down to ~250v and using this second DCDC to drop down to 12v could work.
I have the wiring diagram for it but no car - so I do not know what signals it needs to turn on.
Pics attached.
Lexus 12v DCDC converter
- NiHaoMike
- Posts: 69
- Joined: Mon Dec 02, 2019 4:11 am
- Location: Austin, TX
- Been thanked: 2 times
- Contact:
Re: Lexus 12v DCDC converter
It would be easier to repurpose a server power supply. Most of those will work on 150-390V DC as-is.
My first solar power system helped Naomi Wu, now I want to do even more with DIY solar.
- AdrianB
- Posts: 65
- Joined: Sun Jan 24, 2021 10:34 pm
- Location: Wales. UK.
- Has thanked: 24 times
- Been thanked: 23 times
Re: Lexus 12v DCDC converter
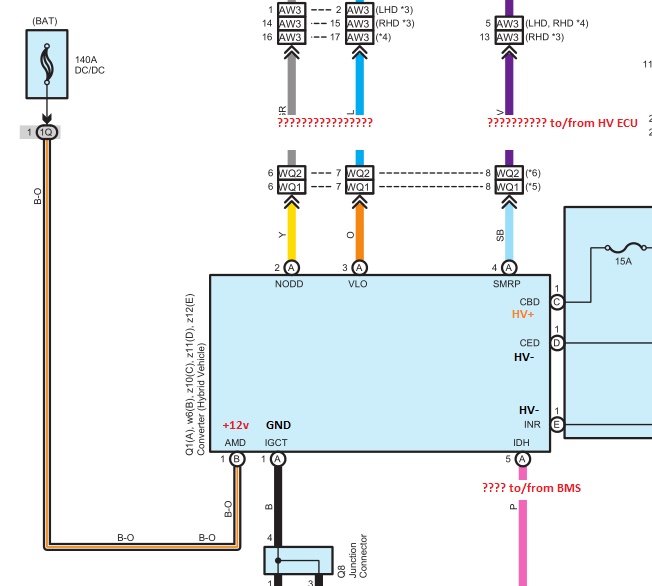
There must be a good reason why folks aren't using these in their conversions but they seem quite easy to set up - although I could well have missed something obvious. I've just got mine up and running on the bench. It works independently of the inverter with only four wires to connect:
There are 5 control wires on plug A but only pin 1, the black wire, is needed. Just supply it with 12v+. There's some info on the forum and on the wiki about the Yaris and Prius DC-DC converters and the wiring is very similar. The main difference is that on the Lexus the precharge wiring goes through the DC-DC converter - I can't understand how that works but it can be ignored as the converter works without it. Pin 5, the pink wire, connects to the BMS but again the converter works with this disconnected. Here's how I think the wiring connects - but I haven't fully tested it.
And if you've nothing better to do you can watch it working on YouTube.
- HV+
- HV-
- Chassis ground
- 12v+
There are 5 control wires on plug A but only pin 1, the black wire, is needed. Just supply it with 12v+. There's some info on the forum and on the wiki about the Yaris and Prius DC-DC converters and the wiring is very similar. The main difference is that on the Lexus the precharge wiring goes through the DC-DC converter - I can't understand how that works but it can be ignored as the converter works without it. Pin 5, the pink wire, connects to the BMS but again the converter works with this disconnected. Here's how I think the wiring connects - but I haven't fully tested it.
And if you've nothing better to do you can watch it working on YouTube.
Carlton Commando
Zombieverter
GS450h
BMW hybrid battery
Outlander charger DC/DC
Zombieverter
GS450h
BMW hybrid battery
Outlander charger DC/DC