Throtle 5v

Nissan Leaf/e-NV200 drive stack topics
Post Reply
PoloLbricolo
Posts: 106
Joined: Wed Apr 10, 2019 2:32 pm
Location: France
Has thanked: 3 times
Been thanked: 12 times

Throtle 5v

Post by PoloLbricolo »

Hi,
I'm back at it with the leaf motor/inverter, did all of the wiring today, booted up the inverter for the first time and checked the parameters. However i was not able to calibrate the throtle as the signal didn't change. After checking the wiring on the pedal was wrong, changed it, and still nothing.
So i checked the 5v (Pin 26 on the CN101 connector) and nothing, 0V, i gess this is not right i've changed the salvaged pin for one that i knew worked. and still noting.
Any ideas where that might be comming from ?
PoloLbricolo
Posts: 106
Joined: Wed Apr 10, 2019 2:32 pm
Location: France
Has thanked: 3 times
Been thanked: 12 times

Re: Throtle 5v

Post by PoloLbricolo »

OK,
So i ignored the fact that the inverter wasn't making the 5v and used a lab power supply set to 4v in replacement, and i got the throtle signal :D
Oskar
Posts: 21
Joined: Mon Aug 19, 2019 5:46 pm
Location: Sweden

Re: Throtle 5v

Post by Oskar »

I made the same mistake. Seems like Pin 26 isn't connected to anything?
If I'd like to get 5V to pin 26, can I just use whatever pin that has 5V output and solder a wire between them?
User avatar
johu
Site Admin
Posts: 7182
Joined: Thu Nov 08, 2018 10:52 pm
Location: Kassel/Germany
Has thanked: 552 times
Been thanked: 1913 times
Contact:

Re: Throtle 5v

Post by johu »

Thats strange, pin 26 aka 4th pin 2nd row is connected to the top copper pour in my layout. Will check later whether theres a connection problem
Support R/D and forum on Patreon: https://patreon.com/openinverter - Subscribe on odysee: https://odysee.com/@openinverter:9
User avatar
mcgousha
Posts: 28
Joined: Mon Mar 11, 2019 4:20 pm
Location: Surrey, UK
Contact:

Re: Throtle 5v

Post by mcgousha »

I had a similar issue on my board a few months ago and had to pull 5v to the throttle pin from elsewhere on the board.
This seemed like a great idea at the time
https://www.youtube.com/channel/UCca95a ... 33wJBAMe5g
Daniel
Posts: 24
Joined: Thu Nov 21, 2019 7:21 pm
Location: Poland

Re: Throtle 5v

Post by Daniel »

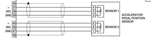
Do you know how to connect a acceleration pedal from Leaf I ?
Which pin is: +5V, -5V, sig 1, sig 2
1
2
3
4
5
6
20191213_220321 - Kopia.jpg
20191213_220430.jpg
20191213_220248.jpg
20191213_220132.jpg
Do you know where I can find pin diagrams for Leaf I, for example liquid pumps ?
20191213_220035 - Kopia.jpg
20191213_215840.jpg
20191213_215940.jpg
IsakSoderlund
Posts: 4
Joined: Wed Apr 17, 2019 12:16 pm

Re: Throtle 5v

Post by IsakSoderlund »

Hi!
I that's the nissan leaf water pump right. I've got my schematics at home, but just try connecting +12 mad ground to two of the ports untill it works. That's what I did
damian.lo
Posts: 123
Joined: Sat Dec 22, 2018 12:46 pm
Location: Poland

Re: Throtle 5v

Post by damian.lo »

Hi,

I have the same pump in my spare parts. It isn't PWM steering like on picture below?
PWM pump.jpg
PWM pump.jpg (18.23 KiB) Viewed 8694 times
Attachments
PWM pump2.jpg
PoloLbricolo
Posts: 106
Joined: Wed Apr 10, 2019 2:32 pm
Location: France
Has thanked: 3 times
Been thanked: 12 times

Re: Throtle 5v

Post by PoloLbricolo »

Hi,
The pump is pretty easy to drive. I'm not next to my my car so i cannot check to be 100% sure but you need to connect 2 wires together and apply 12V to the other 2. I tried every combination possible and it worked. The pump has a soft start and it will stop after 5 or 10 minutes if it doesn't have liquid flowing.

Given your picture i would connect yellow and blue together, +12v to red and ground to black.
User avatar
johu
Site Admin
Posts: 7182
Joined: Thu Nov 08, 2018 10:52 pm
Location: Kassel/Germany
Has thanked: 552 times
Been thanked: 1913 times
Contact:

Re: Throtle 5v

Post by johu »

Hi,
I finally remembered to check the 5V pin and indeed there is no 5V. Yes it is connected to the top copper pour but it is on an island. FreePCB didn't realize this. So if you want 5V on pin 26 you'll need a botch wire e.g. to the left side of R2
Support R/D and forum on Patreon: https://patreon.com/openinverter - Subscribe on odysee: https://odysee.com/@openinverter:9
User avatar
james@N52E01
Posts: 144
Joined: Wed Sep 18, 2019 7:02 am
Has thanked: 2 times
Been thanked: 4 times

Re: Throtle 5v

Post by james@N52E01 »

Daniel wrote: Sat Dec 14, 2019 6:10 pm Do you know how to connect a acceleration pedal from Leaf I ?
Which pin is: +5V, -5V, sig 1, sig 2
Hi Daniel, did this part of the question ever get answered? I would like to use the original Leaf 1 throttle pedal with Damien’s VCU and it needs these 4 outputs to operate.
User avatar
james@N52E01
Posts: 144
Joined: Wed Sep 18, 2019 7:02 am
Has thanked: 2 times
Been thanked: 4 times

Re: Throtle 5v

Post by james@N52E01 »

Just done a quick bit of testing. No idea what the reference figures should be but there was a slight difference in output voltage range between the two signals. Anyway here’s the results. Quality sketching I know...
DE64B598-43EF-4AC4-B772-CC0DE1B794F4.jpeg
Edit: sketch updated to correct values. See below.
User avatar
Cookie6000
Posts: 247
Joined: Wed May 08, 2019 9:27 am
Location: Wicklow, IRL
Has thanked: 12 times
Been thanked: 33 times
Contact:

Re: Throtle 5v

Post by Cookie6000 »

Good man James
Class bit of sketch work there! Every bit helps. I managed to pick up a spare Leaf pedal myself there the other day while scavenging other wiring and so have the Transit Connect as well as that one to test with.
mcgousha wrote: Wed Oct 23, 2019 11:13 am I had a similar issue on my board a few months ago and had to pull 5v to the throttle pin from elsewhere on the board.
@mcgousha, Do you remember where you pulled the 5v from on the Leaf inverter in case Pin26 doesn't work when I test?
Home of the #Audi8e - https://twitter.com/FiachraCooke
Daniel
Posts: 24
Joined: Thu Nov 21, 2019 7:21 pm
Location: Poland

Re: Throtle 5v

Post by Daniel »

james@N52E01 wrote: Sun Jan 26, 2020 6:18 pm
Daniel wrote: Sat Dec 14, 2019 6:10 pm Do you know how to connect a acceleration pedal from Leaf I ?
Which pin is: +5V, -5V, sig 1, sig 2
Hi Daniel, did this part of the question ever get answered? I would like to use the original Leaf 1 throttle pedal with Damien’s VCU and it needs these 4 outputs to operate.
james@N52E01 wrote: Tue Jan 28, 2020 7:53 pm Just done a quick bit of testing. No idea what the reference figures should be but there was a slight difference in output voltage range between the two signals. Anyway here’s the results. Quality sketching I know...

D297EBE7-38B4-424F-B179-69E962D44DCF.jpeg
You made a mistake:

Correct connection:
1 -GND
5 - 5V
6 - Signal
User avatar
james@N52E01
Posts: 144
Joined: Wed Sep 18, 2019 7:02 am
Has thanked: 2 times
Been thanked: 4 times

Re: Throtle 5v

Post by james@N52E01 »

Daniel wrote: Wed Feb 26, 2020 8:11 pm
You made a mistake:

Correct connection:
1 -GND
5 - 5V
6 - Signal
With respect Daniel mate I don’t think I have. My drawing’s crap I admit, but the testing worked and I’ve just double checked the wiring colours match the information in the Leaf’s EVC manual (I used green for SIG in stead of white). Are you sure you have the numbering oriented correctly? Hopefully it’s clear in my diagram. Feel free to post your results and how you got to them so we can compare.
F539FC13-0399-4973-82B8-070C0A3F1150.jpeg
Daniel
Posts: 24
Joined: Thu Nov 21, 2019 7:21 pm
Location: Poland

Re: Throtle 5v

Post by Daniel »

james@N52E01 wrote: Thu Feb 27, 2020 6:23 am With respect Daniel mate I don’t think I have. My drawing’s crap I admit, but the testing worked and I’ve just double checked the wiring colours match the information in the Leaf’s EVC manual (I used green for SIG in stead of white). Are you sure you have the numbering oriented correctly? Hopefully it’s clear in my diagram. Feel free to post your results and how you got to them so we can compare.
F539FC13-0399-4973-82B8-070C0A3F1150.jpeg
Look at the plug from the front, not the numbers on the accelerator pedal
23.jpg
23.jpg (8.28 KiB) Viewed 8422 times
20.jpg
User avatar
james@N52E01
Posts: 144
Joined: Wed Sep 18, 2019 7:02 am
Has thanked: 2 times
Been thanked: 4 times

Re: Throtle 5v

Post by james@N52E01 »

IT looks like the schematic you are using from the TCS manual shows the pin layout for the plug in the EVC manual (same as I drew in my sketch) which goes from the controller to that socket on the throttle pedal where the numbering system is reversed. It looks like the the white wires then are permanent 5v and the red ones are signal wires... ? Even stranger, when I test the signal output with permanent 5v attached to the white wires and signal from the red, I get a range of 0.76-3.8v on C1 and 0.38 - 1.9v on C2. Maybe I have a knackered pedal. Have you done any testing with your throttle pedal? What results did you come up with?
User avatar
johu
Site Admin
Posts: 7182
Joined: Thu Nov 08, 2018 10:52 pm
Location: Kassel/Germany
Has thanked: 552 times
Been thanked: 1913 times
Contact:

Re: Throtle 5v

Post by johu »

My VW pedal has a similar voltage range: https://openinverter.org/wiki/Touran_Conversion
Support R/D and forum on Patreon: https://patreon.com/openinverter - Subscribe on odysee: https://odysee.com/@openinverter:9
User avatar
james@N52E01
Posts: 144
Joined: Wed Sep 18, 2019 7:02 am
Has thanked: 2 times
Been thanked: 4 times

Re: Throtle 5v

Post by james@N52E01 »

Awesome thanks Johannes and Daniel, hopefully that’s it then.
User avatar
Cookie6000
Posts: 247
Joined: Wed May 08, 2019 9:27 am
Location: Wicklow, IRL
Has thanked: 12 times
Been thanked: 33 times
Contact:

Re: Throtle 5v

Post by Cookie6000 »

james@N52E01 wrote: Fri Feb 28, 2020 11:57 am Even stranger, when I test the signal output with permanent 5v attached to the white wires and signal from the red, I get a range of 0.76-3.8v on C1 and 0.38 - 1.9v on C2. Maybe I have a knackered pedal. Have you done any testing with your throttle pedal? What results did you come up with?
James
I just did a check on my Gen 1 Leaf pedal in case you thought your pedal was on the fritz and the numbers match up
C1 0.8v - 3.9v
C2 0.4v - 1.95v

Anyone know what the relation between them and the ThrotVal values here in Damiens Leaf VCU code? The values 145,620 are from the E46 pedal he uses in the Goose. E46 signal o/p from having a search are C1 1.64v - 4.64v and C2 0.8v to 3.8v, the latter being the same as the Leaf and Johannes' Touran pedal. Just want to be sure I calibrate the Leaf pedal correctly.

ThrotVal = analogRead(Throttle1); //read throttle channel 1 directly
ThrotVal = constrain(ThrotVal, 145, 620);
ThrotVal = map(ThrotVal, 145, 620, 0, MaxTrq); //will need to work here for cal.
Home of the #Audi8e - https://twitter.com/FiachraCooke
User avatar
jerrykco
Posts: 183
Joined: Thu Dec 12, 2019 5:32 pm
Location: United States, Colorado
Has thanked: 252 times
Been thanked: 43 times
Contact:

Re: Throtle 5v

Post by jerrykco »

I am working on my Prius Throttle[1] for the Leaf. Can someone review this logic?
I understand it is limited to 3.2v max input.
What I found and the circuit I designed are documented in this picture.
Does this seem right?
Prius Throttle Voltage Divider.jpg
Jerry Kauffman
jerryk48 at gmail dot com
User avatar
johu
Site Admin
Posts: 7182
Joined: Thu Nov 08, 2018 10:52 pm
Location: Kassel/Germany
Has thanked: 552 times
Been thanked: 1913 times
Contact:

Re: Throtle 5v

Post by johu »

The circuit looks awkward. Hmm.
The 3V3 limit is not a hard limit, you could exceed it. You just loose the last part of throttle travel.
If you don't want that: the throttle inputs are loaded down by 10k resistors. So if you put, say, 2.7k in series with your 3.8V signal you will reduce it to 3.832*10/(2.7+10)=3.01V
Support R/D and forum on Patreon: https://patreon.com/openinverter - Subscribe on odysee: https://odysee.com/@openinverter:9
User avatar
jerrykco
Posts: 183
Joined: Thu Dec 12, 2019 5:32 pm
Location: United States, Colorado
Has thanked: 252 times
Been thanked: 43 times
Contact:

Re: Throtle 5v

Post by jerrykco »

johu wrote: Thu May 07, 2020 5:34 am The circuit looks awkward. Hmm.
The 3V3 limit is not a hard limit, you could exceed it. You just loose the last part of throttle travel.
If you don't want that: the throttle inputs are loaded down by 10k resistors. So if you put, say, 2.7k in series with your 3.8V signal you will reduce it to 3.832*10/(2.7+10)=3.01V
Thanks Johannes, that makes it much simpler! :D
Jerry Kauffman
jerryk48 at gmail dot com
Post Reply