Nissan Leaf BMS
- johu
- Site Admin
- Posts: 7182
- Joined: Thu Nov 08, 2018 10:52 pm
- Location: Kassel/Germany
- Has thanked: 552 times
- Been thanked: 1913 times
- Contact:
Re: Nissan Leaf BMS
Magically the Nissan BMS now no longer displays the interlock error. The interlock bit is still low on the CAN bus but DTC is gone. Hmm. Not sure how to figure out whether it balances. People on the web seem a bit unsure. For the Leaf BMS fanboys: I'm reading group 6 but it seems to return all zeros.
Well it's not all magic, I actually traced the interlock signal. It is a 3.3333333Hz 50/50 PWM on the source. It is then routed via the various interlock switches back to the LBC, through a transistor to the MCU. Behind the transistor the signal was swinging between 4.5 and 5V which didn't seem right. So I beefed up the base voltage divider. Now a nice 0-5V swing is generated. Not sure what the deal is.
Anyway I'm getting a meaningful charge and discharge limits now. It's about 1°C outside and when I started I had a 3kW charge limit and a 75kW discharge limit. Just by waiting a bit it climbed to 6kW/90kW.
Well it's not all magic, I actually traced the interlock signal. It is a 3.3333333Hz 50/50 PWM on the source. It is then routed via the various interlock switches back to the LBC, through a transistor to the MCU. Behind the transistor the signal was swinging between 4.5 and 5V which didn't seem right. So I beefed up the base voltage divider. Now a nice 0-5V swing is generated. Not sure what the deal is.
Anyway I'm getting a meaningful charge and discharge limits now. It's about 1°C outside and when I started I had a 3kW charge limit and a 75kW discharge limit. Just by waiting a bit it climbed to 6kW/90kW.
Support R/D and forum on Patreon: https://patreon.com/openinverter - Subscribe on odysee: https://odysee.com/@openinverter:9
-
prensel
- Posts: 130
- Joined: Mon Nov 25, 2019 1:36 pm
- Location: Dreumel (NL)
- Been thanked: 4 times
- Contact:
Re: Nissan Leaf BMS
I have a few of these Nissan LBC's and want to use them for 48S8P packs instead of the original 96S4P setup..
Since the Leaf battery is actually halved in two 48S4P 'packs' I was thinking of paralleling both 48S wirings on the LBC end and simulatie a full 96S pack.
Would this work ?
Since the Leaf battery is actually halved in two 48S4P 'packs' I was thinking of paralleling both 48S wirings on the LBC end and simulatie a full 96S pack.
Would this work ?
= Th!nk PIV4 Collection, support, sales =
-
prensel
- Posts: 130
- Joined: Mon Nov 25, 2019 1:36 pm
- Location: Dreumel (NL)
- Been thanked: 4 times
- Contact:
-
evcar
- Posts: 9
- Joined: Tue Dec 31, 2019 6:28 am
- Location: Los Angeles CA (USA)
- Has thanked: 25 times
Re: Nissan Leaf BMS
I've been running my 2013 Leaf BMS on a 48S battery pack for a few months now. So far it's been working well and reports all the cell voltages properly.
-
prensel
- Posts: 130
- Joined: Mon Nov 25, 2019 1:36 pm
- Location: Dreumel (NL)
- Been thanked: 4 times
- Contact:
Re: Nissan Leaf BMS
Did you parallel connect the BMS wires of the two banks of 48S ?
= Th!nk PIV4 Collection, support, sales =
-
evcar
- Posts: 9
- Joined: Tue Dec 31, 2019 6:28 am
- Location: Los Angeles CA (USA)
- Has thanked: 25 times
- johu
- Site Admin
- Posts: 7182
- Joined: Thu Nov 08, 2018 10:52 pm
- Location: Kassel/Germany
- Has thanked: 552 times
- Been thanked: 1913 times
- Contact:
Re: Nissan Leaf BMS
Thanks for the diagram. So I think thats I hooked it up. Still don't see any balancing, neither on the supposed CAN message nor does the delta between max and min voltage (70mV) decrease.
Only side effect so far: I found my LFP 12V battery dead discharged after leaving the 12V input of the BMS connected permanently
Only side effect so far: I found my LFP 12V battery dead discharged after leaving the 12V input of the BMS connected permanently
Support R/D and forum on Patreon: https://patreon.com/openinverter - Subscribe on odysee: https://odysee.com/@openinverter:9
-
prensel
- Posts: 130
- Joined: Mon Nov 25, 2019 1:36 pm
- Location: Dreumel (NL)
- Been thanked: 4 times
- Contact:
Re: Nissan Leaf BMS
Yesterday I did the famous 'blue smoke' trick on one of the (all white ports) LBC's by accidently connecting the rear 48S battery stack WITHOUT the interconnecting cable causing some fumes and burned diodes 
I have created a conversion cable for connecting a second 48S stack to the last 2 connectors that normally connects the two side battery stacks.
Looking at the diagram and comparing with the wiring loom I discovered some unregistered wiring on the LBC. Presumably these are for the 'winter edition 'Nissan Leaf for enabling pack-pre-heating for Scandinavian countries.
I have created a conversion cable for connecting a second 48S stack to the last 2 connectors that normally connects the two side battery stacks.
Looking at the diagram and comparing with the wiring loom I discovered some unregistered wiring on the LBC. Presumably these are for the 'winter edition 'Nissan Leaf for enabling pack-pre-heating for Scandinavian countries.
= Th!nk PIV4 Collection, support, sales =
- johu
- Site Admin
- Posts: 7182
- Joined: Thu Nov 08, 2018 10:52 pm
- Location: Kassel/Germany
- Has thanked: 552 times
- Been thanked: 1913 times
- Contact:
Re: Nissan Leaf BMS
That sucks, I know what it looks like
The diodes is what you see but most of all the custom Nissan ICs are toast.
Yes I have this as well. It's an 8-way connector and goes to a basic relay with some fancy logic in it. I have the relay but left it disconnected. I think my battery came from Norway.
There is also a mysterious 16-way connector on the loom that doesn't fit anywhere. It has some sort of shielded cable in it.
Yes I have this as well. It's an 8-way connector and goes to a basic relay with some fancy logic in it. I have the relay but left it disconnected. I think my battery came from Norway.
There is also a mysterious 16-way connector on the loom that doesn't fit anywhere. It has some sort of shielded cable in it.
Support R/D and forum on Patreon: https://patreon.com/openinverter - Subscribe on odysee: https://odysee.com/@openinverter:9
-
prensel
- Posts: 130
- Joined: Mon Nov 25, 2019 1:36 pm
- Location: Dreumel (NL)
- Been thanked: 4 times
- Contact:
Re: Nissan Leaf BMS
I've noticed a difference between the 'white' and 'grey' versions of the LBC wiring on connector LB11 (top left).
The grey wiring loom has empty slots at pin 4, 11, 16,17,18,19,20,21,22,23,24.
The white wiring loom has empty slots at pin 2, 7,11,14,18,19,22,23,24.
The 'present/interlock' signal is (according the schema) populated between pin 8 and 21.
So pluggin in the white loom in grey LBC (and vice versa) doesnt fully work.
According schema (white LB11 connector) pins are as follows
1 CAN High
2
3 GND
4
5 Charge mode +12V
6 Ignition mode +12V
7 Current sensor GND
8 Interlock output
9 Current sensor voltage
10 Current sensor signal
11
12 +12V Bat
13 CAN Low
14
15 GND
16 GND
17
18
19
20
21 Interlock input
22
23
24
The grey wiring loom has empty slots at pin 4, 11, 16,17,18,19,20,21,22,23,24.
The white wiring loom has empty slots at pin 2, 7,11,14,18,19,22,23,24.
The 'present/interlock' signal is (according the schema) populated between pin 8 and 21.
So pluggin in the white loom in grey LBC (and vice versa) doesnt fully work.
According schema (white LB11 connector) pins are as follows
1 CAN High
2
3 GND
4
5 Charge mode +12V
6 Ignition mode +12V
7 Current sensor GND
8 Interlock output
9 Current sensor voltage
10 Current sensor signal
11
12 +12V Bat
13 CAN Low
14
15 GND
16 GND
17
18
19
20
21 Interlock input
22
23
24
= Th!nk PIV4 Collection, support, sales =
-
prensel
- Posts: 130
- Joined: Mon Nov 25, 2019 1:36 pm
- Location: Dreumel (NL)
- Been thanked: 4 times
- Contact:
Re: Nissan Leaf BMS
And the wiring loom with grey connector is as follows:
1 CAN High (LB1 pin1)
2 GND1 (LB1 pin8)
3 GND3 (LB1 pin6)
4
5 CHG IGN (LB1 pin31)
6 interlock
7 IGN (LB1 pin4)
8 interlock
9 current sensor Voltage
10 current sensor Signal
11
12 +12V Bat (LB1 pin5)
13 CAN low (LB1 pin2)
14 GND2 (LB1 pin7)
15 current sensor Ground
16
17
18
19
20
21
22
23
24
1 CAN High (LB1 pin1)
2 GND1 (LB1 pin8)
3 GND3 (LB1 pin6)
4
5 CHG IGN (LB1 pin31)
6 interlock
7 IGN (LB1 pin4)
8 interlock
9 current sensor Voltage
10 current sensor Signal
11
12 +12V Bat (LB1 pin5)
13 CAN low (LB1 pin2)
14 GND2 (LB1 pin7)
15 current sensor Ground
16
17
18
19
20
21
22
23
24
= Th!nk PIV4 Collection, support, sales =
-
evcar
- Posts: 9
- Joined: Tue Dec 31, 2019 6:28 am
- Location: Los Angeles CA (USA)
- Has thanked: 25 times
Re: Nissan Leaf BMS
One method I used to verify that the BMS was hooked-up correctly was with a bluetooth dongle and the LeafSpy app. There's an option in the app to only perform BMS communications. Using the app, you can see all the output data from the BMS. Here are some details:
http://www.electricvehiclewiki.com/wiki/leaf-spy-pro/
I have been wanting to read the balancing signals manually over can-bus, but never got around to doing it. But I do see on LeafSpy that the cells are balanced periodically when the BMS is active.
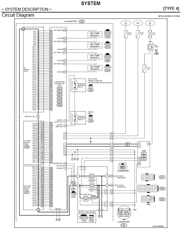
I believe the all-white connector BMS are from 2011-2012 models, and the ones with white/grey/black connectors are from 2013-2016. I've attached the wiring diagram from the 2013 BMS that I used in my car.
http://www.electricvehiclewiki.com/wiki/leaf-spy-pro/
I have been wanting to read the balancing signals manually over can-bus, but never got around to doing it. But I do see on LeafSpy that the cells are balanced periodically when the BMS is active.
I believe the all-white connector BMS are from 2011-2012 models, and the ones with white/grey/black connectors are from 2013-2016. I've attached the wiring diagram from the 2013 BMS that I used in my car.
- Attachments
-
2013NissanLeafBMS.pdf- (438.06 KiB) Downloaded 1427 times
-
prensel
- Posts: 130
- Joined: Mon Nov 25, 2019 1:36 pm
- Location: Dreumel (NL)
- Been thanked: 4 times
- Contact:
Re: Nissan Leaf BMS
Great, thats valuable information (diagram) for the grey connector version LBC's.
So now we know why Johu gets a different result on the interlock signal when using the white or grey LBC on the same loom because they changed the pins from 8-21 on white to 8-6 on grey.
So now we know why Johu gets a different result on the interlock signal when using the white or grey LBC on the same loom because they changed the pins from 8-21 on white to 8-6 on grey.
= Th!nk PIV4 Collection, support, sales =
- johu
- Site Admin
- Posts: 7182
- Joined: Thu Nov 08, 2018 10:52 pm
- Location: Kassel/Germany
- Has thanked: 552 times
- Been thanked: 1913 times
- Contact:
Re: Nissan Leaf BMS
Oh you're right! That is really strange. When I remove the connection between 6 and 8 the BMS sets the discharge limit to 4.5kW and I think it displays some error. But now I see they just tie pin 6 to 12V - permanently or on ignition? When is pin 5 activated?
Support R/D and forum on Patreon: https://patreon.com/openinverter - Subscribe on odysee: https://odysee.com/@openinverter:9
-
prensel
- Posts: 130
- Joined: Mon Nov 25, 2019 1:36 pm
- Location: Dreumel (NL)
- Been thanked: 4 times
- Contact:
Re: Nissan Leaf BMS
I see that according diagram pin5 is enabled by the VCU and i guess when you plug the charging connector it enables the BMS in 'charge' modus and probably onyl then starts to balance ?
= Th!nk PIV4 Collection, support, sales =
- johu
- Site Admin
- Posts: 7182
- Joined: Thu Nov 08, 2018 10:52 pm
- Location: Kassel/Germany
- Has thanked: 552 times
- Been thanked: 1913 times
- Contact:
Re: Nissan Leaf BMS
Success! or rather: one step forward, one back.
I've changed the interlock return to pin 21 now and finally I get a "1" on the interlock bit. But now I'm back to the 4.5kW discharge and 0W charge limit with DTC 0x254d or 0x4d25. I have removed my special resistor on pin 6, will put it back in.
I was hoping it always balances. At least it stays on for a while after pin 5 and 6 are disconnected.
I've changed the interlock return to pin 21 now and finally I get a "1" on the interlock bit. But now I'm back to the 4.5kW discharge and 0W charge limit with DTC 0x254d or 0x4d25. I have removed my special resistor on pin 6, will put it back in.
I was hoping it always balances. At least it stays on for a while after pin 5 and 6 are disconnected.
Support R/D and forum on Patreon: https://patreon.com/openinverter - Subscribe on odysee: https://odysee.com/@openinverter:9
- johu
- Site Admin
- Posts: 7182
- Joined: Thu Nov 08, 2018 10:52 pm
- Location: Kassel/Germany
- Has thanked: 552 times
- Been thanked: 1913 times
- Contact:
Re: Nissan Leaf BMS
I realized the old BMS had 4 current sensors, the new one has only 3. I'm lacking one. Could that be the problem? What kind of sensors are they? Maybe I can just put in a constant resistor
Support R/D and forum on Patreon: https://patreon.com/openinverter - Subscribe on odysee: https://odysee.com/@openinverter:9
-
prensel
- Posts: 130
- Joined: Mon Nov 25, 2019 1:36 pm
- Location: Dreumel (NL)
- Been thanked: 4 times
- Contact:
Re: Nissan Leaf BMS
The grey version has just one sensor left out, nr 3. It is not connected.
Not sure what they are, i have to measure them.
Not sure what they are, i have to measure them.
= Th!nk PIV4 Collection, support, sales =
-
prensel
- Posts: 130
- Joined: Mon Nov 25, 2019 1:36 pm
- Location: Dreumel (NL)
- Been thanked: 4 times
- Contact:
Re: Nissan Leaf BMS
I'm lost, just to be sure what are you trying to accomplish:
A white wiring loom on a grey LBC or a grey wiring loom on the white LBC ?
I can try a setup with both versions (white on white and grey on grey) and do a CANlog this weekend to see what the packets tell us..
A white wiring loom on a grey LBC or a grey wiring loom on the white LBC ?
I can try a setup with both versions (white on white and grey on grey) and do a CANlog this weekend to see what the packets tell us..
= Th!nk PIV4 Collection, support, sales =
- johu
- Site Admin
- Posts: 7182
- Joined: Thu Nov 08, 2018 10:52 pm
- Location: Kassel/Germany
- Has thanked: 552 times
- Been thanked: 1913 times
- Contact:
Re: Nissan Leaf BMS
Thanks for your help!
It's a grey wiring loom with a white BMS
It's a grey wiring loom with a white BMS
Support R/D and forum on Patreon: https://patreon.com/openinverter - Subscribe on odysee: https://odysee.com/@openinverter:9
-
evcar
- Posts: 9
- Joined: Tue Dec 31, 2019 6:28 am
- Location: Los Angeles CA (USA)
- Has thanked: 25 times
Re: Nissan Leaf BMS
Are you referring to the temperature sensors? If so, they should be 4kohm nominal NTC thermistors.
-
prensel
- Posts: 130
- Joined: Mon Nov 25, 2019 1:36 pm
- Location: Dreumel (NL)
- Been thanked: 4 times
- Contact:
Re: Nissan Leaf BMS
White loom:
Pin 6 is only +12V when IGNition on, pin 12 is constant +12V.
Pin5 is only +12V when charging
= Th!nk PIV4 Collection, support, sales =
- johu
- Site Admin
- Posts: 7182
- Joined: Thu Nov 08, 2018 10:52 pm
- Location: Kassel/Germany
- Has thanked: 552 times
- Been thanked: 1913 times
- Contact:
Re: Nissan Leaf BMS
Ok, nice. I will put a 4k7 resistor in place of the missing temperature sensor
Support R/D and forum on Patreon: https://patreon.com/openinverter - Subscribe on odysee: https://odysee.com/@openinverter:9
- johu
- Site Admin
- Posts: 7182
- Joined: Thu Nov 08, 2018 10:52 pm
- Location: Kassel/Germany
- Has thanked: 552 times
- Been thanked: 1913 times
- Contact:
Re: Nissan Leaf BMS
I did a bit of checking. So supposedly on the "all white" BMS the current sensors ground lead is connected to Pin 7 as opposed to pin 15 on the grey BMS. But all components that pin 7 goes to are unpopulated and the pin is floating. So I left the sensor on pin 15 which is solid GND.
Concerning the 3rd temp sensor I think I've found the place where it forks off to the processor via a series resistor (R59). So I will remove that and bridge it over to the 4th channel behind R62. Now I hope the 4th channel is just copied onto the 3rd.
Concerning the 3rd temp sensor I think I've found the place where it forks off to the processor via a series resistor (R59). So I will remove that and bridge it over to the 4th channel behind R62. Now I hope the 4th channel is just copied onto the 3rd.
Support R/D and forum on Patreon: https://patreon.com/openinverter - Subscribe on odysee: https://odysee.com/@openinverter:9
- johu
- Site Admin
- Posts: 7182
- Joined: Thu Nov 08, 2018 10:52 pm
- Location: Kassel/Germany
- Has thanked: 552 times
- Been thanked: 1913 times
- Contact:
Re: Nissan Leaf BMS
Ok, tried that but no real luck. DTC had different values. one byte is always 77 (0x4d) and one had different values on different attempts: 37 (0x25), 10 (0xa) and 93 (0x5D). None of the combinations show up in the service manual. I wonder if there is some encoding.
I'm also rather surprised the DTCs changed on every power up today. Yesterday it was 77 37 pretty consistently.
I'm also rather surprised the DTCs changed on every power up today. Yesterday it was 77 37 pretty consistently.
Support R/D and forum on Patreon: https://patreon.com/openinverter - Subscribe on odysee: https://odysee.com/@openinverter:9