Hi anyone,
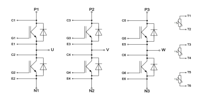
here some more findings. The phases U and W have in each case a DC voltage measurement. From C1 (U phase) of the IGBT-pack are 5 resistors in line connected at the AMC1301. The output pins of the AMC1301 connected at A20 and B20.
From C5 (W phase) of the IGBT-pack are also 5 resistors on the bottom side in line connected at the 8710CD. The output pin of the 8710CD connected at A16.
Here the schmeatic of the IGBT-Pack-
MEB motor and inverter (ID.3, ID.4, Eniaq, etc.)
-
rick
- Posts: 7
- Joined: Wed Jul 30, 2025 8:21 pm
- Location: Berlin, Germany
- Has thanked: 3 times
- Been thanked: 6 times
Re: MEB motor and inverter (ID.3, ID.4, Eniaq, etc.)
Today some picture of the logicboard.
This is the view on top. And this is the bottom side. This is the connector to the resolver. This is the connector to the vehicle. At this post you can see the pinout https://openinverter.org/forum/viewtopi ... 321#p54321.
The board receives GND via some mounting screws to the housing. Look here.
In the meantime, I have measured the power supply to the inverter board. I found that there are seven supply points.
The three 5160 chips each have their own 15 V power supply. The AMC1301, SI8710CD, and Si8641 chips also each have their own 5 V power supply.
I was unable to clearly assign the remaining voltages to a specific supply point.
Does anyone have any additional insights?
I want to use the mini mainboard for my project, I designed a corresponding adapter board. The problem is that there is only 7-8 mm of space between the logic board and the case cover.
I therefore designed a board with cutouts for the mini mainboard and the WLAN module. It is not the final version.
The 5V and 15V power supplies and a few other things are still missing.
While reading the forum, I saw that there are one or two others who are dealing with the same problem.
Maybe we can work together.
This is the view on top. And this is the bottom side. This is the connector to the resolver. This is the connector to the vehicle. At this post you can see the pinout https://openinverter.org/forum/viewtopi ... 321#p54321.
The board receives GND via some mounting screws to the housing. Look here.
In the meantime, I have measured the power supply to the inverter board. I found that there are seven supply points.
The three 5160 chips each have their own 15 V power supply. The AMC1301, SI8710CD, and Si8641 chips also each have their own 5 V power supply.
I was unable to clearly assign the remaining voltages to a specific supply point.
Does anyone have any additional insights?
I want to use the mini mainboard for my project, I designed a corresponding adapter board. The problem is that there is only 7-8 mm of space between the logic board and the case cover.
I therefore designed a board with cutouts for the mini mainboard and the WLAN module. It is not the final version.
The 5V and 15V power supplies and a few other things are still missing.
While reading the forum, I saw that there are one or two others who are dealing with the same problem.
Maybe we can work together.
Re: MEB motor and inverter (ID.3, ID.4, Eniaq, etc.)
Hello everyone!
I received the logicboard for repair. Does anyone know how to read the measured KL30 value from it via CAN?
Now I see two types of messages:
ID:1B00007C DLC:8 DATA:00 40 01 04 00 00 00 00
ID:1B00007C DLC:8 DATA:00 50 04 01 00 00 00 00
I received the logicboard for repair. Does anyone know how to read the measured KL30 value from it via CAN?
Now I see two types of messages:
ID:1B00007C DLC:8 DATA:00 40 01 04 00 00 00 00
ID:1B00007C DLC:8 DATA:00 50 04 01 00 00 00 00