Rev 3
Re: Rev 3
*** Unofficial ***
https://github.com/dimecho/Huebner-Inve ... board7.csv
Please give feedback is something is off.
https://github.com/dimecho/Huebner-Inve ... board7.csv
Please give feedback is something is off.
Re: Rev 3
According to BOM from link above I have question. I want to connect this board to Leaf inverter+motor via Johannes interface board, so which resistors should I populate in group R40-R43, where is speed selection?
Another headache are R50-R51 - I think depends of which current measurement I have. In case of Leaf inverter I think I should populate them, correct?
Another headache are R50-R51 - I think depends of which current measurement I have. In case of Leaf inverter I think I should populate them, correct?
Re: Rev 3
A more official link if here https://github.com/jsphuebner/inverter- ... rdv1.1.pdf
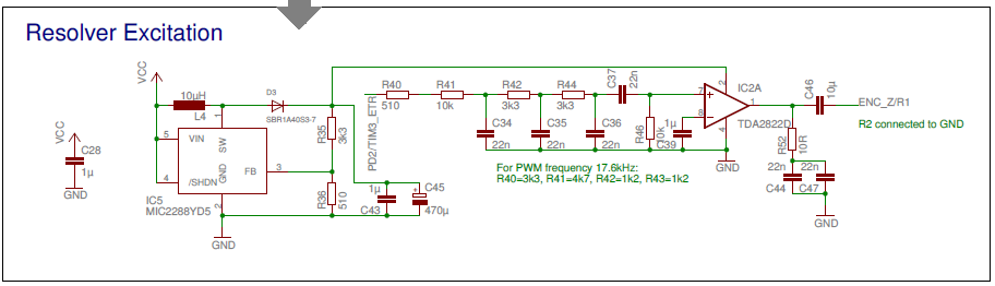
If you need 17.6kHz PWM then R40-R43 follow the drawing
If you need 17.6kHz PWM then R40-R43 follow the drawing
Re: Rev 3
Thanks for updated link to schematic.
Do I need 17.6kHz PWM now is question. Really sorry for my ignorance, but really I don't know if for stock Leaf resolver in motor from Leaf, should I take higher or lower PWM and which is better in my situation. Maybe someone with already soldered board can look at board and write what have on board?
Instead of this maybe can someone explain differences in user condition?
Thanks and regards.
Instead of this maybe can someone explain differences in user condition?
Thanks and regards.
- johu
- Site Admin
- Posts: 7182
- Joined: Thu Nov 08, 2018 10:52 pm
- Location: Kassel/Germany
- Has thanked: 552 times
- Been thanked: 1913 times
- Contact:
Re: Rev 3
The Leaf inverter should be operated at 8.8kHz. At an earlier stage I thought it had to be 17.6.
With the latest software the excitation frequency is decoupled from the inverter frequency. It is now always 4.4kHz. So the values denoted in the schematic (0.51, 10k, 3k3) are what you want.
With the latest software the excitation frequency is decoupled from the inverter frequency. It is now always 4.4kHz. So the values denoted in the schematic (0.51, 10k, 3k3) are what you want.
Support R/D and forum on Patreon: https://patreon.com/openinverter - Subscribe on odysee: https://odysee.com/@openinverter:9
Re: Rev 3
Thank You Johannes for support with my doubts. I hope I will finish this board at next days, so I will do some trials.
Re: Rev 3
Hello again,
Today I finished soldering v3 board and after power on ofcourse board doesn't work
PWR led isn't working, so I checked voltages and both VCC-5V and VCCIO-3,3V are about 1,2V.
On beginning I had D1 and D2 B540C, then I replaced them to 1N5819, because now I can't obtain CDBA540-HF. For now also C20-470uf/16V I left normal thrue hole version. It can be some problem with this power supply or somewhere else? Any other part isn't hot/smoked/etc so can be, that LM2596 is broken?
Today I finished soldering v3 board and after power on ofcourse board doesn't work
On beginning I had D1 and D2 B540C, then I replaced them to 1N5819, because now I can't obtain CDBA540-HF. For now also C20-470uf/16V I left normal thrue hole version. It can be some problem with this power supply or somewhere else? Any other part isn't hot/smoked/etc so can be, that LM2596 is broken?
- johu
- Site Admin
- Posts: 7182
- Joined: Thu Nov 08, 2018 10:52 pm
- Location: Kassel/Germany
- Has thanked: 552 times
- Been thanked: 1913 times
- Contact:
Re: Rev 3
I think there is a short somewhere, can you check 3V3 and 5V against GND with ohms range?
Support R/D and forum on Patreon: https://patreon.com/openinverter - Subscribe on odysee: https://odysee.com/@openinverter:9
- johu
- Site Admin
- Posts: 7182
- Joined: Thu Nov 08, 2018 10:52 pm
- Location: Kassel/Germany
- Has thanked: 552 times
- Been thanked: 1913 times
- Contact:
Re: Rev 3
Similar values on mine. You can remove the 3V3 reg and see if 5V are stable.
Support R/D and forum on Patreon: https://patreon.com/openinverter - Subscribe on odysee: https://odysee.com/@openinverter:9
Re: Rev 3
The same, VCC output 1,2V without IC8 3,3V reg.
Can You check on Your board R11 (in resolver mode) resistance in both directions?
On mine is:
VCC - JP2-2= 550R
JP2-2 - VCC= 312R
On C20 cap are: 650R/160R
Edit 11.01.2019:
What a shame with voltage regulator LM2596
Today after big investigation what is wrong I discovered what I exactly ordered from Farnell - it was LM2596-ADJ instead of LM2596-5
Good, that the output voltage was 1,2V and not 12V, otherwise will be a little mess.
So, now I'm waiting for next parts delivery and then I will try with this - thanks Johannes for Your time in search of my error.
One more day with this mystery and probably I will also take already soldered version from JLC.
Regards
Can You check on Your board R11 (in resolver mode) resistance in both directions?
On mine is:
VCC - JP2-2= 550R
JP2-2 - VCC= 312R
On C20 cap are: 650R/160R
Edit 11.01.2019:
What a shame with voltage regulator LM2596
Today after big investigation what is wrong I discovered what I exactly ordered from Farnell - it was LM2596-ADJ instead of LM2596-5
Good, that the output voltage was 1,2V and not 12V, otherwise will be a little mess.
So, now I'm waiting for next parts delivery and then I will try with this - thanks Johannes for Your time in search of my error.
One more day with this mystery and probably I will also take already soldered version from JLC.
Regards